Moonroof no tilt after motor replacement?

Tiny
PHNELS68
  • MEMBER
  • 2016 FORD EXPLORER
  • 120,000 MILES
The driver side motor replaced to fix sliding glass failure. Now there is no tilt function, and the control buttons don’t work correctly even after performing reset procedure many times. Here is how the buttons function. Push tilt-opens front shade and slides glass open automatically, pull tilt does nothing. Push slide opens front shade automatically, must hold button to slide open/close glass. Push shade opens front shade, second push opens rear shade. Pull closes rear shade, second pull slides glass closed and front shade.
Thursday, September 22nd, 2022 AT 8:13 PM

7 Replies

Tiny
KEN L
  • MASTER CERTIFIED MECHANIC
  • 55,322 POSTS
The tilt function will only operate if the sunroof is in the fully closed position. So, if the alignment is off the tilt function will not work, here is how to align the sunroof to help return the tilt function. Once complete open the close the sunroof fully to reset the system. Check out the images (below). Let us know what happens and please upload pictures or videos of the problem.
Was this
answer
helpful?
Yes
No
-2
Friday, September 23rd, 2022 AT 10:56 AM
Tiny
PHNELS68
  • MEMBER
  • 3 POSTS
The alignment looks good. I'm not sure why pushing tilt makes the front shade and window open. It doesn’t give me a chance to push and release before holding it to reset.
Was this
answer
helpful?
Yes
No
Monday, September 26th, 2022 AT 4:30 PM
Tiny
KEN L
  • MASTER CERTIFIED MECHANIC
  • 55,322 POSTS
Thanks for the videos, the alignment looks good. Let's try to relearn the sunroof operation:

Power Roof Opening Panel Initialization
Initialization

image WARNING: Keep objects and body parts clear of the glass panel when carrying out the initialization procedure. During the initialization procedure, the glass panel closes with high force and cannot detect objects in its path. Failure to follow this instruction may result in serious personal injury.

NOTE: Sliding Glass Panel Initialization

NOTE: The roof opening panel motor must be initialized when repairs are carried out on the roof opening panel system, including any time the roof opening panel motor has been removed, the roof opening panel glass (fixed panoramic or sliding) has been removed or adjusted, or if the roof opening panel frame has been removed.

NOTE: If initializing both roof opening panel motors, initialize the sliding glass motor before initializing the shield motor.

A new sliding glass panel motor will only move to the vent position and must be initialized.
NOTE: The driver or passenger front door must be open during the entire procedure.

Open the driver or passenger front door.
Place the ignition switch in the ON position.
NOTE: Complete the following within 5 seconds:

Cycle the ignition switch to the OFF position and then back to the ON position.
Press the TILT control switch for less than one second and release.
Push and hold the TILT control switch until the sliding glass moves to the fully open and the back to the fully closed position (this could take up to 20 seconds to start).
Release the control switch and verify successful initialization by carrying out the one-touch operations.
Initialization

NOTE: Shield Initialization

NOTE: If initializing both roof opening panel motors, initialize the sliding glass motor before initializing the shield motor.

A new shield motor only moves toward the closed position and must be initialized
NOTE: The driver or passenger front door must be open during the entire procedure.

Open the driver or passenger front door.
Place the ignition switch in the ON position.
With the shade in the fully open position, pull and release the shade control switch closing the shade to the halfway position.
NOTE: Complete the following within 5 seconds:

Cycle the ignition to the OFF position and then back to the ON position.
Pull the shield control close switch for less than one second and release.
Press and hold the shield control close switch until the shield moves to the fully open position and then back to the fully closed position (this can take up to 20 seconds to start).
Release the control switch and verify successful initialization by carrying out one-touch operations.

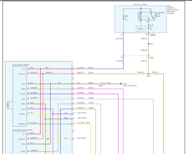
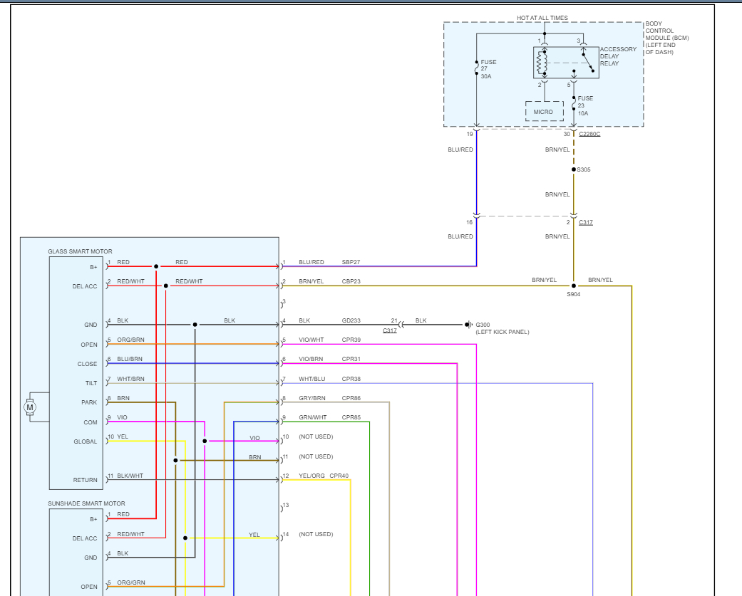
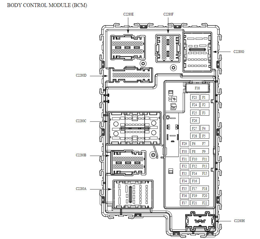
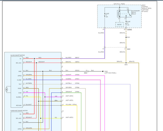
If this doesn't work you have a bad roof opening control module, here are the wiring diagrams so you can see how the system works. BTW did you check the #27 and Fuse #23 in the left side of dash fuse panel? There is an accessory delay relay which is interrogated into the BCM if you don't have power at fuse #23 with the key on. Check out the images (below). Please let us know what happens.
Was this
answer
helpful?
Yes
No
-1
Tuesday, September 27th, 2022 AT 12:22 PM
Tiny
DAN WILSON2
  • MEMBER
  • 1 POST
Any update on this? My wife’s 2015 is doing the same exact thing. I have tried to do a relearn and it doesn’t seem to work. Was your new motor aftermarket or OEM?
Was this
answer
helpful?
Yes
No
-1
Saturday, March 25th, 2023 AT 6:43 PM
Tiny
KEN L
  • MASTER CERTIFIED MECHANIC
  • 55,322 POSTS
I believe it was the aftermarket motor because I have seen this happen on other posts.
Was this
answer
helpful?
Yes
No
Sunday, March 26th, 2023 AT 12:58 PM
Tiny
PHNELS68
  • MEMBER
  • 3 POSTS
This is what I purchased from Amazon, I plan to try this again with an OEM but at least it works to open and close. Brand: Gagsu
3.4 out of 5 stars121Reviews
Sunroof Motor Compatible with Ford Explorer 2011-2017 Sunroof Moon Roof Motor BB5Z-15790-A
Was this
answer
helpful?
Yes
No
Sunday, March 26th, 2023 AT 8:01 PM
Tiny
KEN L
  • MASTER CERTIFIED MECHANIC
  • 55,322 POSTS
Yep, I would go with OEM, the aftermarket parts can have problems.
Was this
answer
helpful?
Yes
No
Monday, March 27th, 2023 AT 12:23 PM

Please login or register to post a reply.