Misfire and code P0032

Tiny
NASER NASER
  • MEMBER
  • 2005 DODGE RAM
  • V8
  • 2WD
  • AUTOMATIC
  • 219,000 MILES
Am a car dealer, bought this truck and had ERG code cleaned out even though it is clean, no codes since then, but still misfires with p0032 only, at idle the misfire is worse once you touch the gas pedal and rev the rpm just a bit it smooths out, checked one plug and it looks good, no other codes, while driving it hesitates a lot and stalls sometimes when making a turn, cranks from the first time.
Friday, July 26th, 2019 AT 4:13 PM

11 Replies

Tiny
JACOBANDNICKOLAS
  • MECHANIC
  • 110,192 POSTS
Welcome to 2CarPros.

Have you tried replacing the oxygen sensor? Also, I need to confirm this is a caravan and need the engine size.

Thanks,
Joe
Was this
answer
helpful?
Yes
No
Friday, July 26th, 2019 AT 6:54 PM
Tiny
NASER NASER
  • MEMBER
  • 836 POSTS
No this is an 2005 Dodge Ram 1500 v8 with 5.7. No, I have not yet changed the oxygen sensor, which is it the driver side before the catalytic at the exhaust manifold?
Was this
answer
helpful?
Yes
No
Friday, July 26th, 2019 AT 7:12 PM
Tiny
JACOBANDNICKOLAS
  • MECHANIC
  • 110,192 POSTS
Welcome back:

Sorry. I have no idea why I was thinking this was a van. Ugh! Anyway, yes, left side, sensor one. If you need a diagnostic flow chart, let me know. It does require use of testing equipment and a good understanding of an electrical system.

See attached picture for sensor locations.

Let me know what you find.

Joe
Was this
answer
helpful?
Yes
No
Friday, July 26th, 2019 AT 9:06 PM
Tiny
NASER NASER
  • MEMBER
  • 836 POSTS
A diagnostic flow chart would be appreciated.
Was this
answer
helpful?
Yes
No
Saturday, July 27th, 2019 AT 8:45 AM
Tiny
JACOBANDNICKOLAS
  • MECHANIC
  • 110,192 POSTS
Welcome back:

No problem. Here is the flow chart related to the P0032. The attached pictures correlate with the directions.

______________________

P0032
Vehicle ALL Diagnostic Trouble Codes ( DTC ) Testing and Inspection P Code Charts P0032
P0032
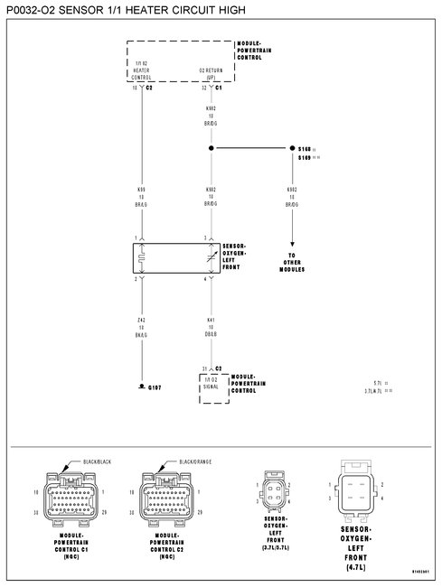
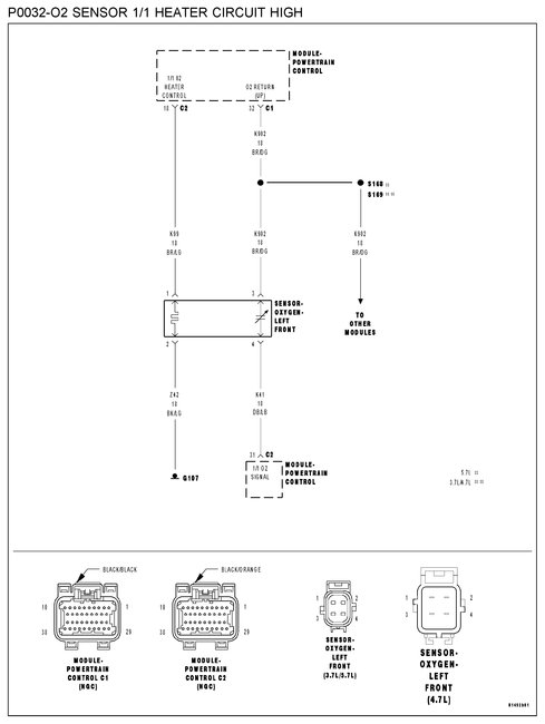
P0032-O2 SENSOR 1/1 HEATER CIRCUIT HIGH

P0032 - O2 1/1 Heater Circuit High

pic 1

WHEN MONITORED
Battery voltage above 10.6 volts, ASD is powered up, and O2 heater is off.

SET CONDITION
Desired state does not equal Actual state. One Trip Fault. Three good trips to turn off the MIL.

POSSIBLE CAUSES
- (K99) O2 1/1 heater control circuit open
- (Z42) O2 1/1 heater ground circuit open
- (K99) O2 1/1 heater control circuit shorted to battery voltage
- O2 sensor
- PCM

Always perform the Pre-Diagnostic Troubleshooting procedure before proceeding.

Diagnostic Test

1. ACTIVE DTC

Ignition on, engine not running.
With a scan tool, read DTC's

Q: Is the DTC active at this time?

YES: Go To 2
NO: Refer to the INTERMITTENT CONDITION Diagnostic Procedure. Perform the POWERTRAIN VERIFICATION TEST. See: A L L Diagnostic Trouble Codes ( DTC ) > Verification Tests > Powertrain Verification Test

2. O2 HEATER ELEMENT

Turn the ignition off.

NOTE: Allow the O2 Sensor to cool down to room temperature.

Disconnect the 1/1 O2 Sensor harness connector.
Measure the resistance across the O2 Sensor Heater element between the O2 Heater Control terminal and the O2 Heater ground terminal at the component.

NOTE: O2 Heater Element resistance values should be measured at 70° F (21.1° C). The resistance value will vary with different temperature values.

Q: Is the O2 Sensor Heater Element resistance between 2.0 and 30.0 ohms?

YES: Go To 3
NO: Replace the O2 Sensor. Perform the POWERTRAIN VERIFICATION TEST. See: A L L Diagnostic Trouble Codes ( DTC ) > Verification Tests > Powertrain Verification Test

3. (K99) O2 1/1 HEATER CONTROL CIRCUIT

pic 2

Ignition on, engine not running.
With a scan tool, actuate the O2 1/1 Heater Test with the Sensor harness connector still disconnected.
Using a 12-volt test light connected to ground, probe the (K99) O2 1/1 Heater Control circuit in the O2 Sensor harness connector.

Q: Does the test light illuminate brightly and flash on and off during the actuation?

YES: Go To 4
NO: Go To 5

4. (Z42) O2 HEATER GROUND CIRCUIT OPEN

Pic 3

Turn the ignition off.
Measure the resistance between an engine ground and the (Z42) O2 1/1 Heater ground circuit in the O2 Sensor harness connector.

Q: Is the resistance below 5.0 ohms?

YES: Replace the O2 Sensor. Perform the POWERTRAIN VERIFICATION TEST. See: A L L Diagnostic Trouble Codes ( DTC ) > Verification Tests > Powertrain Verification Test
NO: Repair the open in the (Z42) O2 1/1 Heater ground circuit. Perform the POWERTRAIN VERIFICATION TEST. See: A L L Diagnostic Trouble Codes ( DTC ) > Verification Tests > Powertrain Verification Test

5. (K99) O2 1/1 HEATER CONTROL CIRCUIT SHORTED TO BATTERY VOLTAGE

pic 4

Turn the ignition off.
Disconnect the C2 PCM harness connector.
Ignition on, engine not running.
Using a 12-volt test light connected to ground, probe the (K99) O2 1/1 Heater Control circuit in the O2 Sensor harness connector.

Q: Does the test light illuminate brightly?

YES: Repair the short to battery voltage in the (K99) O2 1/1 Heater Control circuit. Perform the POWERTRAIN VERIFICATION TEST. See: A L L Diagnostic Trouble Codes ( DTC ) > Verification Tests > Powertrain Verification Test
NO: Go To 6

6. (K99) O2 1/1 HEATER CONTROL CIRCUIT OPEN

pic 5

Turn the ignition off.

CAUTION: Do not probe the PCM harness connectors. Probing the PCM harness connectors will damage the PCM terminals resulting in poor terminal to pin connection. Install Miller Special Tool #8815 to perform diagnosis.

Measure the resistance of the (K99) O2 1/1 Heater Control circuit from the O2 Sensor harness connector to the appropriate terminal of special tool #8815.

Q: Is the resistance below 5.0 ohms?

YES: Go To 7
NO: Repair the open in the (K99) O2 1/1 Heater Control circuit. Perform the POWERTRAIN VERIFICATION TEST. See: A L L Diagnostic Trouble Codes ( DTC ) > Verification Tests > Powertrain Verification Test

7. PCM

NOTE: Before continuing, check the PCM harness connector terminals for corrosion, damage, or terminal push out. Repair as necessary.

Using the schematics as a guide, inspect the wire harness and connectors. Pay particular attention to all Power and Ground circuits.

Q: Were there any problems found?

YES: Repair as necessary. Perform the POWERTRAIN VERIFICATION TEST. See: A L L Diagnostic Trouble Codes ( DTC ) > Verification Tests > Powertrain Verification Test
NO: Replace and program the Powertrain Control Module per Service Information. Perform the POWERTRAIN VERIFICATION TEST. See: A L L Diagnostic Trouble Codes ( DTC ) > Verification Tests > Powertrain Verification Test

________________________

Let me know what you find or if you need help.

Take care,

Joe
Was this
answer
helpful?
Yes
No
+1
Saturday, July 27th, 2019 AT 5:45 PM
Tiny
NASER NASER
  • MEMBER
  • 836 POSTS
Thanks. I was hauling stuff from Lowes on my way home, and as usual the truck was going real slow uphill, almost as if it's out of gas and has no power at all. Stayed that way going up hill for 1/2 a mile then I heard something and all of a sudden the truck has all the power back, and drives normally. Still has the check engine light, haven't yet scanned it, drove it again few times, and still good, not sure what is going on. Another issue it has is that the A/C on driver side is cold only while driving, warm at idle, passenger side is always warm, not sure if a common issue.
Was this
answer
helpful?
Yes
No
Saturday, July 27th, 2019 AT 6:36 PM
Tiny
JACOBANDNICKOLAS
  • MECHANIC
  • 110,192 POSTS
Welcome back:

I wonder if the catalytic converter is loose on that bank and causing too much back pressure. That would result in lost power. If it moved and air can flow again, then you would have power again. Did you ever notice any rattling from the exhaust?

As far as the AC, I hate to ask, but I need you to start a new thread with that question. We are trying to keep the threads specific to one problem so it helps others. Most likely you have an issue with a blend air door actuator, but someone will better answer that when it's re-posted. Again, sorry about that.

Let me know about the exhaust. Was there a rattle?

Joe
Was this
answer
helpful?
Yes
No
Saturday, July 27th, 2019 AT 8:49 PM
Tiny
NASER NASER
  • MEMBER
  • 836 POSTS
Actually ya there is something rattling. I have not had time to get under there and look.
Was this
answer
helpful?
Yes
No
Sunday, July 28th, 2019 AT 4:56 AM
Tiny
JACOBANDNICKOLAS
  • MECHANIC
  • 110,192 POSTS
When you get a chance, take a rubber mallet and tap on the exhaust to see if the sound is coming from the converter.

Let me know what you find.

Joe
Was this
answer
helpful?
Yes
No
Monday, July 29th, 2019 AT 6:32 PM
Tiny
NASER NASER
  • MEMBER
  • 836 POSTS
There is rattling more likely from the muffler before getting the tips; like second to third down, haven't tapped the catalytic yet, I think maybe a chunk has broke off and maybe has blocked off flow.
Was this
answer
helpful?
Yes
No
Wednesday, July 31st, 2019 AT 12:55 PM
Tiny
JACOBANDNICKOLAS
  • MECHANIC
  • 110,192 POSTS
Welcome back:

It is very possible. Let me know what you find.

Joe
Was this
answer
helpful?
Yes
No
Wednesday, July 31st, 2019 AT 6:08 PM

Please login or register to post a reply.