HOME
ASK A QUESTION
REPAIR GUIDES
BECOME A MEMBER
LOG IN
Login with Facebook
OR
Remember me
NOT A MEMBER?
FORGOT PASSWORD?
CONTACT US
PRIVACY POLICY
TERMS AND CONDITIONS
☰
Home
Mercury
Sable
Engine
Intake Manifold
Torque
1999 Mercury Sable torque sequence
CAB7259
MEMBER
1999 MERCURY SABLE
6 CYL
2WD
AUTOMATIC
72,000 MILES
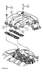
Need to know the sequence for upper and lower intake manifold
Sunday, December 14th, 2008 AT 7:41 AM
1 Reply
BMRFIXIT
MECHANIC
19,053 POSTS
Is this what your looking for ?
if not let me know
Was this
answer
helpful?
Yes
No
Sunday, December 14th, 2008 AT 8:31 AM
Please
login
or
register
to post a reply.
Related Intake Manifold Torque Content
Need Help
I Need Torque Seguence For Upper Intake Manifold. Need To Remove This To Put Spark Plugs In Rear Of Motor. The Motor Has Duel Overhead Cams...
Asked by
tburnside
·
1 ANSWER
1999
MERCURY SABLE
2000 Mercury Sable Mercury Sable Dohc
A Few Months Ago I Lost Heat In The Car So I Checked The Coolant And Saw That It Was Low. I Added Some More And The Heat Went Back To Normal...
Asked by
MaxWS
·
3 ANSWERS
2000
MERCURY SABLE
2000 Mercury Sable
A Few Months Ago I Lost Heat In The Car So I Checked The Coolant And Saw That It Was Low. I Added Some More And The Heat Went Back To Normal...
Asked by
MaxWS
·
1 ANSWER
2000
MERCURY SABLE
1999 Mercury Sable Starter Fails To Turn Engine
Engine Problem 1999 Mercury Sable 95,000 Miles Last Night I Returned To Iowa From 400 Mile Trip To Minnesota. Car Ran Fine All...
Asked by
sableowner
·
1 ANSWER
6 IMAGES
1999
MERCURY SABLE
1999 Mercury Sable After Belt Replacement, Can't...
Engine Mechanical Problem 1999 Mercury Sable 6 Cyl Front Wheel Drive Automatic Wifes Sable Ate The Serpentine Belt Last Week. Got...
Asked by
cubswillwin
·
1 ANSWER
1999
MERCURY SABLE
VIEW MORE
Ask a Car Question. It's Free!