Hello thripplel
Welcome to 2carpros.com
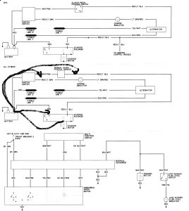
Use a jumper wire to bypass the starter control circuit (jumper wire from Bat+ to starter)
If starter does not crank, replace it
If starter cranks, use jumper wire from Bat+ to solenoid terminal.
If starter does not crank, the solenoid is defective.
If starter cranks, use jumper wire to bypass the neutral safety switch
If starter does crank, the safety switch is defective
If starter cranks, bypass the ignition switch.
If starter does not crank the ignition switch is defective
If starter cranks, there is an open in the circuit between the Bat + and the ignition switch
Here is the diagram I'm sending to your email for better view.

Sunday, January 24th, 2010 AT 9:02 PM