1989 Mazda B2200 Air vent solenoid/idle solenoid

Tiny
STEELGOAT
  • MEMBER
  • 1989 MAZDA B2200
Below I have included all the previous posts related to my problem. It seems to be one thing after another. Truck was running fine with a jumper wire in place to what You called a idle solenoid, but my manual calls an air vent soleniod. Like I was saying, running fine, but was shutting off when it wanted. Replaced ignition controller in distrubitor and it now starts when we want it to and shuts off only when we want it to. But now I would like to remove the jumper from the air vent solenoid and have it receive power from the proper source. The continuity of the wire going to the solenoid is good if I jump the plug that goes into the pressure sensor that feeds thhe solenoid it clicks and I found that if I supply power to the black/white stripe wire that I traced it to that goes into the top of the carb it also makes it click. This is as far as I can get with out some help.I would like to follow through on this till the problem is fixed completly. I donated for the first question and was not sure if I was entitled to follow ups on that question or not, so I have donated again. Also, is there any where on line where I can find detailed wiring diagrams for this truck? Thank You in advance and have a good and peaceful day.

I seem to have the same problem as need help bad. My truck runs well, but when you let off the gas it stalls. The carb has been rebuilt and the vac leaks as far as I know have been taken care of. I checked the idle solinoid as You told him and mine does not click when the power is on. When I jump the solinoid from the battry it clicks. When I hold the jumper in place it idles much faster. With the power on my meter reads 0.08 volts at the solinoid. Please help
Paul

i have a mazda b2200 1989 I came to a stop light and it studder and stalled I started it back up and came to the next stop and it studder bad I changed the fuel filter and cleaned the carb a little bit after I cleaned the carb it seemed to be better but started to studder again and then it stalled so I cleaned the carb again and it continues to do the same thing over and over please I really need to get my truck back on the road also when I start it up and put it into drive and reverse it stalls out any help would be greatful thanx

Paul:

It sounds like the wiring to the solenoid is broken internally. Follow the wire from end to end and check for continuity. I feel you will need to replace the wire.
Saturday, September 26th, 2009 AT 9:29 AM

1 Reply

Tiny
KHLOW2008
  • MECHANIC
  • 41,814 POSTS
Hi Paul,

You should have replied to the previous post so that whoever was attending to you can be notified and respond accordingly.

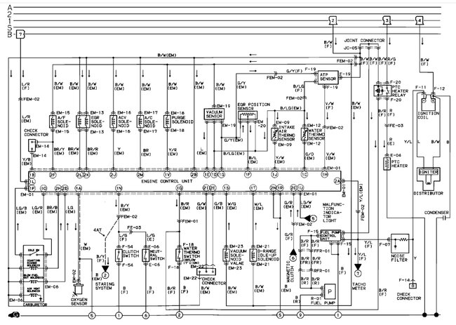
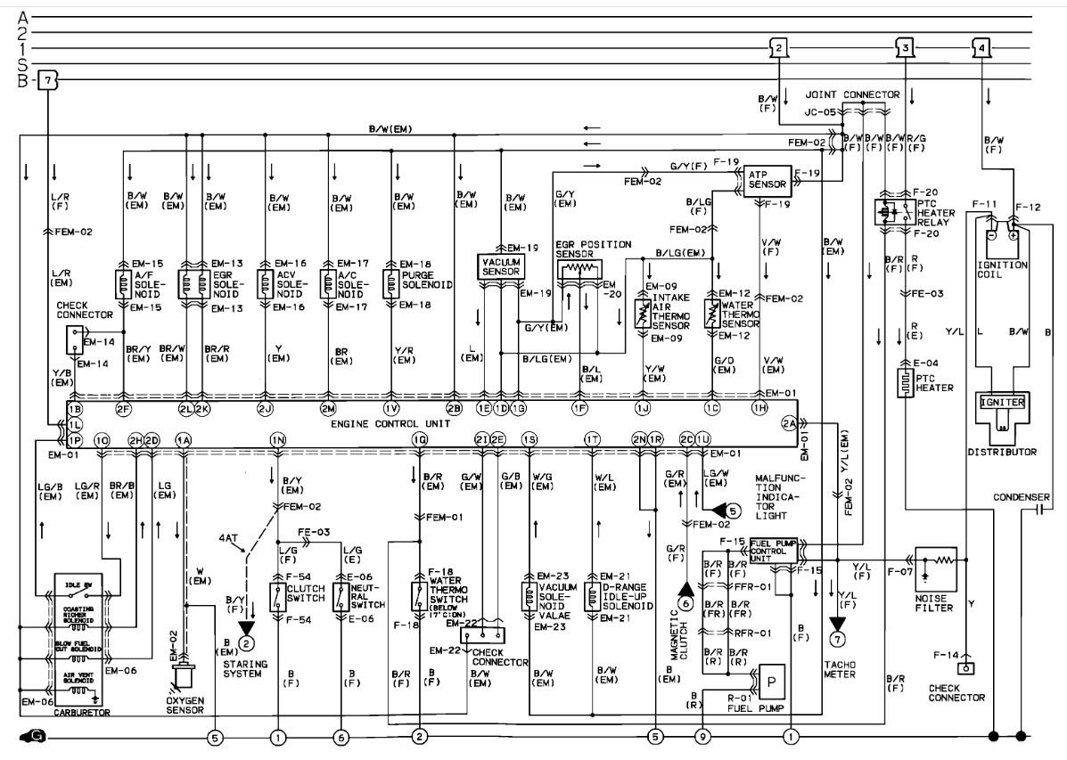
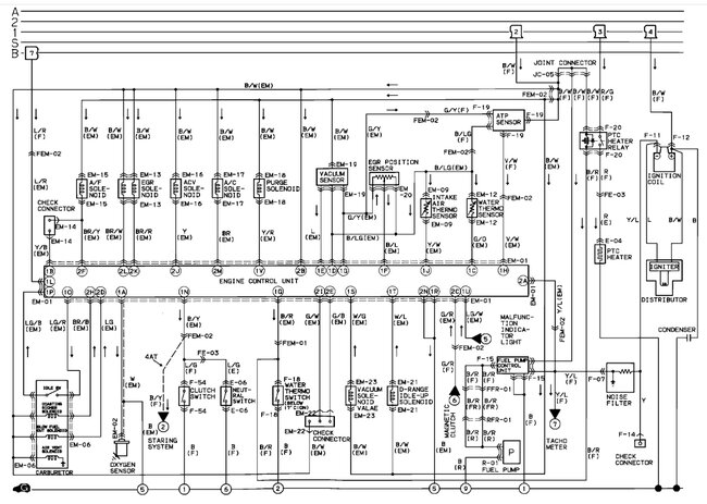
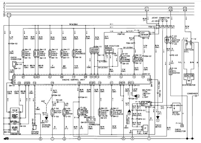
Here are the wiring schematic, you might have a fault with the control unit.


https://www.2carpros.com/forum/automotive_pictures/192750_EngineControl89B2200Fig02a_1.jpg



https://www.2carpros.com/forum/automotive_pictures/192750_EngineControl89B2200Fig02b_1.jpg



Check out the images (below). Let us know what you find.
Was this
answer
helpful?
Yes
No
+1
Sunday, September 27th, 2009 AT 7:39 AM

Please login or register to post a reply.