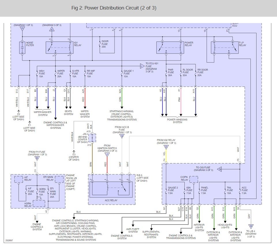
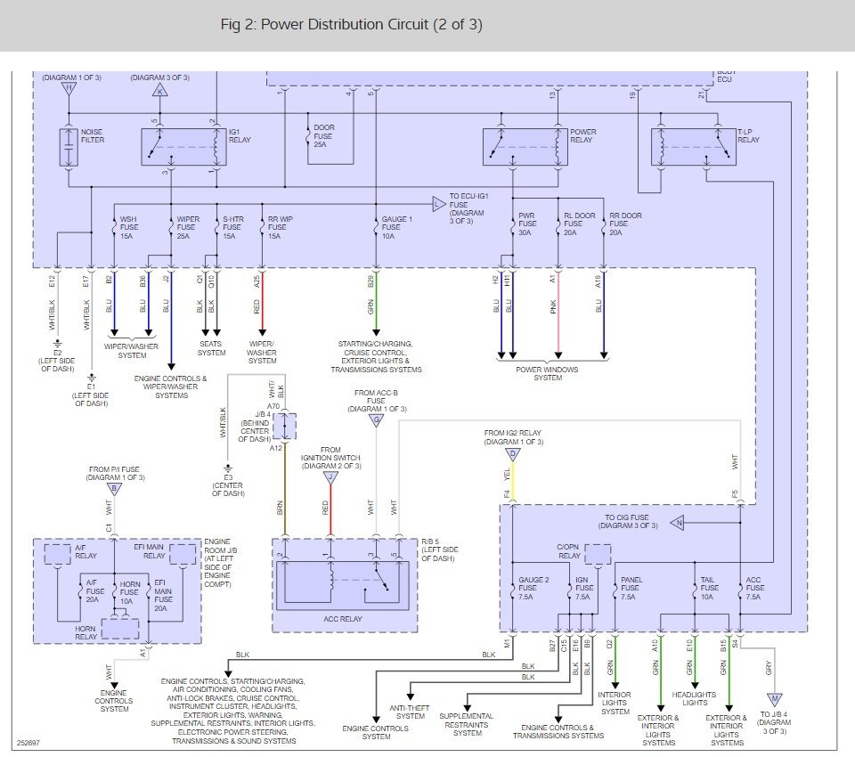
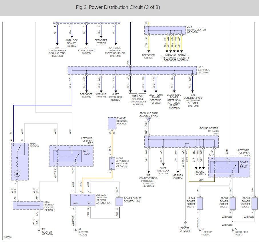
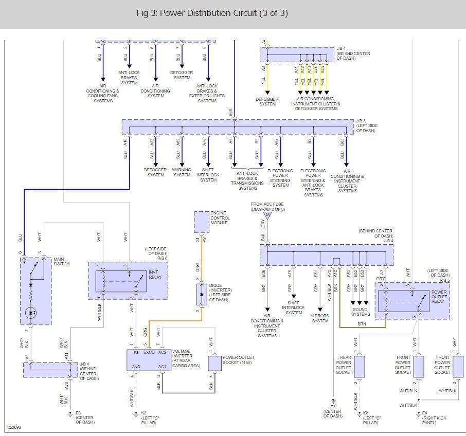
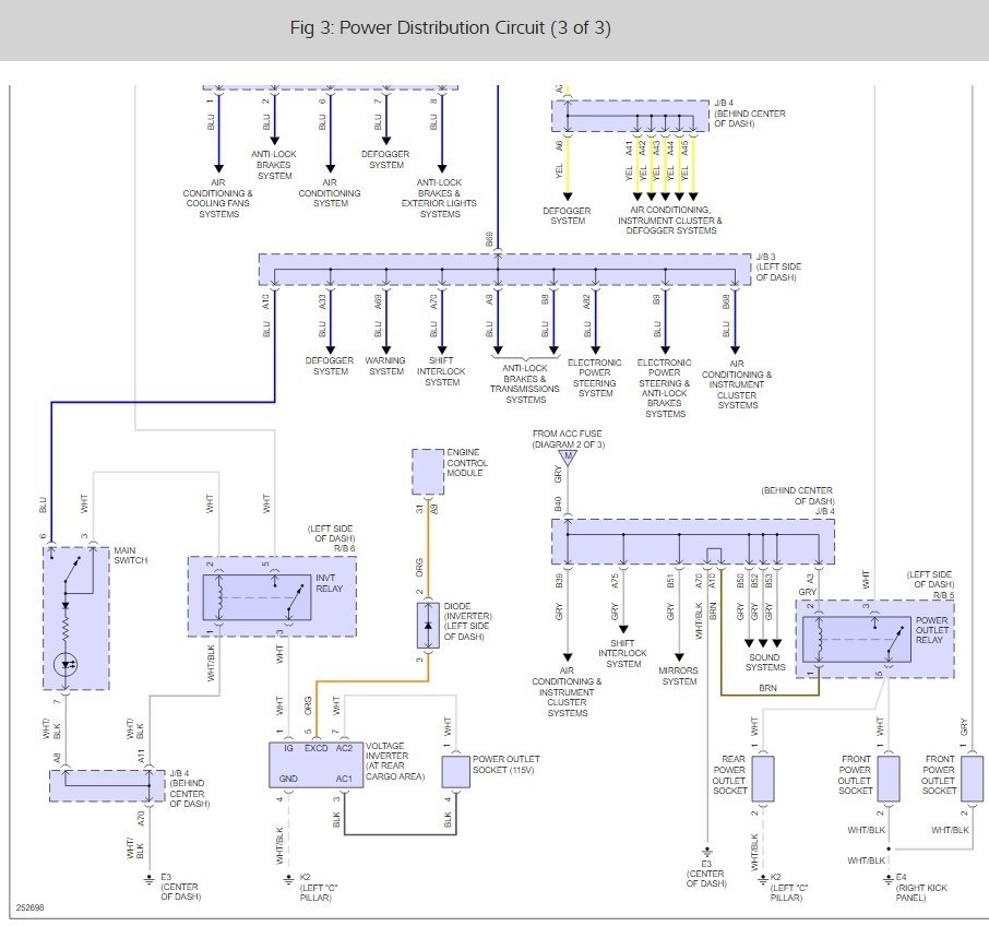
Wednesday, June 21st, 2017 AT 5:51 PM
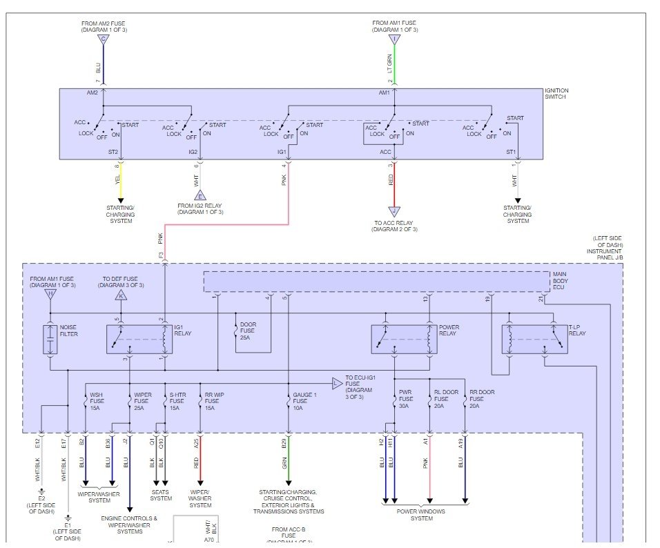
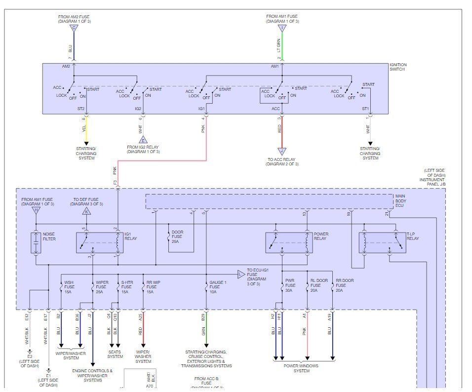
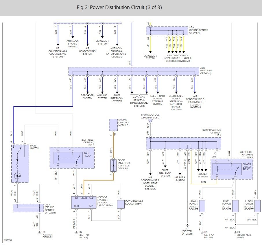
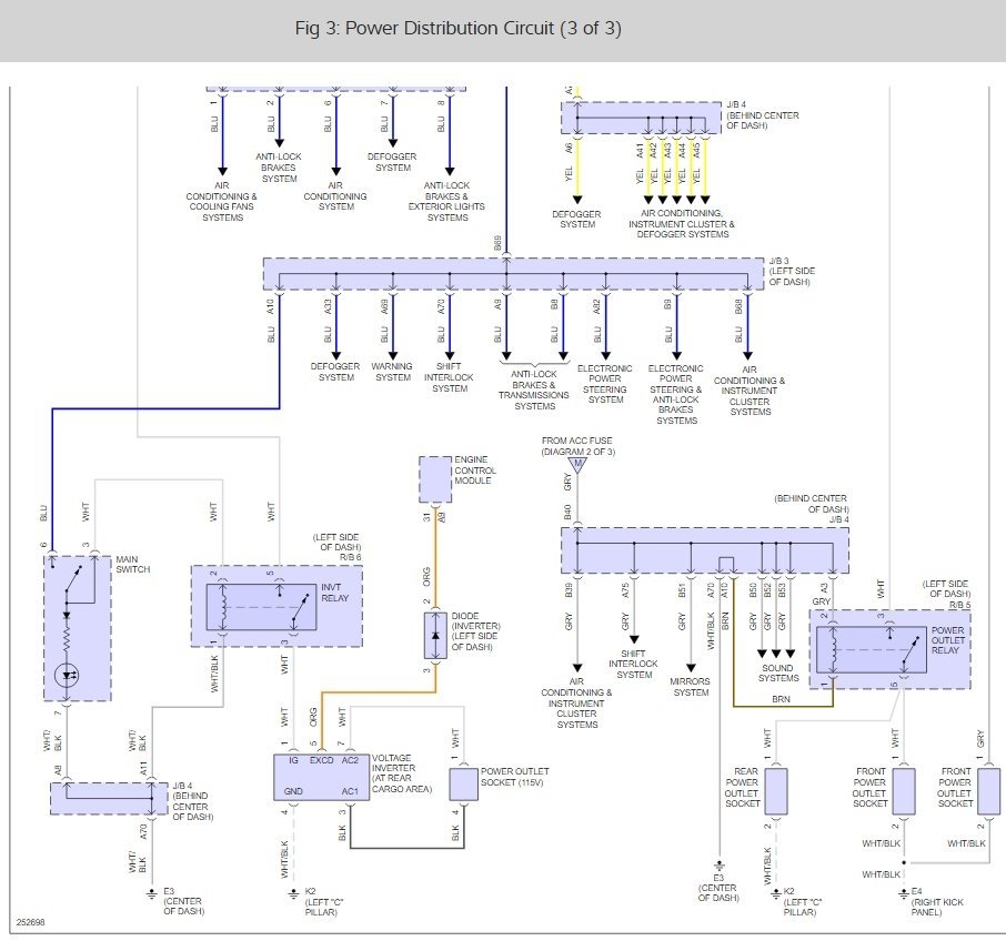
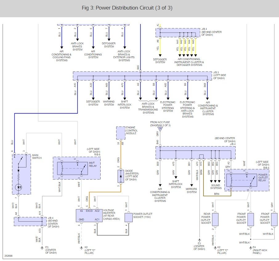
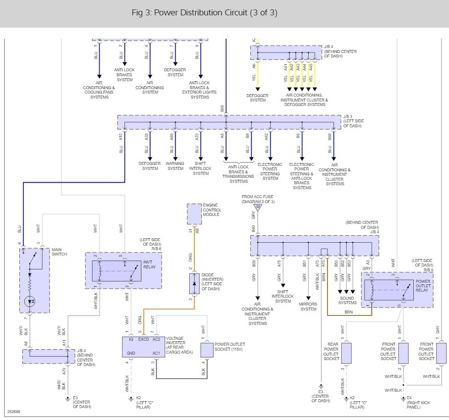
All dash lights come on at times and I will not have any steering and it locks in park. We ran a code reader on it and it tells me that the o2 sensor bank one sensor two is bad. I cannot believe this could be the cause of my problem. Can you help me?





