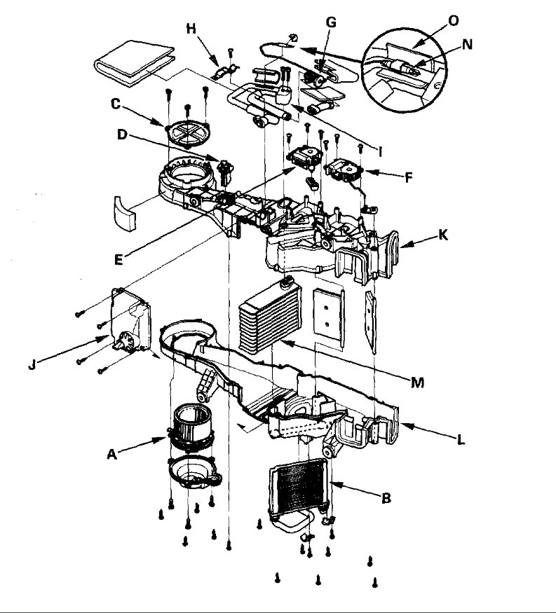
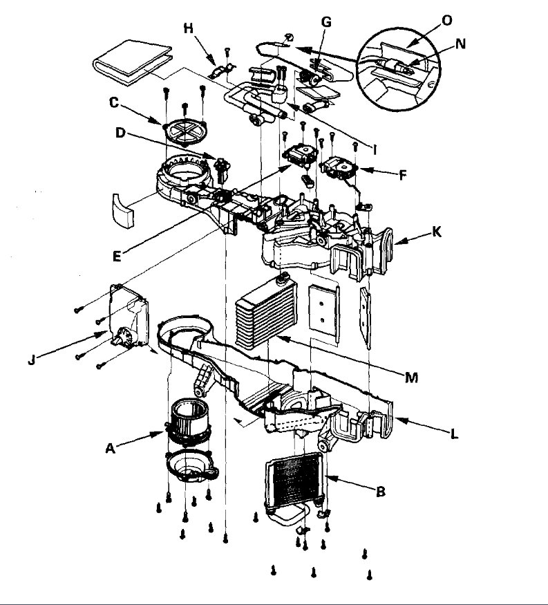
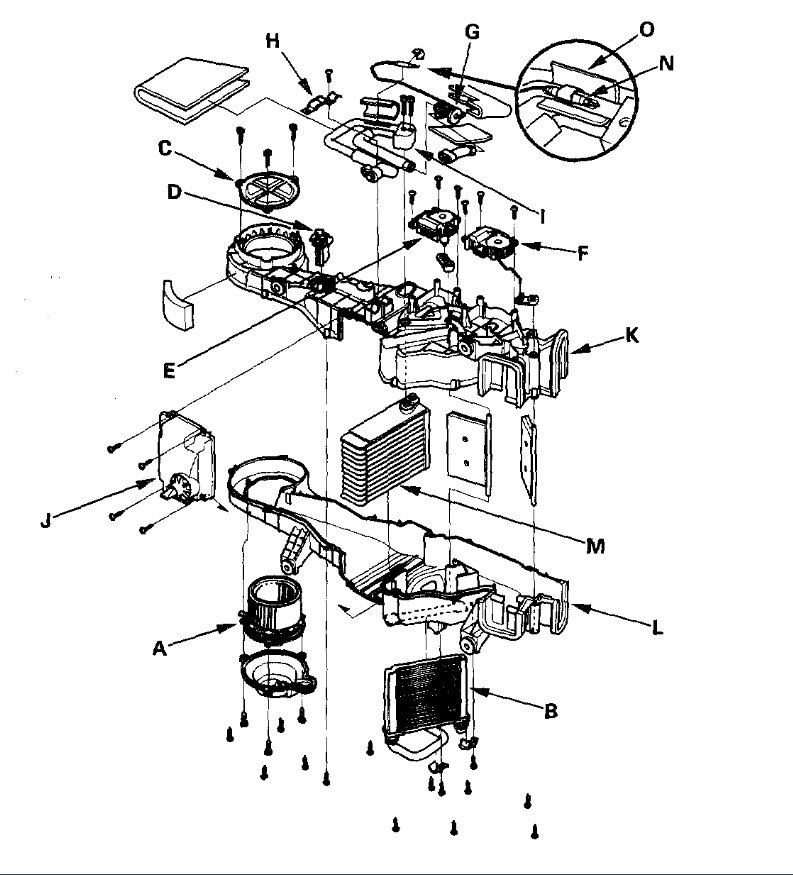
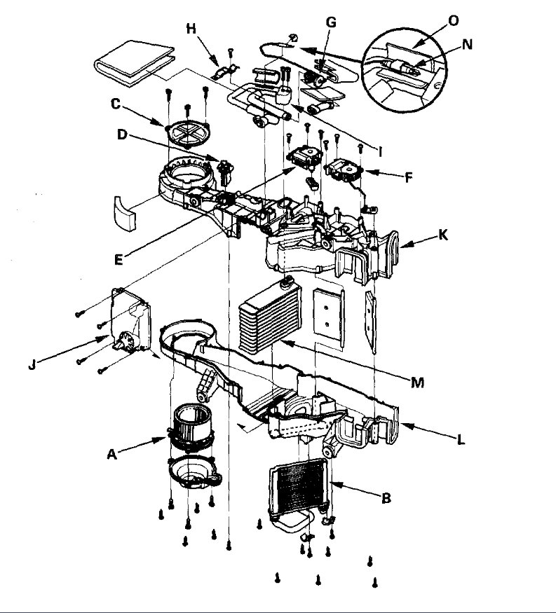
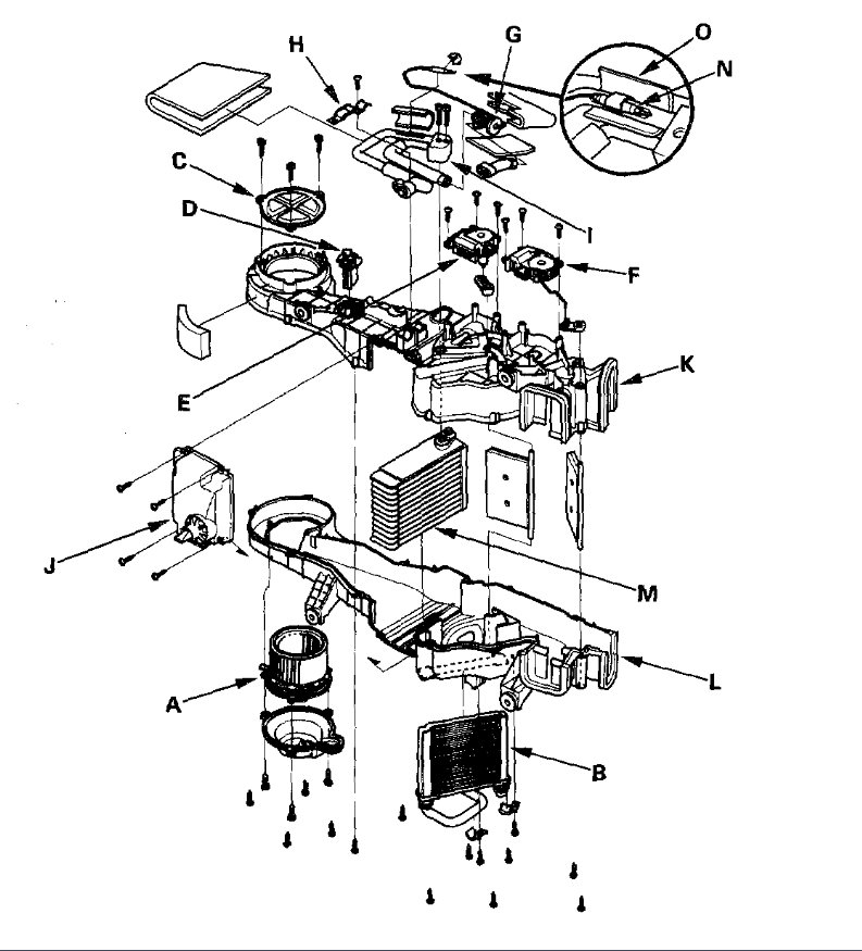
Location of rear A/C expansion valve

2004 ACURA MDX
186,000 MILES • 3.5L • 6 CYL • AUTOMATIC
Avatar
PEG2008
  • MEMBER
  • 2 POSTS
Where is the rear A/C expansion valve located under the gear shift/middle console at?
Mar 22, 2019 at 11:52 AM
Advertisement
Repair Safety Notice: This information is for general instructional purposes only. Vehicle repair can be dangerous. Verify all information, follow manufacturer service procedures, use proper tools and safety equipment, and consult a qualified repair shop when needed.
Avatar
SCGRANTURISMO
  • AUTOMOTIVE REPAIR CONTRIBUTOR
  • 4,897 POSTS
Hello,

I have included the information that you requested in the diagrams down below. I have also included the step by step directions for the removal and installation of the rear A/C expansion valve. Please get back to us with what you find out please.

Thanks,
Alex
2CarPros
Mar 22, 2019 at 1:18 PM
Avatar
PEG2008
  • MEMBER
  • 2 POSTS
Thank you we found it now. we didn't know if it was more up front or in the back of the middle console. This was very helpful.
Mar 22, 2019 at 1:56 PM
Advertisement