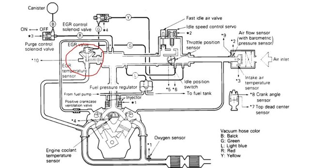
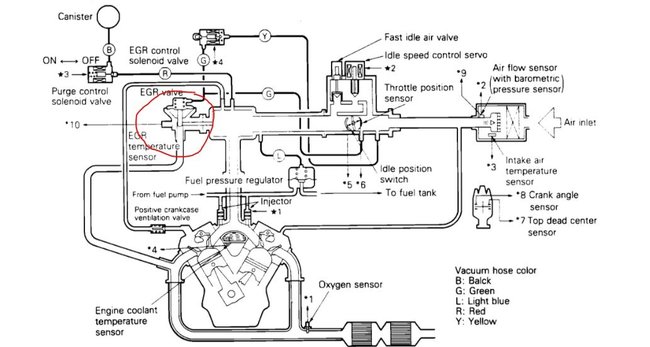
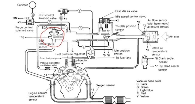
Location of EGR valve

Tiny
JERRY FICKEISEN
  • MEMBER
  • 1991 MITSUBISHI MONTERO
  • V6
  • 180,000 MILES
Cannot find EGR valve.
Friday, September 25th, 2020 AT 1:41 AM

1 Reply

Tiny
ASEMASTER6371
  • MECHANIC
  • 52,796 POSTS
Good morning,

It is on the upper intake manifold at the throttle body itself? It has a vacuum line to it and is secured by 2 bolts.

https://www.2carpros.com/articles/how-emission-control-systems-work

What makes you think the valve is bad?

I attached a better picture of its location as well.

Roy

Was this
answer
helpful?
Yes
No
-1
Friday, September 25th, 2020 AT 2:24 AM

Please login or register to post a reply.