Code P0128, where is the CHT (Temperature Cooling) Sensor located?

Tiny
ROBERT CAPLAN
  • MEMBER
  • 2006 LINCOLN TOWN CAR
  • 146,000 MILES
Code P0128. Various sources show the sensor to be in various places. Where is it and do I have to move the alternator to get to it?
Sunday, April 10th, 2022 AT 6:45 AM

1 Reply

Tiny
CARADIODOC
  • MECHANIC
  • 34,491 POSTS
P0128 - ECT Below Thermostat Regulating Temperature

These first two drawings are for the cylinder head temperature sensor you requested. The generator does indeed need to be removed.

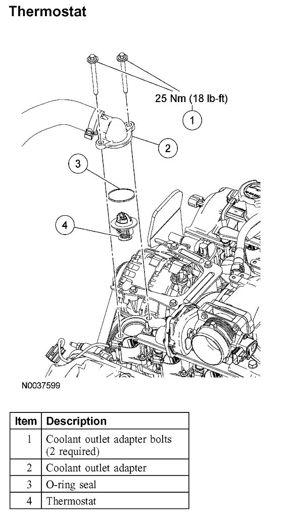
Be aware a properly working CHT sensor is required to set diagnostic fault code P0128. This code won't be solved by replacing the sensor. Code 128 is almost always set due to a thermostat that's sticking open or is opening too soon. If that is what you find, the last two drawings show the procedure for replacing the thermostat.

Please keep is updated on your progress.
Was this
answer
helpful?
Yes
No
+1
Sunday, April 10th, 2022 AT 11:41 AM

Please login or register to post a reply.