Tuesday, July 6th, 2021 AT 8:09 AM
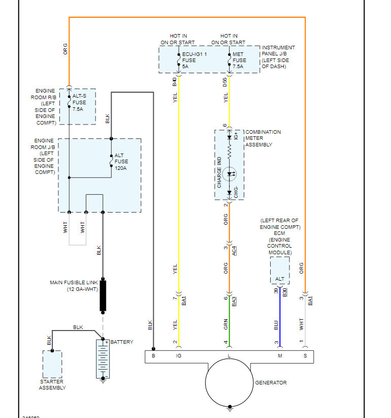
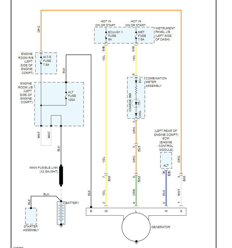
I'm trying to replace the main fusible link that connects from the alternator to the battery. In wiring diagrams it shows it is a 12 gauge wire. Toyota shows it to be a white box located in the fusebox. Could someone help me figure out which is the right part? Thanks. Any pictures or diagrams would be very helpful. Thanks!





