Little bit of coolant in the oil pan

Tiny
LU2019
  • MEMBER
  • 1998 VOLKSWAGEN GOLF
  • 2.0L
  • 4 CYL
  • 2WD
  • MANUAL
  • 145,000 MILES
Hi there

i replaced an o ring seal between the oil cooler and the oil filter and now there is a little bit of coolant mixed in the engine oil with a milky oil cap, do you think I should flush both coolant and oil? I did not notice any issues at the present but I am wondering if it could cause more damages in the future?
thanks
Wednesday, January 23rd, 2019 AT 6:38 PM

1 Reply

Tiny
JACOBANDNICKOLAS
  • MECHANIC
  • 110,192 POSTS
Hi and thanks for using 2carpros. Com

Yes, change the oil. You don't want any coolant in the system. As far as the o-ring replacement, that is most likely when it happened. However, if you change the oil and find more coolant mixing, you must remove the cooler and check for leaks.

Here are the directions for replacing the o-ring. Review them to confirm you did it correctly.

CAUTION
If large amounts of metal shavings or small metal particles are found in the engine oil, caused by wear of crankshaft and connecting rod bearings, thoroughly clean the oil passages to remove contaminants and help prevent later damage.
The oil cooler cannot be sufficiently cleaned, and must be replaced.

See Pic 1

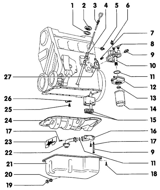
Lubrication system, components

10- Oil filter bracket

11- O-ring
Always replace

12- Oil cooler
On flange side coat contact surfaces outside seal with AMV 188 100 02
Ensure clearance to surrounding components

CAUTION
Part numbers are listed here for reference only. Always check with your Parts department for the latest information.

13- 25 Nm (18 ft lb)

14- Oil filter
Loosen with filter wrench
Tighten by hand
Note installation instructions on filter

_________________________________________

Let me know if this helps or if you have other questions.

Joe
Was this
answer
helpful?
Yes
No
Wednesday, January 23rd, 2019 AT 7:49 PM

Please login or register to post a reply.

Related Engine Coolant In Oil Content

Can You Fix a Head Gasket with a Sealer?
VIDEO