Left taillight and license plate light's fuse keeps popping

Tiny
CHRIS MIZSERO
  • MEMBER
  • 2012 RAM 3500
  • 6.7L
  • 6 CYL
  • TURBO
  • 4WD
  • AUTOMATIC
  • 336,000 MILES
Hi guys, just having a problem for my landlord's truck. The fuse keeps popping for the left tail license plate lights. The taillight comes on for a minute, if that, before it pops.

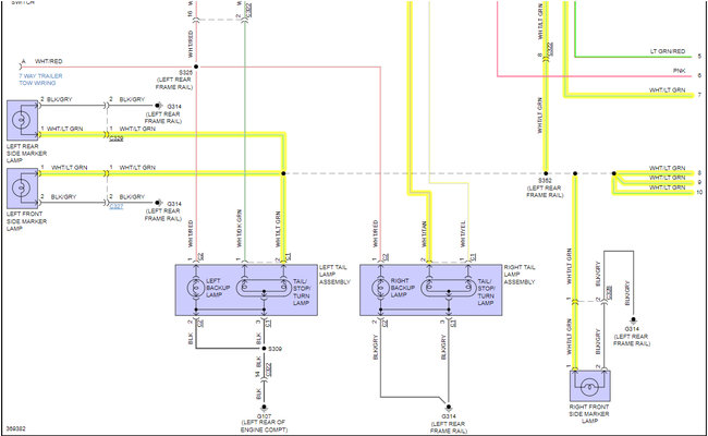
Wondering if we could get a diagram to see where these wires come/go for them. The one under the truck may be an aftermarket. But otherwise, the one in the light housing is stock.
Thursday, February 10th, 2022 AT 11:53 AM

1 Reply

Tiny
AL514
  • MECHANIC
  • 5,584 POSTS
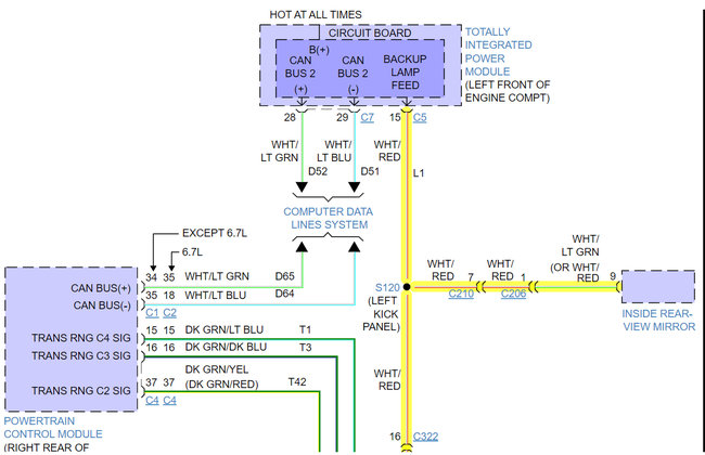
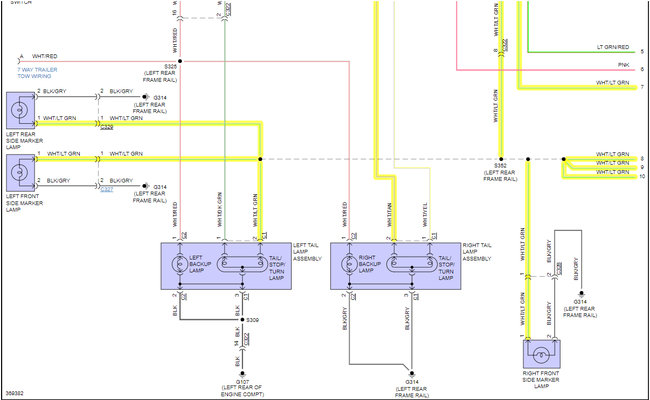
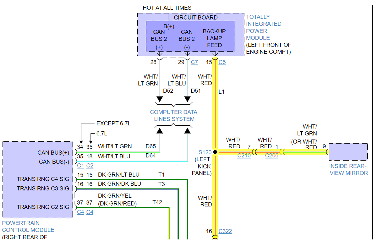
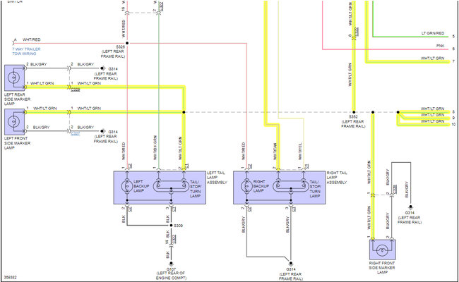
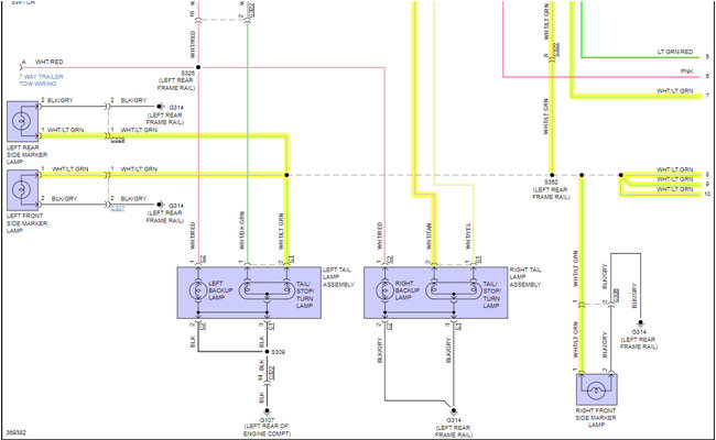
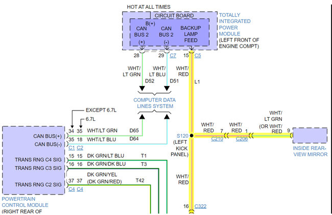
Hello, looks like you have a mess of wiring there, looking at your pictures. That blue clip on the wire, those are not protected from moisture, so I would get rid of it or replace that. Also, I see that ground connection in the first picture that's all rusted, you'll want to clean that up and make sure it's a nice clean connection there. I will post wiring diagrams for the taillamp and license plate circuits for you. This is the 3500-pickup truck, correct? There is a van sub-model for this, why I'm asking. Let me know if any other fuses are popping, or if you need any other diagrams.
I'm not sure where that reddish wire came from, that might be part of a trailer lighting setup.

Okay, they are a part of the trailer lighting. (Last 2 diagrams)
Was this
answer
helpful?
Yes
No
Thursday, February 10th, 2022 AT 12:25 PM

Please login or register to post a reply.