Saturday, December 21st, 2019 AT 7:38 AM
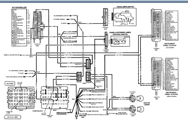
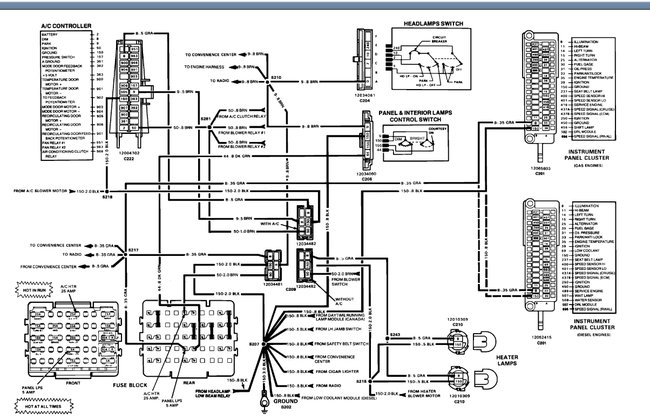
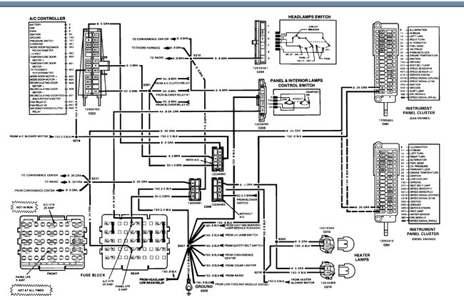
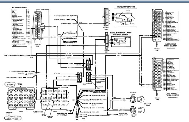
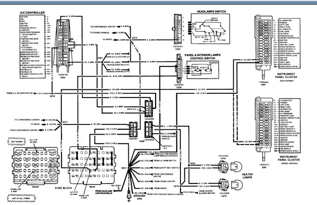
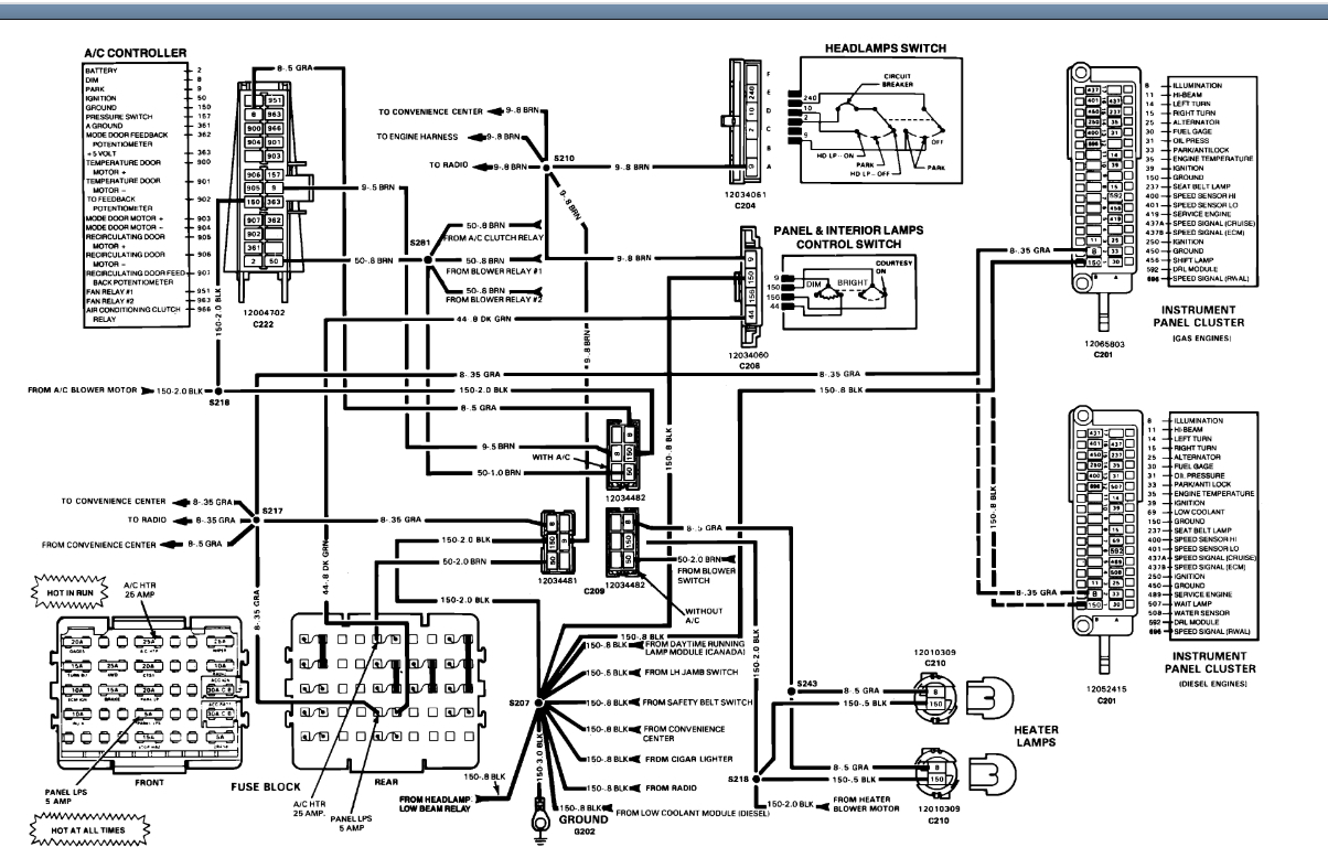
When I turn the ignition off the LED on the heater/AC stays on. Sometimes with some of the LED display. Now and then I can press a control on off or A/C until I hear click under the dash then turn the key back off and it goes off. Sometimes I can just turn the key on and off until it goes off. Could this be a relay or the main control? I think this could be part of my battery drain issue I have also.




