Codes, P2303, P2305, P2308 and P2311, knocking replaced spark plugs and coils?

Tiny
RON BICKERS
  • MEMBER
  • 2008 JEEP PATRIOT
  • 2.4L
  • 4 CYL
  • 4WD
  • AUTOMATIC
  • 197,000 MILES
Had a misfire in cylinder 3, replaced spark plugs and coils and now have error codes, p2303, p2305, p2308, p2311. Not sure what the issue is.
Monday, March 13th, 2023 AT 10:15 AM

1 Reply

Tiny
BRENDON S
  • MECHANIC
  • 653 POSTS
Good morning, RON BICKERS,

I am curious about the knocking though are you hearing it, or do you have a code for it?

If you are hearing it take the plugs out and inspect them to make sure they are not hitting the piston.

When you got the parts did everything match up?

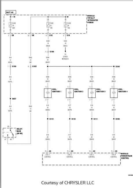
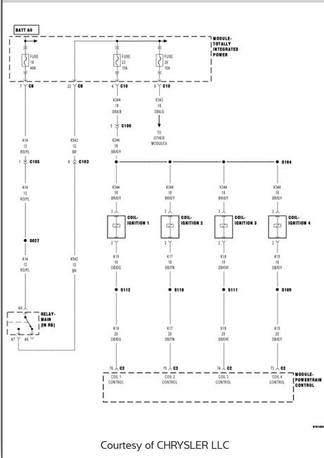
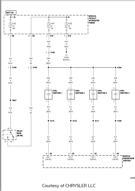
P2303-Ignition Coil 'B' Primary Control Circuit Low
P2305-Ignition Coil 'B' Secondary Circuit
P2308-Ignition Coil 'C' Secondary Circuit
P2311-Ignition Coil 'D' Secondary Circuit

The coils are laid out A, B, C, D. "A" being the closest to the front of the engine or where the serpentine belt is then continues down the line. Because you have a primary and secondary circuit code but don't seem to affect all the cylinders, we should look at the wiring first.

I would visually inspect the wiring harness. With the ignition off look for any chafed, pinched, or partially broken wires. Also check for any broken, bent, pushed out or corroded terminals. When checking the harness make sure to be very thorough.

I will add some images of other tests you can perform if no damage to the harness is found. Follow each step completely without skipping anything.

In my opinion I believe the problem might be in the harness on top of the motor probably closer to the "D" coil

Hope this helps.

Thank you,
Brendon
2CarPros
Was this
answer
helpful?
Yes
No
Tuesday, March 14th, 2023 AT 6:12 AM

Please login or register to post a reply.