Knock sensor replacement

Tiny
RR6PAK71
  • MEMBER
  • 2005 DODGE STRATUS
  • 3.0L
  • 6 CYL
  • 2WD
  • AUTOMATIC
  • 77,000 MILES
How do I replace the knock sensor on the car listed above with a V6 engine?
Friday, March 20th, 2020 AT 10:24 AM

5 Replies

Tiny
ASEMASTER6371
  • MECHANIC
  • 52,796 POSTS
Good afternoon,

The lower intake manifold needs to be removed in order to access the sensor.

Are you sure it is bad? How did you determine it?

If you have a code, can you post it so we can verify it for you.

Roy
Was this
answer
helpful?
Yes
No
Friday, March 20th, 2020 AT 10:43 AM
Tiny
KASEKENNY
  • MECHANIC
  • 18,907 POSTS
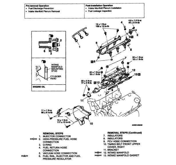
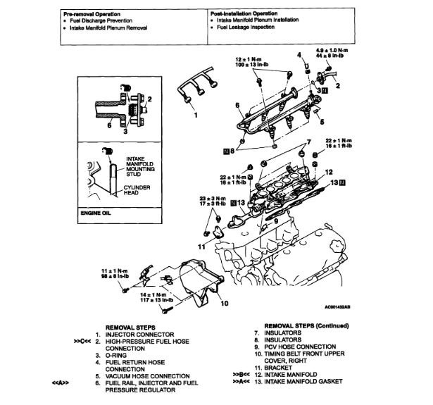
I attached the process for doing this. You need a special socket that has a cut out in it so the harness is not damaged when installing it. If you don't have this, you can pick one up at most parts stores. They are pretty common.
Was this
answer
helpful?
Yes
No
Friday, March 20th, 2020 AT 10:45 AM
Tiny
RR6PAK71
  • MEMBER
  • 3 POSTS
Does the intake has to come off? Engine is 2.7 V6.
Was this
answer
helpful?
Yes
No
Thursday, April 2nd, 2020 AT 4:41 AM
Tiny
RR6PAK71
  • MEMBER
  • 3 POSTS
ASEMASTER6371- The "warning" light came on. I took it in and had it scanned. The garage told me it was the sensor. Sensor is cheap, labor isn't. They said that the sensor adjust timing to prevent "pinging" but the car is running fine. Cost is like 2g almost. I don't have the code the scanner came up with.
Was this
answer
helpful?
Yes
No
Thursday, April 2nd, 2020 AT 4:46 AM
Tiny
ASEMASTER6371
  • MECHANIC
  • 52,796 POSTS
Okay, did he check and see if the signal from the sensor was correct? He needs an advanced scan tool that can read the knock sensor.

A simple test is to view the timing and take a small hammer and tap the top of the motor with it running. The timing should change on the scan tool. If it does, it is working. If it does not, it is not working and further checks have to be done.

Roy
Was this
answer
helpful?
Yes
No
Thursday, April 2nd, 2020 AT 4:59 AM

Please login or register to post a reply.