Knock sensor reading on check engine light

Tiny
CHARLES4552
  • MEMBER
  • 2003 GMC SIERRA
  • 6.0L
  • V8
  • AWD
  • AUTOMATIC
  • 96,000 MILES
Need to know where the knock sensor is located
Saturday, March 21st, 2015 AT 4:53 PM

5 Replies

Tiny
CJ MEDEVAC
  • MECHANIC
  • 11,005 POSTS
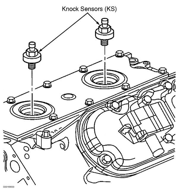
FOUND YOU A DIAGRAM IN "PRODEMAND"

SEE IT BELOW

THE MEDIC
Was this
answer
helpful?
Yes
No
Saturday, March 21st, 2015 AT 7:09 PM
Tiny
THIS IS MIKE
  • MECHANIC
  • 686 POSTS
Charles4552
emailed response:
Are u sure? Auto zone says it's on the drivers side just in front of the oil filter and below plugs. They only sold me one. Not two. Thank you for tor answers.
Charles
Was this
answer
helpful?
Yes
No
Monday, March 23rd, 2015 AT 9:38 AM
Tiny
CJ MEDEVAC
  • MECHANIC
  • 11,005 POSTS
I'M SURE THAT'S WHAT "PRODEMAND" SAID!

I WENT A STEP FURTHER

SEE MY PIC BELOW

THIS MIGHT SAVE YOU $10 THIS TIME

MAY SAVE YOU A WHOLE BUNCH LATER, "A124" WORKED (ONCE AGAIN!) FOR ME ABOUT A WEEK AGO! SEEMS LIKE IT JUST DON'T WANNA EXPIRE!

https://www.2carpros.com/questions/2001-dodge-neon-milage-just-want-put-fliuds-their-locations

LEMME KNOW IF YOU NEED ME TO LOOK AGAIN,

THIS TIME I WILL NEED EVERY BIT OF INFO THAT DESCRIBES YOUR TRUCK (1500/2500HD/ ETC) THE INFO ALREADY PROVIDED DOESN'T GET ME INTO PRODEMAND AS FAR AS I COULD GO, I WAS BANKING ON THE GM 6.0 LITER BEING THE SAME THROUGHOUT

YOU NEED TO RETURN TO THIS POST!

SHOULD SOMEONE ELSE BE SURFING FOR INFO IN 2CARPROS, THEY'LL MISS OUT ON YOUR END OF THE CONVERSATION!

THE MEDIC
Was this
answer
helpful?
Yes
No
Monday, March 23rd, 2015 AT 3:44 PM
Tiny
CHARLES4552
  • MEMBER
  • 2 POSTS
Thank you for your reply have been quoted $465 to replace both sensors New connector, New gaskets for manifold and throttle body etc. About 3 hours work. This is a 2003 GMC Serria Denali AWD. QUAD STEER. Checked three shops all about the same. Using the shop that does the "Street Outlaws" TV show.

Thank you.
Was this
answer
helpful?
Yes
No
Monday, March 23rd, 2015 AT 5:14 PM
Tiny
CJ MEDEVAC
  • MECHANIC
  • 11,005 POSTS
RECKON YOUR RIG WILL BECOME A T.V. STAR!

WHEN I WENT INTO PRODEMAND, I TOOK A WILD GUESS OF "SIERRA 1500 DENALI" TO FILL IN THE PROMPTS

GLAD I WAS OF SOME HELP

THESE MODERN VEHICLES WILL EAT YOU ALIVE IN REPAIRS, HECK, EVEN JUST A PLAIN JANE TUNE-UP.

EVER THOUGHT "JEEP CJ"?

CONSTANTLY FOR ME, EVEN IN MY DREAMS!

JUST INSTALLED A NEW COMPRESSOR FOR MY TRAIN HORN, THE OLD ONE'S MOTOR SHAFT BROKE OFF EVEN WITH THE WINDINGS :-(

BACK IN BUSINESS NOW! WATCH OUT SWERVING TEXTERS!

FEEL FREE TO RETURN WITH MORE GOOD NEWS, THIS POST AIN'T GOING NO WHERE!

THE MEDIC
Was this
answer
helpful?
Yes
No
Monday, March 23rd, 2015 AT 6:57 PM

Please login or register to post a reply.