Wednesday, May 30th, 2018 AT 4:44 PM
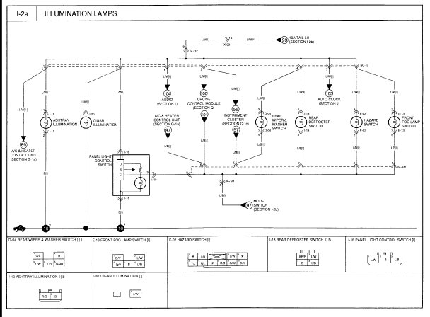
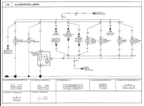
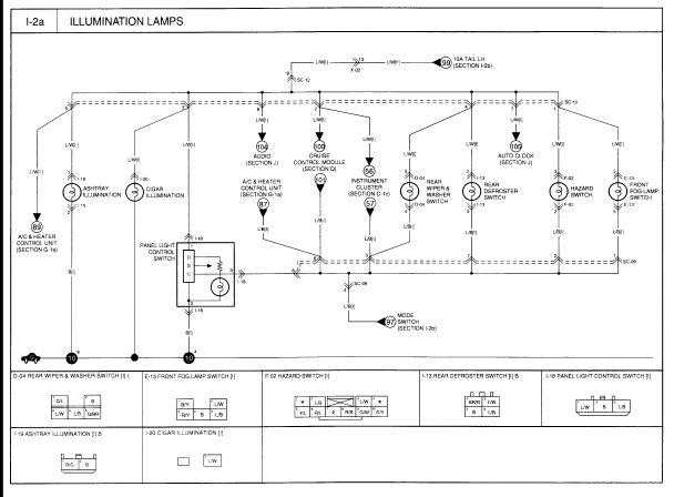
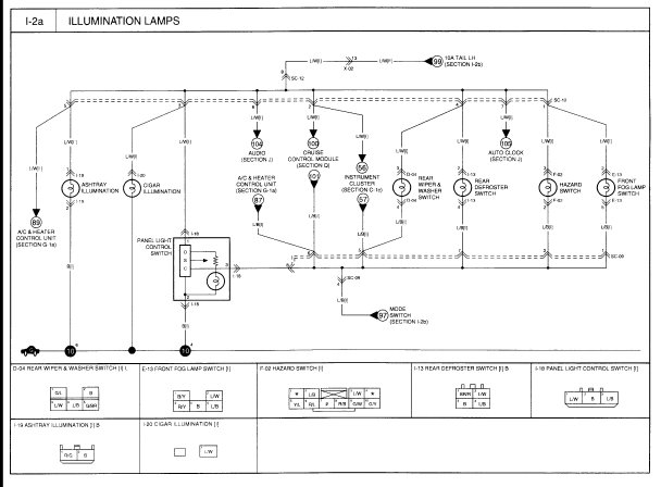
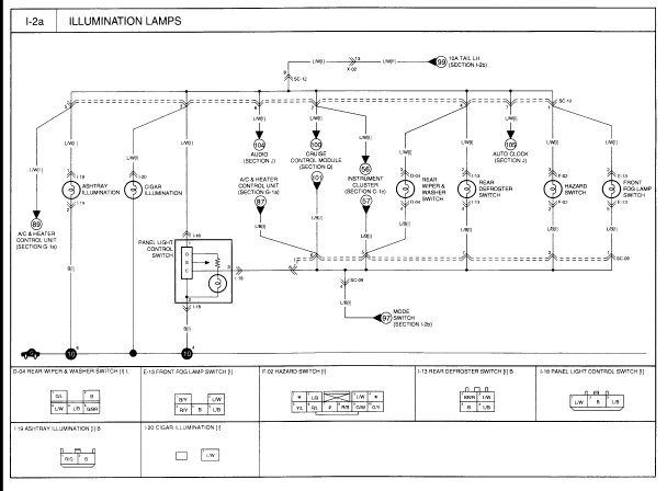
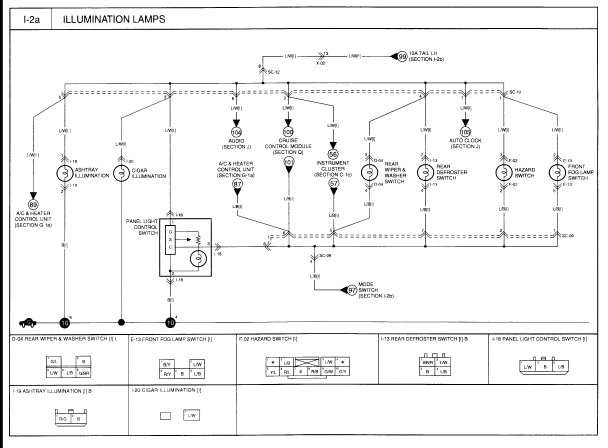
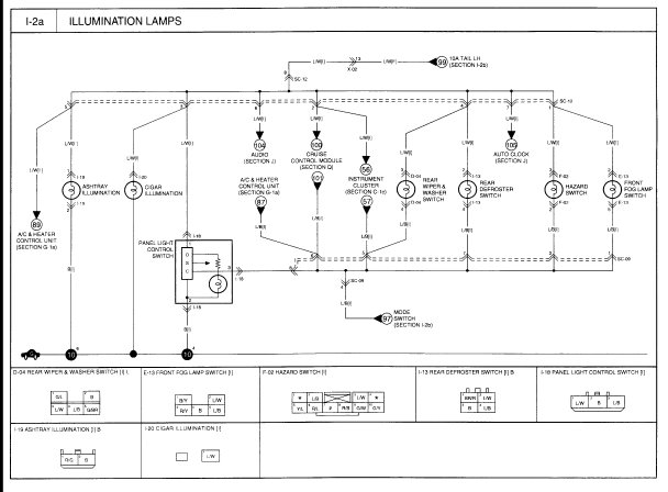
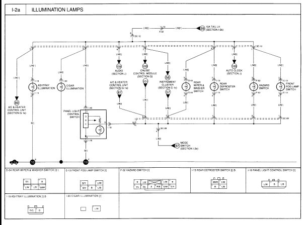
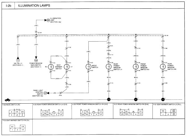
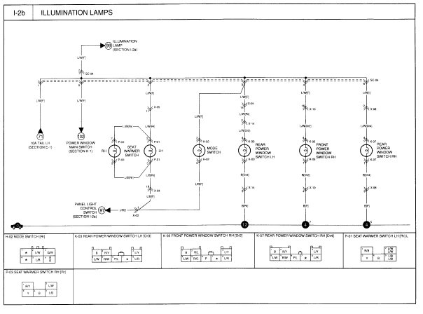
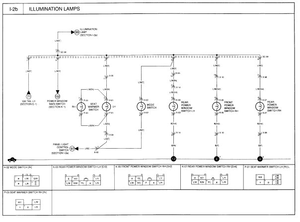
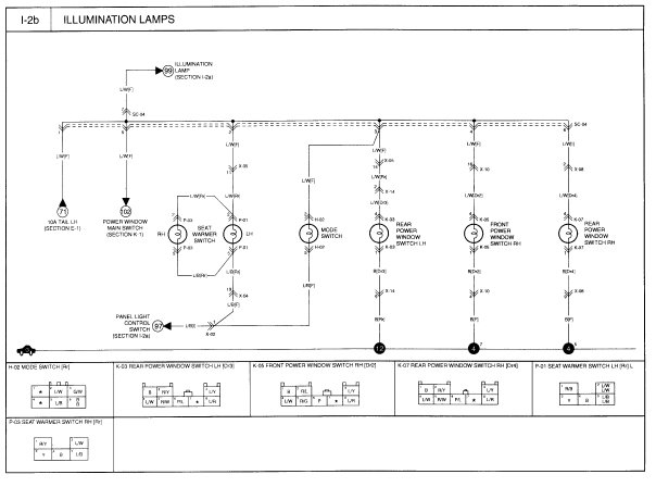
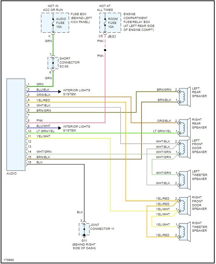
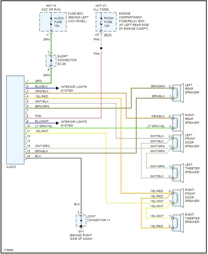
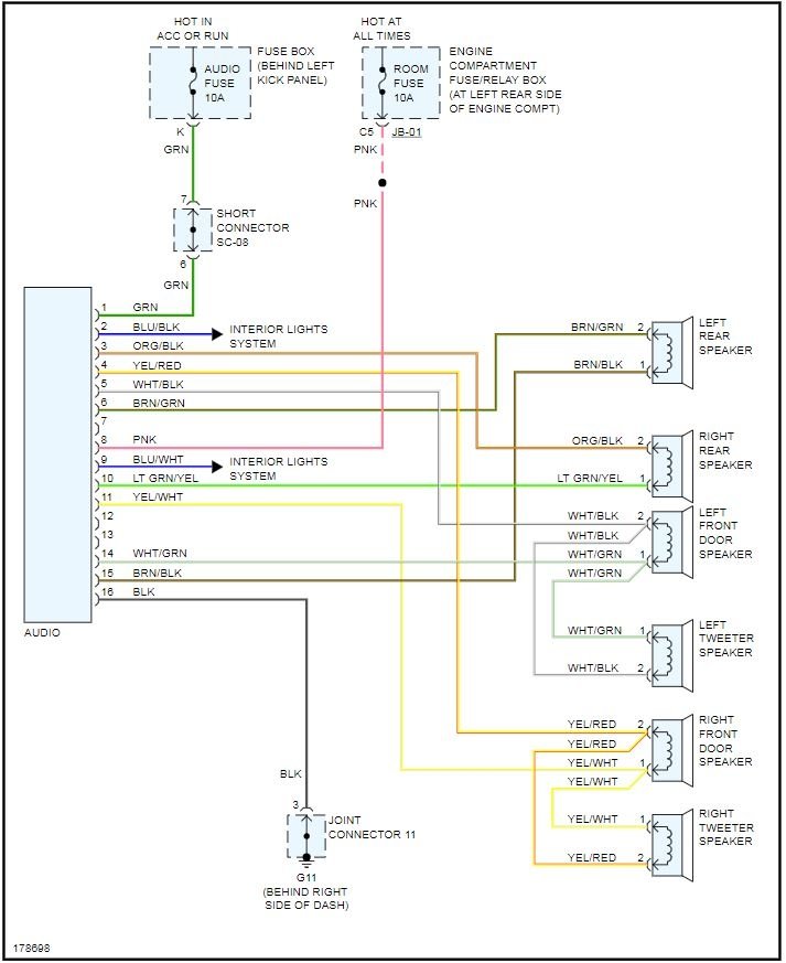
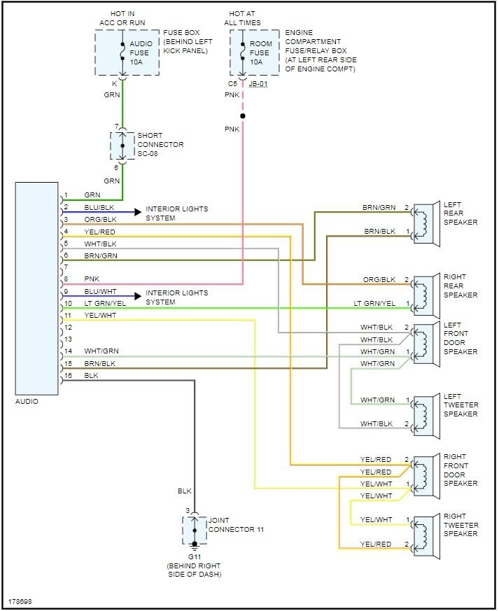
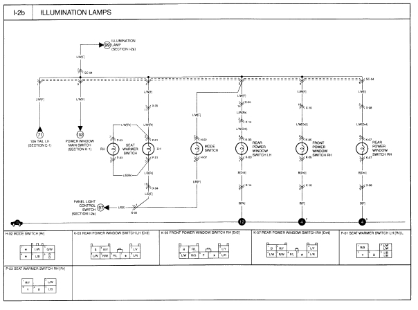
About a week ago I replaced my stereo in my car. Later this week a headlight blew and I replaced it, later that day I noticed all my dash cluster lights were not working as well as my backlighting for the air condition knobs/heat. Everything else works. Weird thing is the gear shift lights in the cluster work as well as brake lights and all emergency lights (check engine etc, ). I do not know what to do, took it to AutoZone and they said it could be the ground wire? I do not understand how that'd be the problem. The dimmer switch has no affect on the lights as it did before. I do not believe there is a fuse blown but I could not find the correct one. I also do not believe the bulb needs replaced due to the air/heat lights going off at the same time. Any help would be appreciated tremendously. Thank you.








