Thursday, August 17th, 2017 AT 6:56 PM
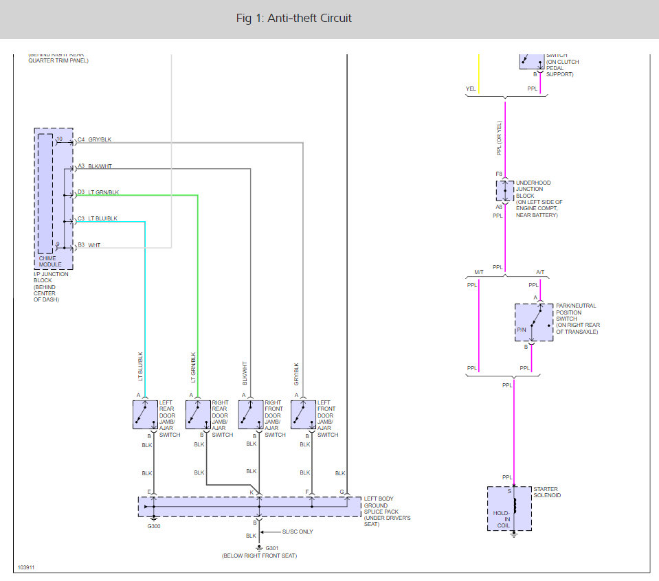
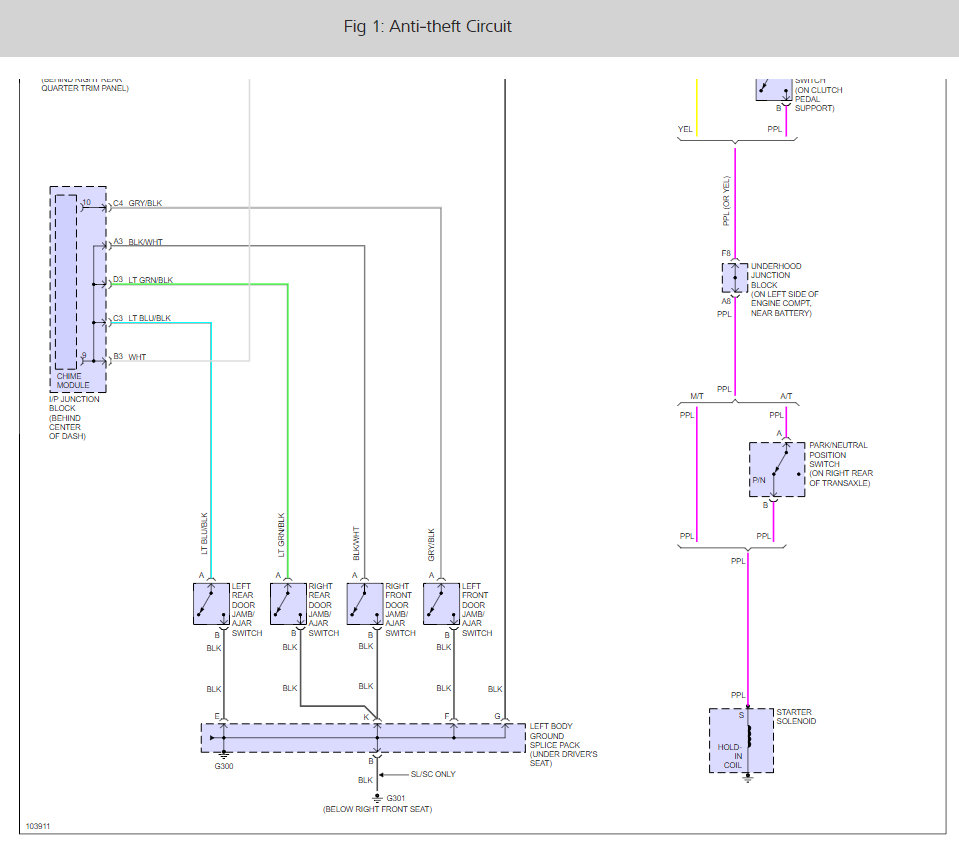
I tried to unplug the plug from the key-less receiver and I pulled the wire out of the wire harness. Need to see diagram to properly insert wire for proper function.

