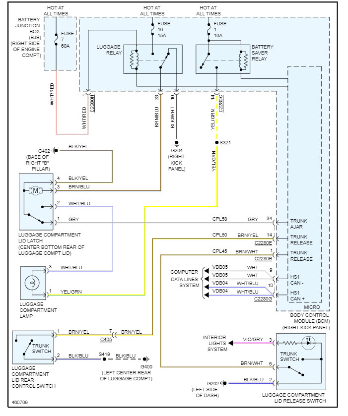
There are three ways to open the trunk.
1. An interior button which does work without problems.
2. An exterior button at the trunk that only works when the car is locked.
3. The remote key fob which doesn't ever work.
There is also a dash light that remains on saying trunk ajar when it is closed.
I have checked the fuses which are good and so I plan to check the trunk wiring again since I do not know what else to check. Could you please tell me which wire, or wires go to the trunk release? Lastly, is there a sensor or switch that I should be also checking?
Your time and assistance are appreciated!
Wednesday, March 22nd, 2023 AT 9:08 AM







