Keihin 2bbl carb fast idle adjustments (cold starting engine, RPM need to be around 2000 RPMs)

Tiny
KEIHINCARB
  • MEMBER
  • 1987 HONDA ACCORD
  • 2.0L
  • 4 CYL
  • FWD
  • MANUAL
  • 60,000 MILES
Keihin 2 bbl carb.' ED07G' I would like to know how to adjust carb during cold start to have it idle
at 2000 rpms. The electric choke and diaphram choke I believe is functional (opens after engine warms up).
Currently, fast idle speed is too slow (stalls).I pump/prime the throttle to keep it running until engine warms up (choke opens etc). Is there an adjustment (screw) for the fast idle cam. I've checked and triple checked for vacuum leaks etc.I know where and how to adjust the idle screw for normal idle of 750 rpms. Thanks
ps (I took carb apart to clean etc.)
Saturday, November 23rd, 2013 AT 5:26 PM

8 Replies

Tiny
HMAC300
  • MECHANIC
  • 48,601 POSTS
All adjustments need to be done when engine warm. Carb is probably due for an overhaul for one thing due to alcohol in fuel.
With engine off, connect tachometer. Disconnect and plug inside vacuum hose of the fast idle unloader. Engage fast idle cam by opening and closing throttle fully while holding choke valve closed. Start engine.
If fast idle speed is not to specification, reset fast idle by turning fast idle adjusting screw, located behind fast idle unloader, on carburetor. Reconnect the vacuum hose and disconnect tachometer.
Idle speed 2000-3000 rpm
Was this
answer
helpful?
Yes
No
+2
Sunday, November 24th, 2013 AT 6:33 AM
Tiny
MAXIMILIAM
  • ADMIN
  • 436 POSTS
Thanks for the response.

What/where is the fast idle unloader? Is the fast idle screw (black knob) with
spring screw in the back of carb referred also as the throttle stop screw with this 2 bbl keihin carb?

Thanks!

Keihincarb
Was this
answer
helpful?
Yes
No
Tuesday, November 26th, 2013 AT 2:38 AM
Tiny
HMAC300
  • MECHANIC
  • 48,601 POSTS
Here is a pic of the choke fast idle control. The unloader screw may be inside the diaphragm in previous pic.
Was this
answer
helpful?
Yes
No
Tuesday, November 26th, 2013 AT 6:15 AM
Tiny
KEIHINCARB
  • MEMBER
  • 10 POSTS
I went ahead and looked inside of the diaphram of the fast idle unloader
and no adjustment screw visible. Just a diaphram, spring and pin. So
question still remains. How to adjust cold start idle to 2000 rpms.
I understand all information given in previous responses and pictorials.
Just where is the adjustment screw.? Thanks
Was this
answer
helpful?
Yes
No
Sunday, January 25th, 2015 AT 2:07 PM
Tiny
HMAC300
  • MECHANIC
  • 48,601 POSTS
There is no screw you'll have to bend a tab in pic to get it to idle correctly like you want it.
Was this
answer
helpful?
Yes
No
-1
Sunday, January 25th, 2015 AT 3:40 PM
Tiny
KEIHINCARB
  • MEMBER
  • 10 POSTS
Ok. Seems to me that it is a bit odd/unusual method of increasing the
rpms. Let me explain how I got into this situation. At the beginning
the vehicle would work just fine. Then one day, I would hit the gas pedal
and engine just quits/dies/turns off (but idles fine).I eventually found
the cause (accelerator pump 4" vacuum hose crimped up, cutting off fuel
going
to carburetor). But before I found out what caused the problem in the first place, I took carburetor, merely cleaned
it up etc. (Didn't purchase kit etc, didn't touch float etc, took it apart (3 pieces) and just cleaned
it up and replaced the carburetor back into vehicle. But through time I
adjusted this and that, but because I had one vacuum hose that I missed that wasn't connected, all adjustments got out of whack. So I was wondering in order
to not have to bend tab as suggested, would adjusting the mixture
screw setting (haven't touch it, but know where it is) solve my low
cold speed/idle problem. Of course after that, do all of the above
mentioned procedures etc. Thanks
Was this
answer
helpful?
Yes
No
-1
Monday, January 26th, 2015 AT 11:01 AM
Tiny
HMAC300
  • MECHANIC
  • 48,601 POSTS
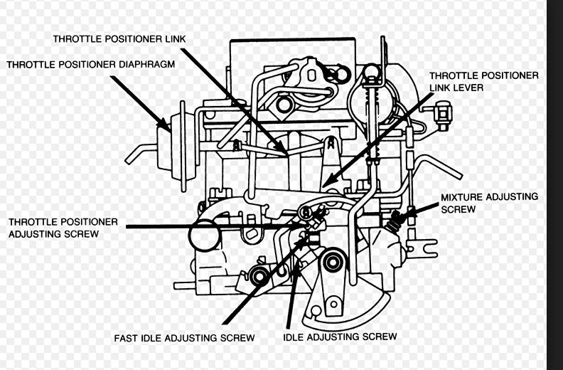
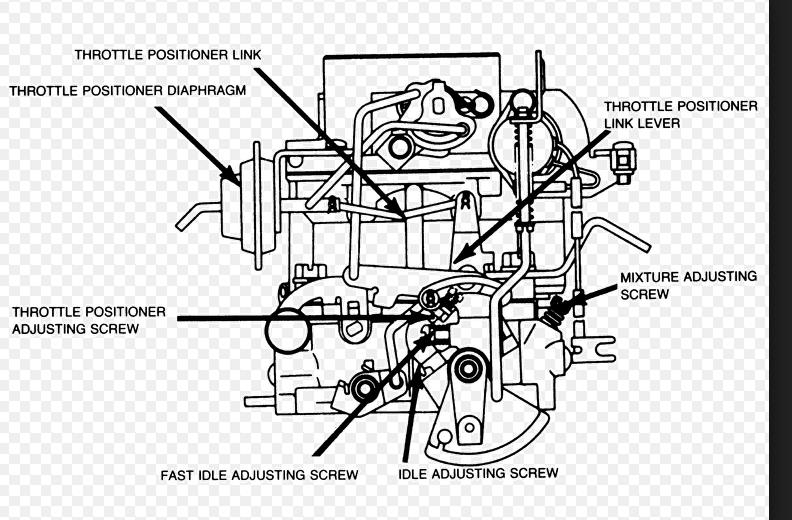
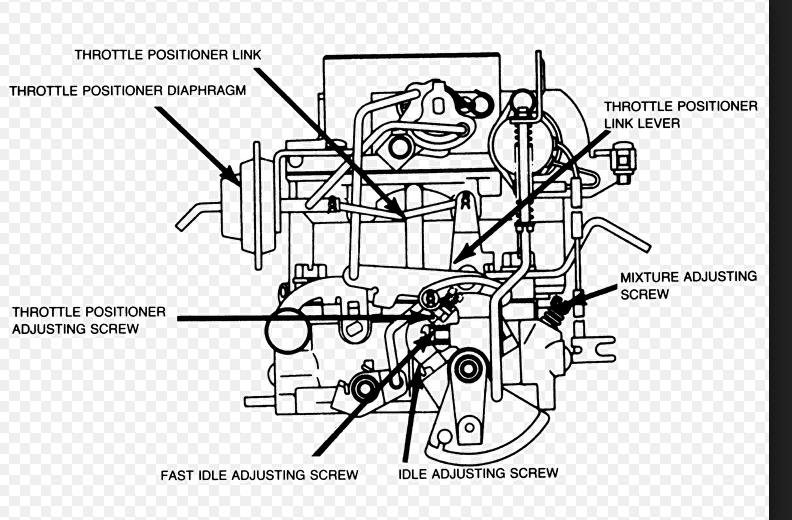
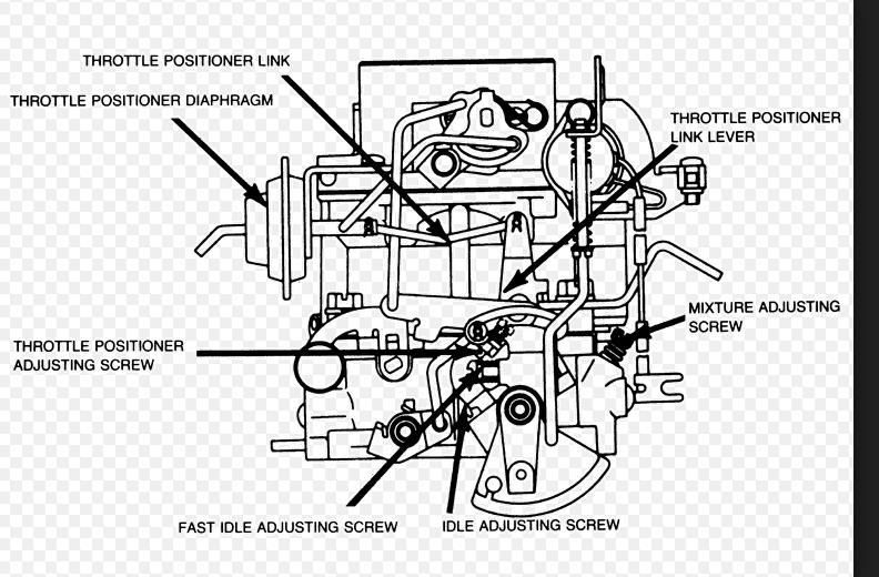
Looking the manual it shows a model EA not ED is for your car. That is the only model we have listed. I've even looked online and not found that carb. Adjusting screw is supposed to be behind fast idle unloader which you have said isn't there. I finally found a pic that may be your carb it shows the fast idle screw if this isn't it I have no idea what to tell you.
Was this
answer
helpful?
Yes
No
-2
Monday, January 26th, 2015 AT 12:05 PM
Tiny
KEIHINCARB
  • MEMBER
  • 10 POSTS
Not the correct model/picture of my carburetor. That would be too easy.
U-tube had a video showing bending of tab as you've
suggested. It just seems by doing it that way is too mask the real problem.
Northern Ca. Weather isn't that extreme. After all it was working just fine
before the constricting 4" vac/fuel tube etc. On ebay, a place down in LA.
Sells/rebuilds remanufactured carburetor such as mine, with live testing
done (ie pre-set of rpm, fast idle, and fuel mixture). That's one option
I'm considering if all else fails. With the knowledge I'm acquiring about this problem, I'm getting closer in getting it back on the road. It only has 60k miles on it. Thanks for all the information and help. Thanks again
Was this
answer
helpful?
Yes
No
Monday, January 26th, 2015 AT 3:23 PM

Please login or register to post a reply.