Oil from the breather valve?

Tiny
REDHANDSTUDIOS
  • MEMBER
  • 1990 JEEP CHEROKEE
  • 6 CYL
  • 2WD
  • MANUAL
  • 177,000 MILES
I am having oil blowing out of the breather valve (or what looks like a tube coming out of the PCV area and into the air box.) While driving out and about yesterday it blew almost a full quart of oil out this area and all over the engine. My question is, can I just put a breather plug in this from the local napa, or do I need to (have to) put a new "breather" tube back to the air box.
Also, while it was a quart low, my engine temp jumped almost 30 degrees. Is this normal for running low on oil, or did I possibly damage the thermostat?
Monday, May 18th, 2009 AT 5:56 PM

1 Reply

Tiny
RASMATAZ
  • MECHANIC
  • 75,992 POSTS
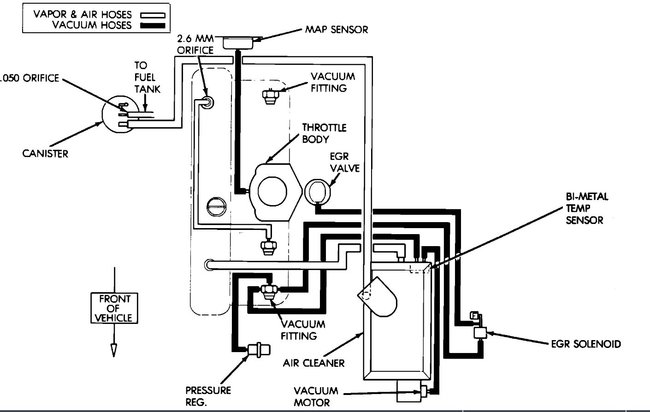
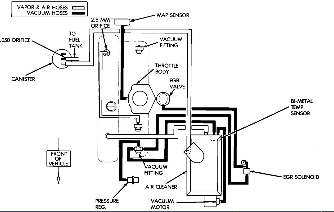
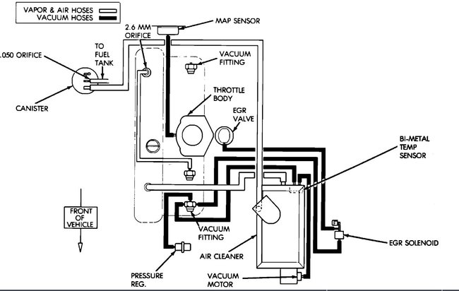
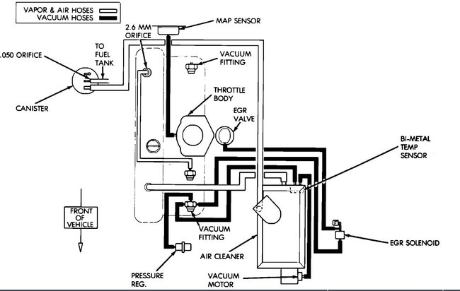
Make sure the line at the other end of the valve cover is hooked up, that's the one that sucks into the intake and keep the internal engine pressure from doing what you are experiencing.

To answer your question. No, you cant just plug it, the engine needs to circulate or it will simply start leaking oil elsewhere

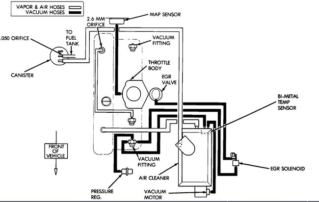
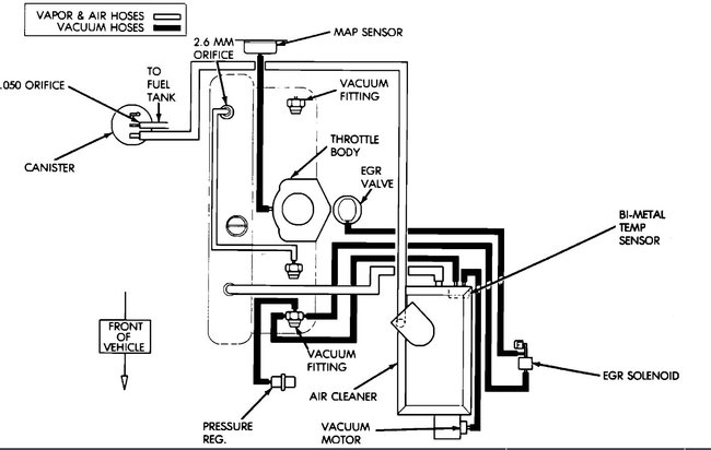
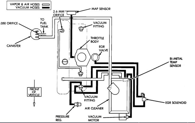
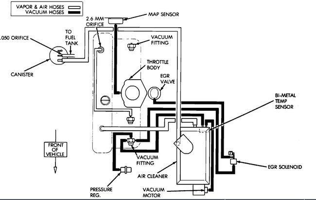
The emission hose diagram is attached below
Was this
answer
helpful?
Yes
No
Monday, May 18th, 2009 AT 6:15 PM

Please login or register to post a reply.