2005 Isuzu Ascender Wiper problem

Tiny
INSTFXR
  • MEMBER
  • 2005 ISUZU ASCENDER
  • 6 CYL
  • 2WD
  • AUTOMATIC
  • 38,000 MILES
Wifes Ascenders wipers won't turn off. The intermttent feature doesn't work either. The speed control does work, and the washer works, but they just won't stop. Any ideas?
Monday, February 8th, 2010 AT 12:19 PM

9 Replies

Tiny
MATHIASO
  • MECHANIC
  • 1,209 POSTS
Hello nstfx

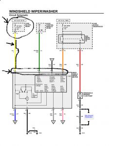
Replacing the relay # 42 in the fuse block underhood will take care of the problem.
(I'm sending this diagram to your email)


https://www.2carpros.com/forum/automotive_pictures/46384_0996b43f8020339a_5.jpg

Was this
answer
helpful?
Yes
No
Tuesday, February 9th, 2010 AT 8:43 AM
Tiny
INSTFXR
  • MEMBER
  • 5 POSTS
I replaced the relay, and the problem is still there. They still run even with the relay removed from the fuse block. What should I check next? Thanks, Karl
Was this
answer
helpful?
Yes
No
+1
Wednesday, February 10th, 2010 AT 8:51 AM
Tiny
MATHIASO
  • MECHANIC
  • 1,209 POSTS
Hello instfxr

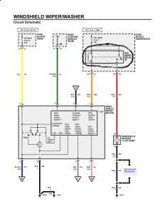
In the fuse block rear,remove the front wiper fuse 33. it is an 25 amp.The wiper should stop
if the wiper stops, trace the yellow wire all the way to the connector.
There must be a short to ground somewhere on the way to the connector or in the connector.Let me know if the wiper still does not stop.
The fuse is hot in "acc "or "on"
"That relay was the washer relay only.sorry Sir"
(sending diagram)


https://www.2carpros.com/forum/automotive_pictures/46384_0900c152801b1333_1.jpg

Was this
answer
helpful?
Yes
No
+2
Wednesday, February 10th, 2010 AT 6:39 PM
Tiny
INSTFXR
  • MEMBER
  • 5 POSTS
I checked, and fuse 33 is for the ABS. It's also 60 amp. I looked at the diagram, and there isn't anything obvious for the front wiper. There has to be one somewhere for the wiper.
Was this
answer
helpful?
Yes
No
Friday, February 12th, 2010 AT 8:42 AM
Tiny
MATHIASO
  • MECHANIC
  • 1,209 POSTS
Hello instfxr

You have look in the fuse block under-hood.
Look in the fuse block rear, it is a 33 with 25 amp. It is for the window wiper.
The fuse 33 with 60 amp under-hood is for the ABS.
Was this
answer
helpful?
Yes
No
Friday, February 12th, 2010 AT 9:23 AM
Tiny
INSTFXR
  • MEMBER
  • 5 POSTS
Sorry about that. I didn't realize there were 2 of them. I'll get out the owners manual and find the other one.
Was this
answer
helpful?
Yes
No
Friday, February 12th, 2010 AT 11:00 AM
Tiny
MATHIASO
  • MECHANIC
  • 1,209 POSTS
Hello instfxr

Trace the yellow wire to the connector. Look in the connector for corrosion that may causing the short.
Was this
answer
helpful?
Yes
No
Friday, February 12th, 2010 AT 11:06 PM
Tiny
INSTFXR
  • MEMBER
  • 5 POSTS
Before I remove half of the interior, wouldn't a short cause the fuse to blow?
Was this
answer
helpful?
Yes
No
Monday, February 22nd, 2010 AT 11:30 AM
Tiny
MATHIASO
  • MECHANIC
  • 1,209 POSTS
Helklo instfxr

yes a short can cause fuse to blow.
There are 2 kinds of short circuit, a short to power and a short to ground. A short to power can occur within a component or between circuits.
If the short is within the component, the component will not operate properly or may not operate at all.
A short to power between circuits usually result in components operating unintentionally.
This can be due to worn or burned wiring insulation or corroded connectors. Carefully inspect all wiring and connectors in the circuit for damage.
On the other hand, a short to ground will usually cause a fuse to blow as soon as it is installed. However, if the short is on the ground side of the load but before a grounding switch, the fuse will not blow but the component will not turn off. In this case remove the fuse and connect a test light in series between the fuse terminals. If the light comes on, there is a short to ground.
Start at the circuit load and trace the wire to back to the power source.
Was this
answer
helpful?
Yes
No
+1
Monday, February 22nd, 2010 AT 1:12 PM

Please login or register to post a reply.