Intermittently not cranking over?

Tiny
BFDDHANSEN
  • MEMBER
  • 2003 CHEVROLET MONTE CARLO
  • 3.8L
  • 6 CYL
  • 2WD
  • AUTOMATIC
  • 146,000 MILES
Have the car listed above SS, sometimes it won’t start. I’ve installed a new alternator and starter and battery. Would the ignition switch be my next part to replace?
Tuesday, February 14th, 2023 AT 3:16 AM

1 Reply

Tiny
KEN L
  • MASTER CERTIFIED MECHANIC
  • 55,536 POSTS
Hello,

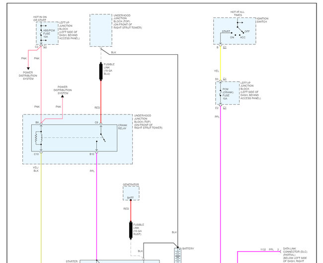
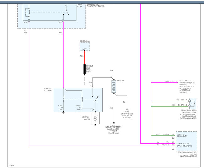
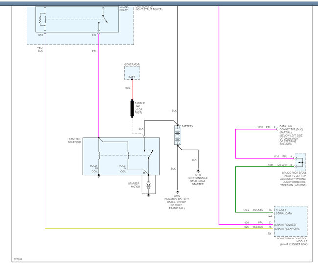
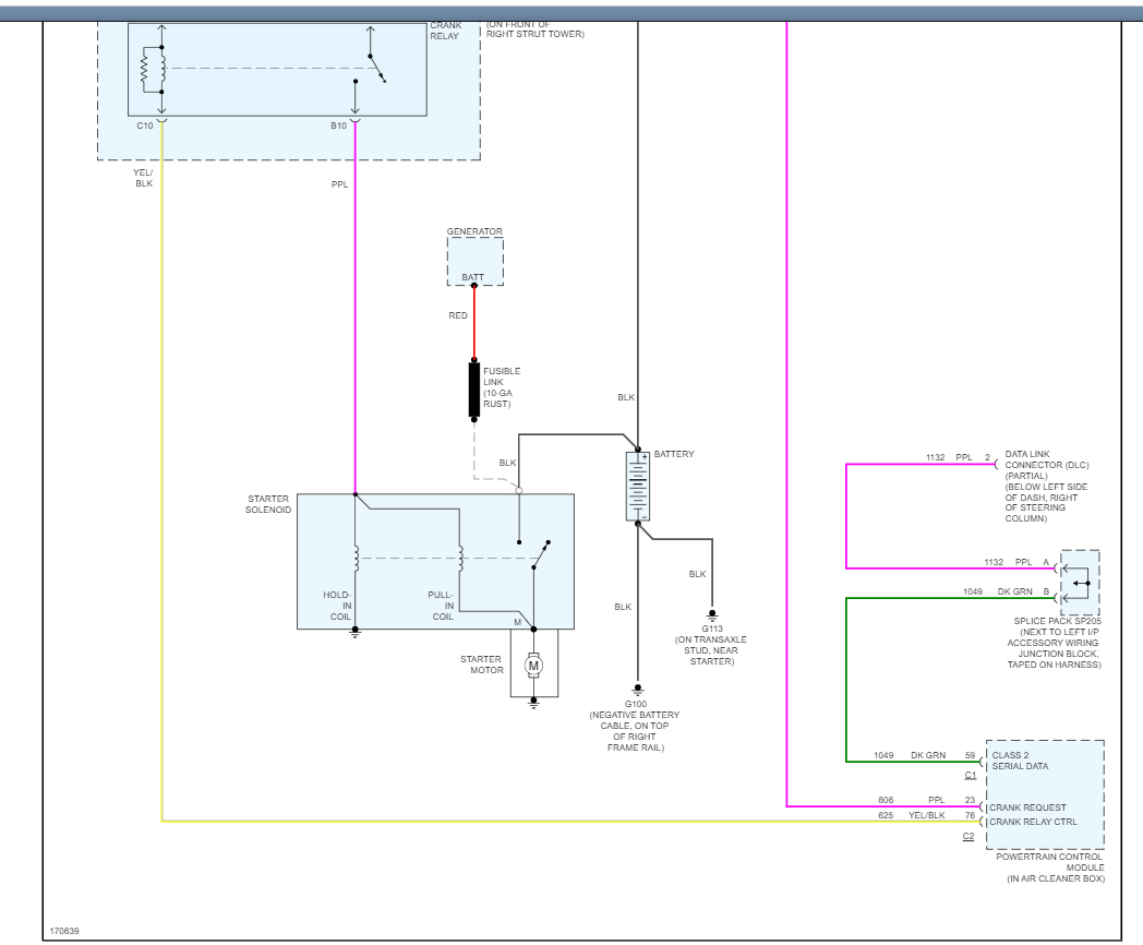
The first thing I would do is use a test light on the trigger wire of the starter, have a helper hold the key in the crank position. If it lights up, you have a defective starter. If no power is present then the next thing is the crank relay in the main fuse panel under the hood, here is the location in the images below and I have included the starter wiring diagrams so you can see how the system works.

The guide should help as well:

https://www.2carpros.com/articles/starter-not-working-repair

Please check the images below and get back to me.
Was this
answer
helpful?
Yes
No
Tuesday, February 14th, 2023 AT 12:05 PM

Please login or register to post a reply.