Intermittent engine not cranking when starting?

Tiny
PETER BOWEN
  • MEMBER
  • 1994 NISSAN PATHFINDER
  • 3.0L
  • V6
  • 2WD
  • MANUAL
  • 300,000 MILES
My vehicle listed above XE, is not turning over intermittently. The car has a new battery, distributor cap, points etc, spark plug wiring harness, 6 new spark plugs. The car has a sensor that is depressed when pushing the clutch in that enables the message to be sent to the starter to engage and turn the flywheel. The sensor seems operational. The starter has been tested and is functional. The only thing I haven't looked into yet is the ignition assembly. It's a 30-year-old truck/SUV that runs immaculately. When it does start, it runs fine no stalling or roughness. When I turned it off and tried to restart, I got nothing. I hear the clutch sensor makes the proper sound that it's working. I turn the ignition repeatedly, slowly, multiple times, sometimes once or twice. Other times many with no success. If the car sits for a while and attempts to start, it shuts off. If I immediately turned it off, and try to restart, I get nothing. I again try multiple times to turn the ignition key and it may or may not start. It bump starts just fine. My only thought is the ignition assembly is faulty. Any helpful thoughts would be greatly appreciated.
Peter B.
Tuesday, September 19th, 2023 AT 10:28 AM

1 Reply

Tiny
KEN L
  • MASTER CERTIFIED MECHANIC
  • 55,450 POSTS
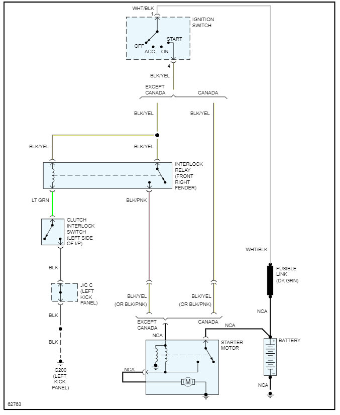
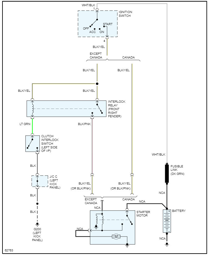
The starter can still be bad because the problem is intermittent. I think we should check for power at the trigger of the starter, this guide can help.

https://www.2carpros.com/articles/starter-not-working-repair

Here is how to change the starter ut in case you need it and th starter wiring diagrams so you can see how the system works. Use this guide to see where you are losing power

https://www.2carpros.com/articles/how-to-use-a-test-light-circuit-tester

Check out the images (Below). Please let us know what happens.
Was this
answer
helpful?
Yes
No
Thursday, September 21st, 2023 AT 9:27 AM

Please login or register to post a reply.