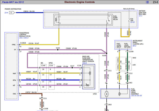
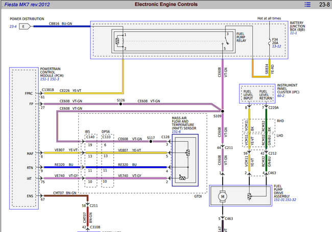
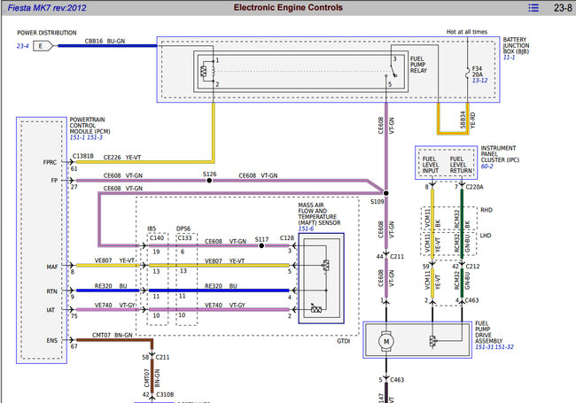
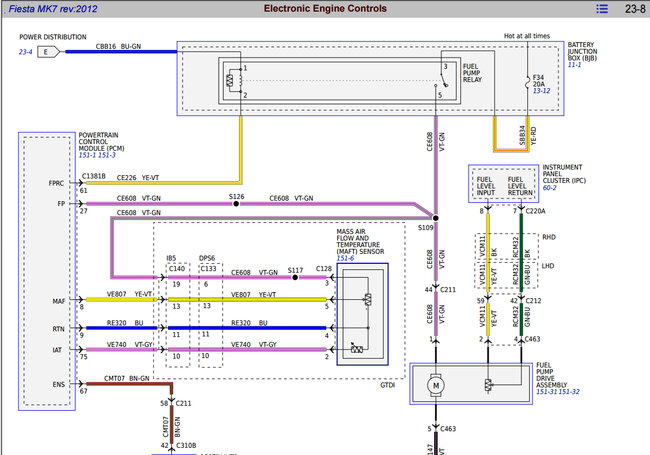
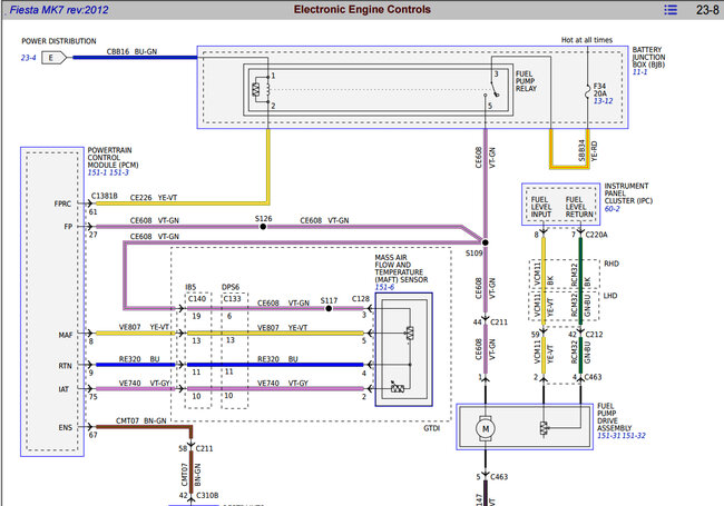
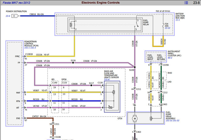
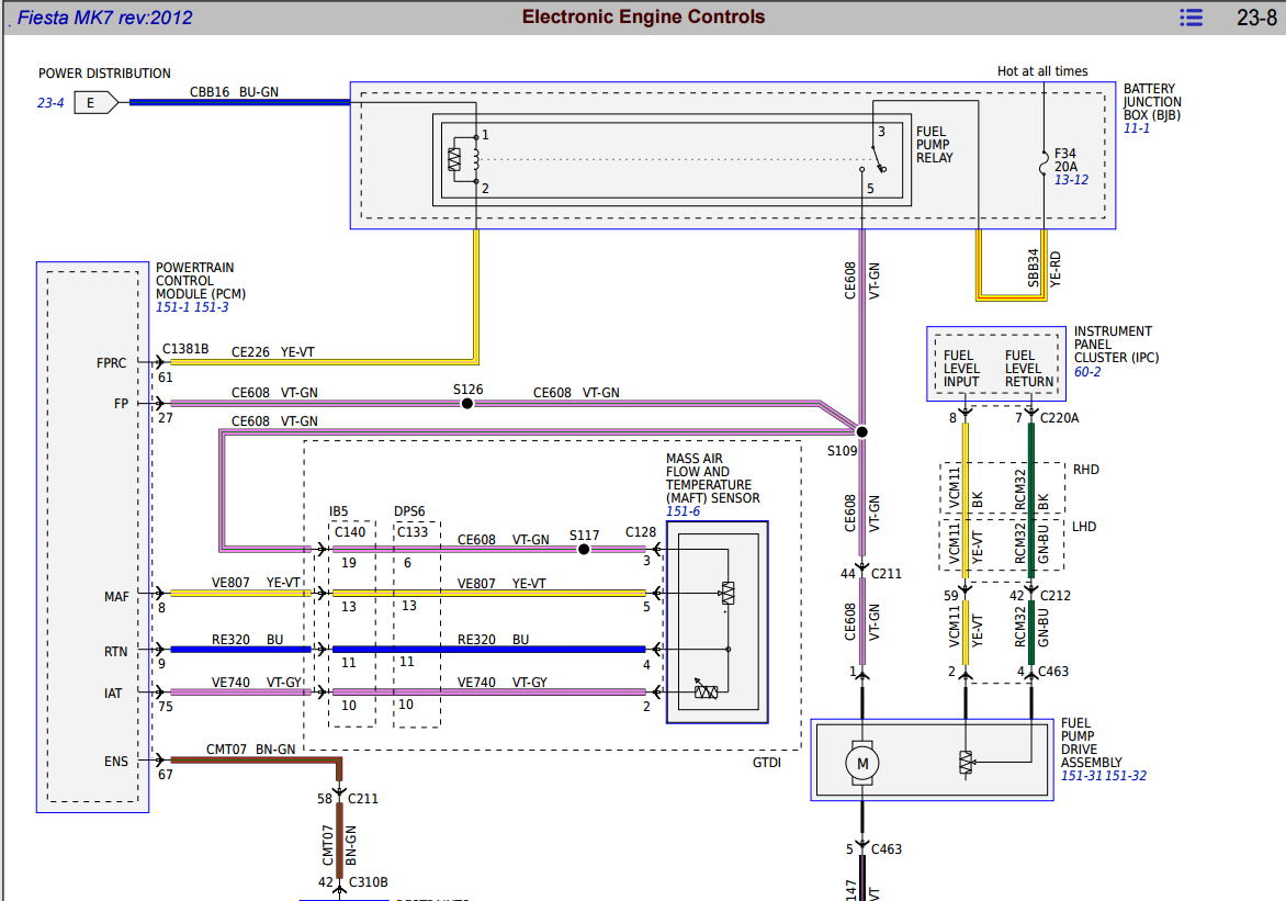
As this fuse provides current to the (in-tank) fuel pump and Mass Airflow sensor) the car will quickly stall when this happens (lack of fuel in engine). The only other connection of this fuse is to the ECU. It looks like this connection is only there so the EXU knows if there is a problem (I.E. Blown fuse, or no power to the pump).
Any idea where I should look for the problem? Pump and air sensor have been replaced. Is this likely an intermittent short in the harness? Could there be a short in the ECU? The ECU has 2 connectors; which one is C1831B (I have the wiring diagram and this is where the connection is)?
Saturday, October 5th, 2024 AT 8:52 AM











