Interior lights (courtesy, dome etc lights) constantly on

Tiny
TIM BEASON
  • MEMBER
  • 1988 CHRYSLER NEW YORKER
  • 3.0L
  • V6
  • 2WD
  • AUTOMATIC
  • 197,000 MILES
All interior lights stay on constantly unless the fuse in cavity 2 in the fuse panel is pulled. I think I have narrowed it down to a open door alarm sensor (the smaller plastic one above the striker pin) but I can't seem to find one online any where. Am I even close to the correct solution/issue? Any advice is appreciated.
Monday, May 11th, 2020 AT 3:22 AM

7 Replies

Tiny
KASEKENNY
  • MECHANIC
  • 18,907 POSTS
You absolutely are on the right path. If all the lamps are staying on then it appears the system thinks a door is open or there is a wiring issue past the fuse. However, to confirm this, just take the connector off the switch and put a jumper (paperclip) to complete the circuit so it thinks the door is closed. Then see if the lights are off. If so, then it is the switch. As for finding one, you may need to source one from a salvage yard if you can't find one from other sources.

I did a quick search and was able to find a couple options at this site:

https://www.rockauto.com/en/catalog/chrysler,1988,new+yorker,3.0l+181cid+v6,1065901,electrical-switch+&+relay,door+jamb+switch,4360
Was this
answer
helpful?
Yes
No
Monday, May 11th, 2020 AT 10:16 AM
Tiny
TIM BEASON
  • MEMBER
  • 26 POSTS
That was the only relatable door switch I found as well but I did check those and they are working. I did push the switch in and out when it was still connected and the "Door/Deck" light on the instrument cluster would go on and off but not in the correct way. I apologize for any confusion. I'm not always good at explaining myself in an easily understood way. Regardless all the interior illumination still stayed on wen the cluster did not show the Door/Deck light. The lights staying on is the only electrical issue I have came across so far as well. I am at a loss, lol.
Was this
answer
helpful?
Yes
No
Monday, May 11th, 2020 AT 2:35 PM
Tiny
KASEKENNY
  • MECHANIC
  • 18,907 POSTS
Sorry. I am not sure I understand what the door switch is doing. When you say it doesn't go on in the right way, what does it do? The light should go off when pushed in and on when the button is out. Maybe get a video of what it is doing.

If that is not the issue then yes. You most likely have a short to power in the wiring. I would suggest going through the wiring diagram and unhooking components and wiring going back to the fuse to see when the lights go off. Once they do, you removed the short. Does that make sense?
Was this
answer
helpful?
Yes
No
Monday, May 11th, 2020 AT 8:00 PM
Tiny
TIM BEASON
  • MEMBER
  • 26 POSTS
No problem, I have a hard time explaining things in an understandable way sometimes. Basically the switch showed signs of a possible short, to my understanding at least. With the switch depressed, the Door/deck light will stay on at times. And other times the indicator light on the instrument panel will be off and the door is open. I hope that makes sense. Not sure if it would make any difference at all but I took a couple pictures of the switch as well.

Bare with me here, I have just basic knowledge when it comes to wiring and circuitry but if there was a short to power how would the lights stay on constantly? If that is the route I need to go, I honestly wouldn't know where to start. Where could I find the correct wiring diagrams? Is there any sort of relay that could be "stuck" that you know of that I could check?
Was this
answer
helpful?
Yes
No
Monday, May 11th, 2020 AT 8:34 PM
Tiny
KASEKENNY
  • MECHANIC
  • 18,907 POSTS
Okay. No problem. I think I understand just fine now. Just to be clear, when the door is closed the lights should go out. When it is open, the lights turn on. So the only way the computer knows the door is open or closed is the door switch.

If the switch is shorted or not working and the computer thinks the door is open all the time then it will turn the lights on all the time. If the switch is not installed right now then it thinks the doors are open and it will keep the lights on. Plus it looks like that plunger is stuck.

If it were me, I would just replace that switch and if the lights stay on then we either have a short to power or an issue with the BCM/Cluster.

The meaning of a short to power is that the lamp circuit is getting voltage when it should not. This is causing the lamps to stay on when it shouldn't. I would start with the switch and see what happens.
Was this
answer
helpful?
Yes
No
+1
Tuesday, May 12th, 2020 AT 9:10 AM
Tiny
TIM BEASON
  • MEMBER
  • 26 POSTS
Thank you, I appreciate the help! So, the only fuse I found to control power to these lights was #2. With that circuit controlling radio memory it would have constant power anyway right? If the door switch is not the issue is there any sort of relay I need to find and check? I've been trying to find a wiring diagram but having no luck.
Was this
answer
helpful?
Yes
No
Tuesday, May 12th, 2020 AT 5:06 PM
Tiny
KASEKENNY
  • MECHANIC
  • 18,907 POSTS
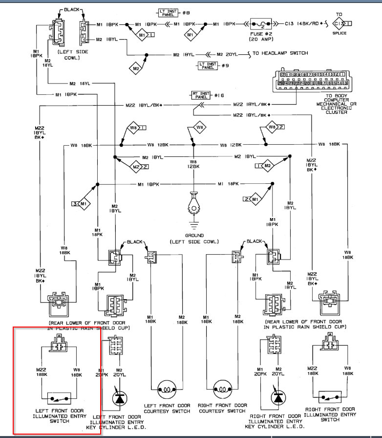
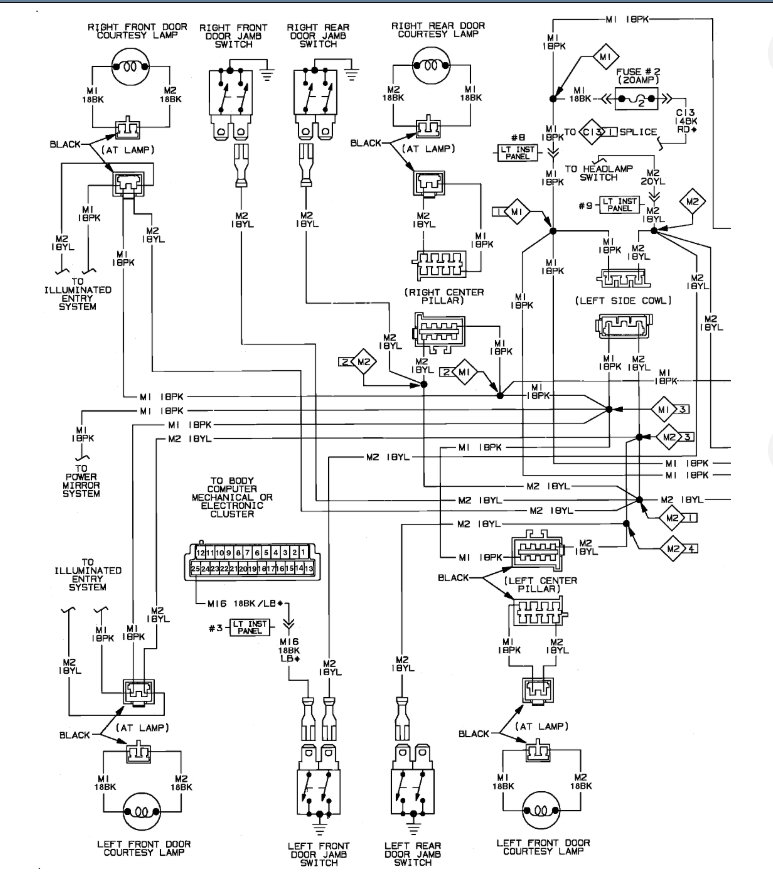
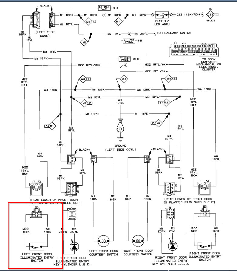
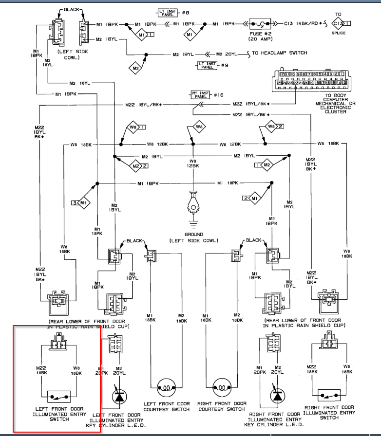
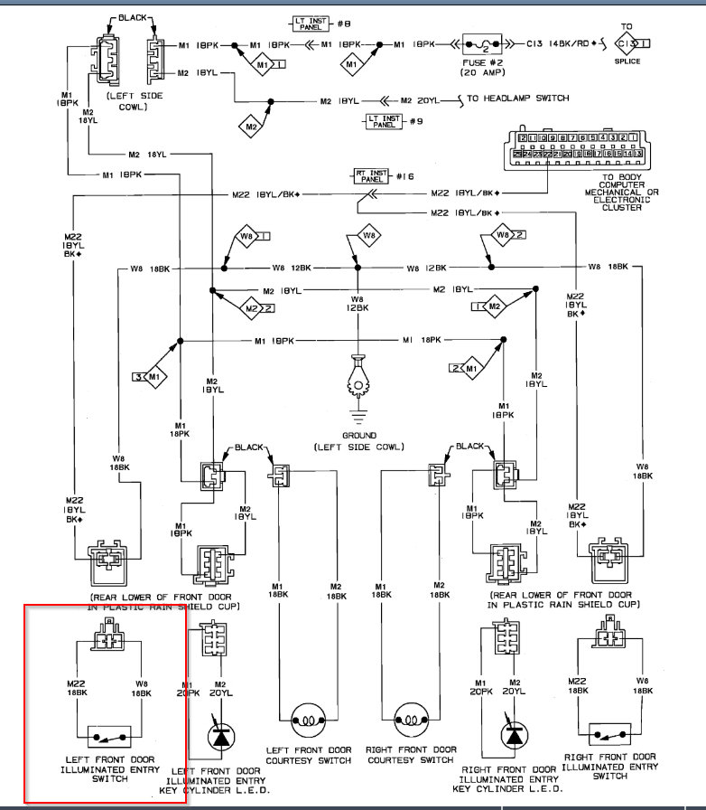
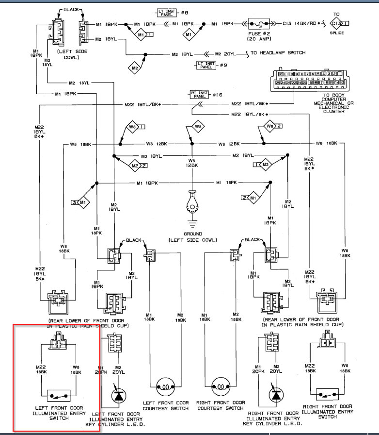
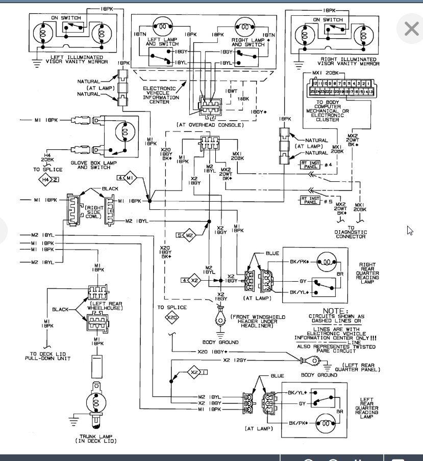
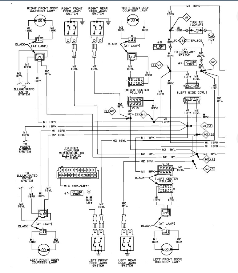
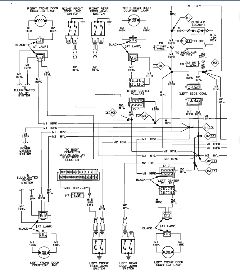
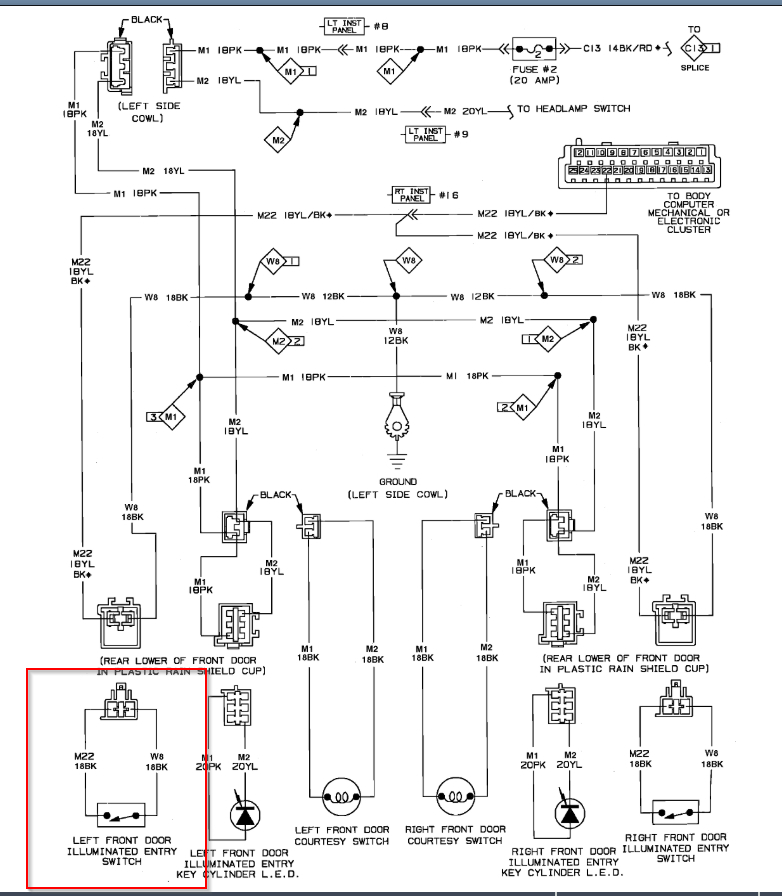
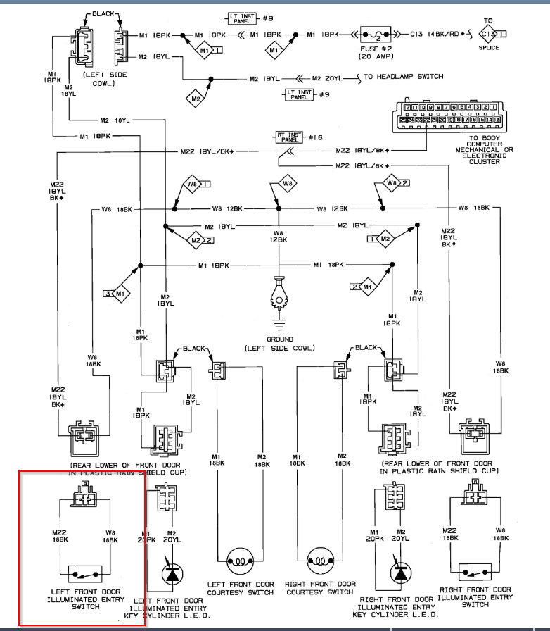
I attached the wiring diagram below. These are the old style diagrams and not the easiest to read.

There are no fuses or relays other then number 2. If you remove that fuse and it goes out, then the short to power would need to be before the fuse which is unlikely. Looking at the wiring diagram it looks like the other likely cause is the cluster. Also, we need to suspect the switch which could be keeping them on as well.

I would start with the door switch that was acting up and then we need to check voltage coming out of the switch and go from there.
Was this
answer
helpful?
Yes
No
Tuesday, May 12th, 2020 AT 6:39 PM

Please login or register to post a reply.