Monday, January 13th, 2020 AT 2:15 PM
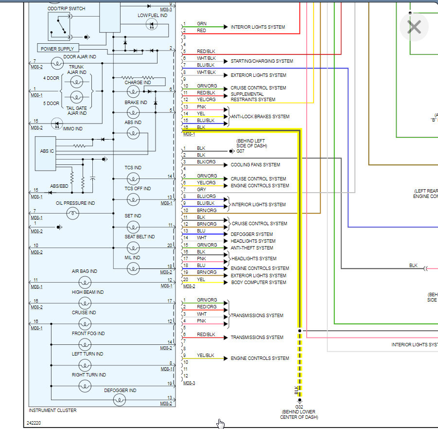
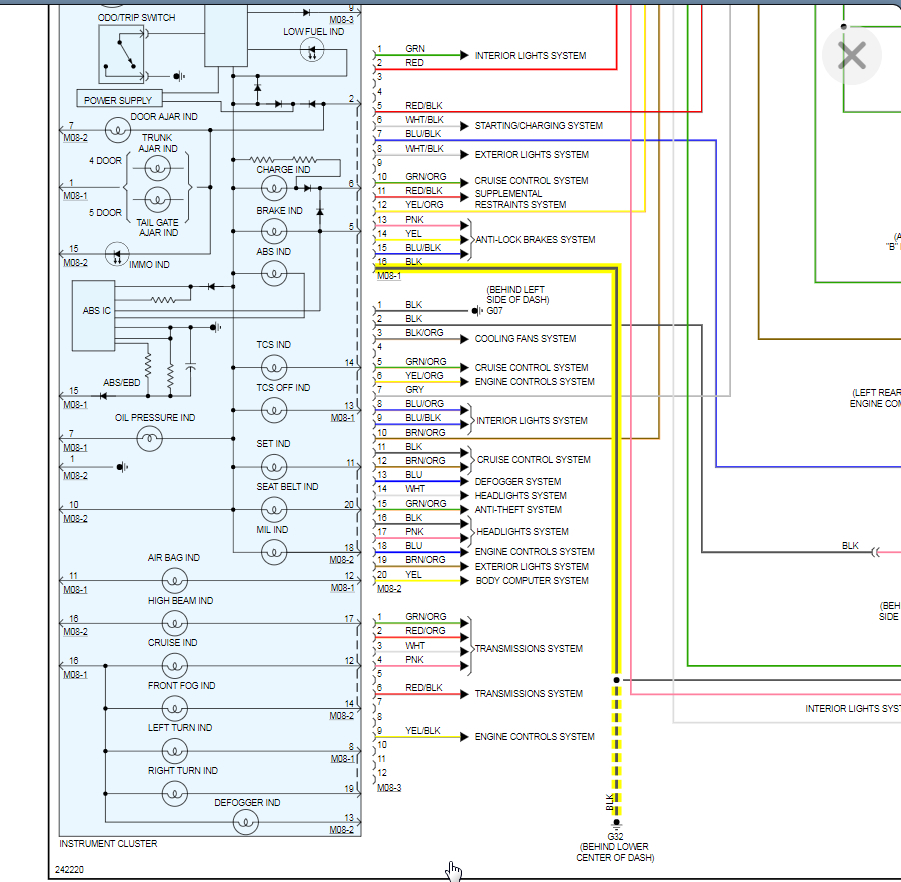
However, the lights and blinkers are. I checked the interior fuse box and all the fuses seem to be okay. I believe it to be the cluster or the wiring and/or connectors. I took it to the mechanic and he says that it's the cluster, but he did not check under the hood. Many people say that a cluster going bad in a Kia is unusual. If it is the ground wiring how would I know?







