Saturday, May 14th, 2022 AT 2:03 PM
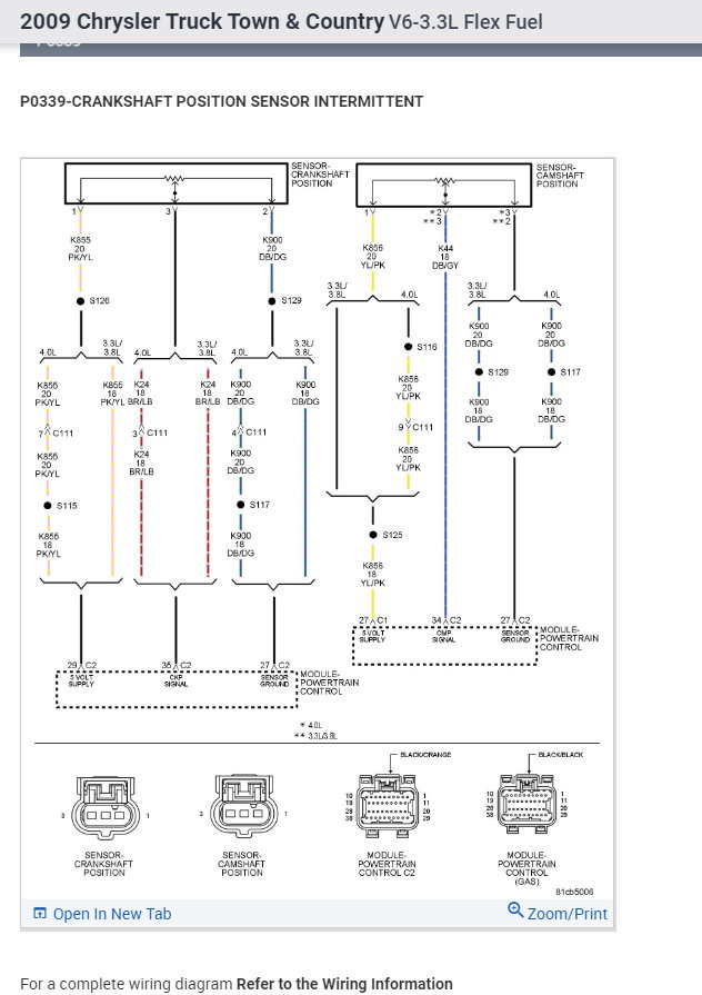
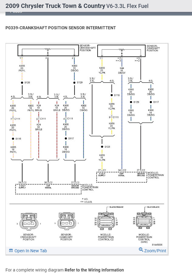
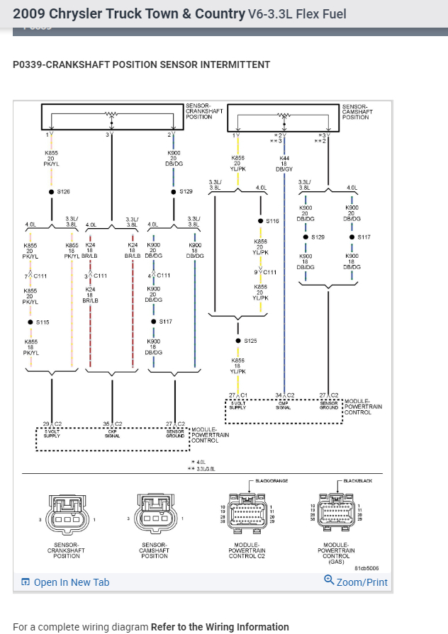
This code pops up instantly upon cranking engine. I've replaced the CKP with three different ones, tested them all, have continuity and correct voltages. Spark is just intermittent. Very hard starting but runs as great as it can in limp mode due to code. I'm getting ready to replace PCM. Any suggestions please? Also, this happened after an engine swap. Is there two different reluctor wheels? They look identical. Reason I ask is, the 4.7 has two different ones.

























