Installing line out converter

Tiny
AKIDAGAIN707
  • MEMBER
  • 2016 KIA OPTIMA
  • 1.2L
  • 4 CYL
  • 2WD
  • AUTOMATIC
  • 35,000 MILES
What is the simplest way to install a line-out converter pack sni-35 to car listed above base model?
Saturday, December 5th, 2020 AT 5:29 PM

1 Reply

Tiny
DANNY L
  • MECHANIC
  • 5,648 POSTS
Hello, I'm Danny.

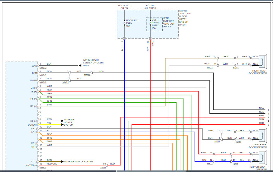
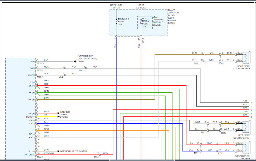
Did you sni-35 come with a wire color diagram? I would be happy to help match to your existing audio system. I've attached pictures below of the audio system available for your car and an audio wiring diagram. I based the diagram on a non-hybrid, non-navigation system. Get back to us and we'll go from there. Hope this helps and thanks for using 2CarPros.
Was this
answer
helpful?
Yes
No
Saturday, December 5th, 2020 AT 6:41 PM

Please login or register to post a reply.

Related General Content