The air does not stop blowing

Tiny
FMOURE
  • MEMBER
  • 2013 FORD F-150
  • 5.0L
  • V8
  • 4WD
  • AUTOMATIC
  • 160,000 MILES
Even when you push the button.
Friday, April 17th, 2020 AT 4:38 PM

3 Replies

Tiny
KASEKENNY
  • MECHANIC
  • 18,907 POSTS
I assume you have the auto temperature control system and not the manual correct?

If so, we could just have a relay issue where it is stuck on or a more serious issue like a control module or a wiring issue.

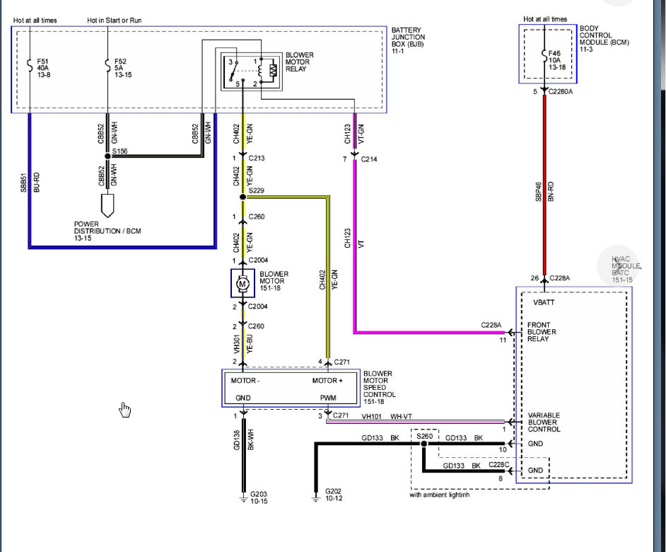
Take a look at the wiring diagram and pull the relay and see if the blower cuts off. If it does then we need to swap this relay with another one and see if the blower just comes back on. If it returns to normal operation then the relay is the issue.

If not, then we need to hook up a scan tool to look at what the BCM and HVAC control are saying the blower fan is doing. Basically if the fan is being commanded on then we have module issue.

Let me know about this info and we can go from there. Thanks
Was this
answer
helpful?
Yes
No
+1
Friday, April 17th, 2020 AT 6:59 PM
Tiny
FMOURE
  • MEMBER
  • 2 POSTS
Thank you.
Was this
answer
helpful?
Yes
No
Friday, April 17th, 2020 AT 7:39 PM
Tiny
KASEKENNY
  • MECHANIC
  • 18,907 POSTS
You are welcome. Please come back to 2CarPros in the future when you need more help. Thanks
Was this
answer
helpful?
Yes
No
Saturday, April 18th, 2020 AT 7:22 PM

Please login or register to post a reply.

Related General Content