Code P0202, injector circuit open

Tiny
THOMAS SPENCER
  • MEMBER
  • 2008 JEEP LIBERTY
  • 3.7L
  • V6
  • 4WD
  • AUTOMATIC
  • 132,000 MILES
P0202 code was thrown the other day. I tested the Ohm reading on injector 2 which was 11.4 which was the same as the other injectors. What i'm trying to figure out is if I have a break in the wire from the PCM to the injector or if the PCM is bad. But I can't find a diagram on which pin in the PCM controls injector 2 so I can test the output to see if it's the PCM or not. Let me know what you think the best option is. Thank you!
Thursday, April 9th, 2020 AT 6:21 PM

3 Replies

Tiny
KASEKENNY
  • MECHANIC
  • 18,907 POSTS
You have a couple possible causes so the best thing to do is run through this testing. Looks like the injector is good so that leaves wiring or a PCM. Issue is there are a number of different wires that can cause this.

Let me know if you have questions when going through this and we can work through it. Thanks
Was this
answer
helpful?
Yes
No
+1
Thursday, April 9th, 2020 AT 6:30 PM
Tiny
JACOBANDNICKOLAS
  • MECHANIC
  • 110,192 POSTS
Hi,

Here are the diagnostics for your vehicle. The pin outs are attached. Let me know if there is additional information you need. The attached pics correlate with the directions.

__________________________________________

2008 Jeep Truck Liberty 4WD V6-3.7L
Gas
Vehicle ALL Diagnostic Trouble Codes ( DTC ) Testing and Inspection P Code Charts P0202 Gas
GAS
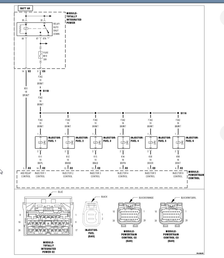
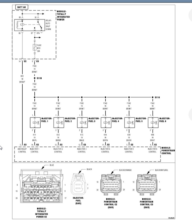
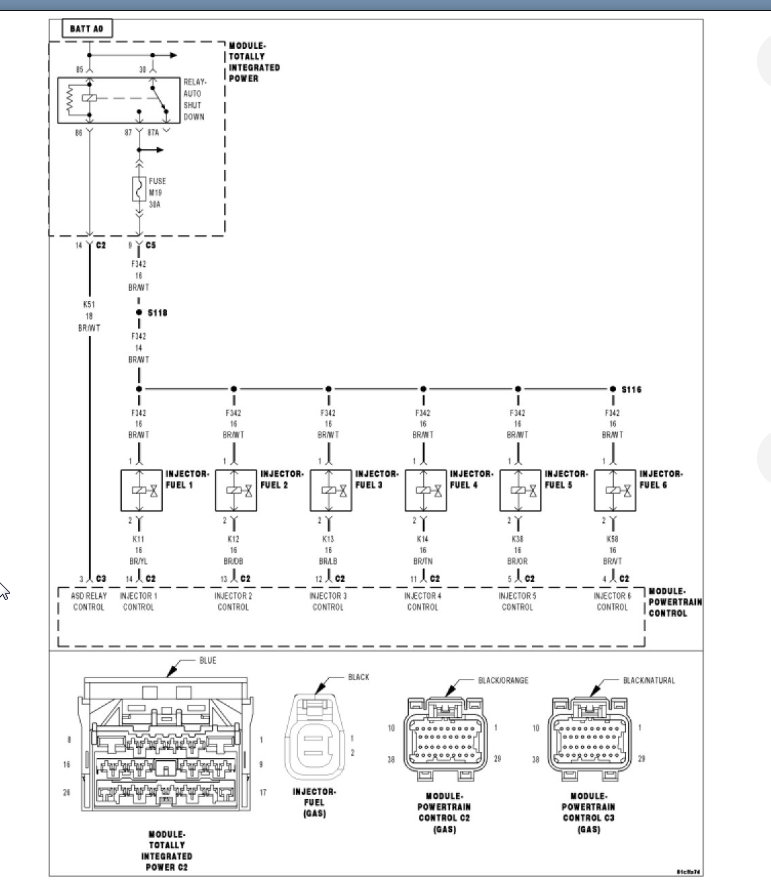
P0202-FUEL INJECTOR 2 CIRCUIT

pic 1

For a complete wiring diagram Consult Diagrams/Electrical.

Theory of Operation

The fueling strategy for NGC requires potentially three fuel pulses per cylinder per cycle. The first pulse is delivered starting at a programmed angle soon after the intake valve closes, for specified time duration. This is for two reasons, one to prevent any fuel from this pulse being delivered in the previous cycle and second to allow fueling to begin as early as possible in the current cycle. The second pulse is delivered for a specified time and is set to end at a programmed angle. The pulse must not extend past the end angle. There can be a separate value for each cylinder under the same operating conditions. This is done for two reasons, one to prevent any fuel from this pulse being delivered during the intake/exhaust valve overlap period, which tends to cause elevated emission levels. Also, allowing fuel to enter each cylinder at a slightly different angle tends to reduce any fuel pressure standing waves in the fuel rail. If the desired total fuel pulse-width increases, a third fuel pulse must be delivered. The third pulse, if necessary, is delivered for a specified time and must end at a programmed angle before the valve closes again. The third pulse in the cycle is controlled by its ending angle. This is also for two reasons, one to prevent any fuel from this pulse being delivered in the next cycle and second to allow fueling to end as late as possible in the current cycle. At high engine speeds, one or more of the pulses may be dropped from the fueling strategy.

- When Monitored:
With battery voltage greater than 10 volts. Auto Shutdown Relay energized. Engine speed less than 3000 rpm.

- Set Condition:
The PCM monitors the continuity of the injector circuits as well as the voltage spike created by the collapse of the magnetic field in the injector coil. Any condition that reduces the maximum current flow or the magnitude of the voltage spike can cause this DTC to set.

Pic 2

Always perform the Pre-Diagnostic Troubleshooting procedure before proceeding. See: Computers and Control Systems > Initial Inspection and Diagnostic Overview > Pre-Diagnostic Troubleshooting Procedure.

Diagnostic Test

1. ACTIVE DTC
Turn the ignition on.
With the scan tool, select View DTCs. Record DTC and Freeze Frame information.
Start the engine and allow it to reach operating temperature.

WARNING: When the engine is operating, do not stand in direct line with the fan. Do not put your hands near the pulleys, belts, or fan. Do not wear loose clothing. Failure to follow these instructions can result in personal injury or death.

NOTE: Review Freeze Frame information. Operate the vehicle under conditions similar to which the DTC was set.

With a scan tool, select View DTCs.
Is the DTC Active at this time?

Yes

- Go To 2

No

- Refer to the INTERMITTENT CONDITION Diagnostic Procedure. See: Computers and Control Systems > Component Tests and General Diagnostics > Intermittent Condition.

2. FUEL INJECTOR 2 CIRCUIT RESISTANCE

pic 3

Turn the ignition off.
Disconnect the C2 PCM harness connector.
Remove the ASD Relay.

NOTE: The resistance of the circuit will vary according to the temperature of the injector coil. Use the table below to determine the resistance range of the injector.

CAUTION: Do not probe the PCM harness connectors. Probing the PCM harness connectors will damage the PCM terminals resulting in poor terminal to pin connection. Install Miller Special Tool #8815 to perform diagnosis.

Measure the resistance of the Fuel Injector 2 circuit from the appropriate terminal of special tool #8815 and the ASD Relay connector.

Pic 4

Is the resistance of the injector within the specified range?

Yes

- Go To 7

No

- Go To 3

3. FUEL INJECTOR 2 WIRING AND CONNECTOR INSPECTION
Turn the ignition off.
Verify that the Fuel Injector 2 is properly connected to the injector. Disconnect the Fuel Injector 2 connector and Inspect the terminals for any condition that would result in a poor connection.
Using the wiring diagram/schematic as a guide, inspect the Fuel Injector 2 wiring and connector.
Look for any chafed, pierced, pinched, or partially broken wires.
Verify that there is good pin to terminal contact in the Injector and Powertrain Control Module connectors.
Look for broken, bent, pushed out or corroded terminals.
Were any problems found?

Yes

- Repair as necessary.
- Perform the POWERTRAIN VERIFICATION TEST. See: A L L Diagnostic Trouble Codes ( DTC ) > Verification Tests > Powertrain Verification Test.

No

- Go To 4

4. (F342) ASD RELAY OUTPUT CIRCUIT

pic 5

Connect the C2 PCM harness connector.
Turn the ignition on.
With the scan tool, actuate the Auto Shutdown (ASD) Relay Control State.
Using a 12-volt test light connected to ground, check the (F342) ASD Relay Output circuit in the Fuel Injector 2 harness connector.

NOTE: The test light should be illuminated and bright. Compare the brightness to that of a direct connection to the battery.

Is the test light illuminated and bright?

Yes.

- Go To 5

No.

- Repair the excessive resistance or short to ground in the (F342) ASD Relay Output circuit.
- Perform the POWERTRAIN VERIFICATION TEST. See: A L L Diagnostic Trouble Codes ( DTC ) > Verification Tests > Powertrain Verification Test.

5. (K12) INJECTOR 2 CONTROL CIRCUIT OPEN

pic 6

CAUTION: Do not probe the PCM harness connectors. Probing the PCM harness connectors will damage the PCM terminals resulting in poor terminal to pin connection. Install Miller Special Tool #8815 to perform diagnosis.

Turn the ignition off.
Disconnect the C2 PCM harness connector.
Measure the resistance of the (K12) Injector 2 Control circuit from the Fuel Injector harness connector to the appropriate terminal of special tool #8815.
Is the resistance below 5.0 ohms?

Yes

- Go To 6

No

- Repair the open in the (K12) Injector 2 Control circuit.
- Perform the POWERTRAIN VERIFICATION TEST. See: A L L Diagnostic Trouble Codes ( DTC ) > Verification Tests > Powertrain Verification Test.

6. FUEL INJECTOR 2
Using the wiring diagram/schematic as a guide, inspect the wiring and connectors between the Fuel Injector 2 and the Powertrain Control Module (PCM).
Look for any chafed, pierced, pinched, or partially broken wires.
Look for broken, bent, pushed out or corroded terminals.
Verify that there is good pin to terminal contact in the Injector and Powertrain Control Module connectors.
Search for any Technical Service Bulletins that may apply.
Were any problems found?

Yes

- Repair as necessary.
- Perform the POWERTRAIN VERIFICATION TEST. See: A L L Diagnostic Trouble Codes ( DTC ) > Verification Tests > Powertrain Verification Test.

No

- Replace the Fuel Injector 2.
- Perform the POWERTRAIN VERIFICATION TEST. See: A L L Diagnostic Trouble Codes ( DTC ) > Verification Tests > Powertrain Verification Test.

7. (K12) INJECTOR 2 CONTROL CIRCUIT SHORTED TO GROUND

pic 7

Turn the ignition off.
Disconnect the C2 PCM harness connector.
Measure the resistance between ground and the (K12) Injector 2 Control circuit in the Injector harness connector.
Is the resistance below 100 ohms?

Yes

- Repair the short to ground in the (K12) Injector 2 Control circuit.
- Perform the POWERTRAIN VERIFICATION TEST. See: A L L Diagnostic Trouble Codes ( DTC ) > Verification Tests > Powertrain Verification Test.

No

- Go To 8

8. POWERTRAIN CONTROL MODULE (PCM)
Using the wiring diagram/schematic as a guide, inspect the wiring and connectors between the Fuel Injector 2 and the Powertrain Control Module (PCM).
Look for any chafed, pierced, pinched, or partially broken wires.
Look for broken, bent, pushed out or corroded terminals. Verify that there is good pin to terminal contact in the Injector and Powertrain Control Module connectors.
Search for any Technical Service Bulletins that may apply.
Were there any problems found?

Yes

- Repair as necessary.
- Perform the POWERTRAIN VERIFICATION TEST. See: A L L Diagnostic Trouble Codes ( DTC ) > Verification Tests > Powertrain Verification Test.

No

- Replace and program the Powertrain Control Module.
- Perform the POWERTRAIN VERIFICATION TEST. See: A L L Diagnostic Trouble Codes ( DTC ) > Verification Tests > Powertrain Verification Test.

________________________________

Let me know if this helps or if you have other questions.

Joe
Was this
answer
helpful?
Yes
No
Thursday, April 9th, 2020 AT 6:32 PM
Tiny
JACOBANDNICKOLAS
  • MECHANIC
  • 110,192 POSTS
Hi,

Here are the diagnostics for your vehicle. The pin outs are attached. Let me know if there is additional information you need. The attached pics correlate with the directions.

__________________________________________

2008 Jeep Truck Liberty 4WD V6-3.7L
Gas
Vehicle ALL Diagnostic Trouble Codes ( DTC ) Testing and Inspection P Code Charts P0202 Gas
GAS
P0202-FUEL INJECTOR 2 CIRCUIT

pic 1

For a complete wiring diagram Consult Diagrams/Electrical.

Theory of Operation

The fueling strategy for NGC requires potentially three fuel pulses per cylinder per cycle. The first pulse is delivered starting at a programmed angle soon after the intake valve closes, for specified time duration. This is for two reasons, one to prevent any fuel from this pulse being delivered in the previous cycle and second to allow fueling to begin as early as possible in the current cycle. The second pulse is delivered for a specified time and is set to end at a programmed angle. The pulse must not extend past the end angle. There can be a separate value for each cylinder under the same operating conditions. This is done for two reasons, one to prevent any fuel from this pulse being delivered during the intake/exhaust valve overlap period, which tends to cause elevated emission levels. Also, allowing fuel to enter each cylinder at a slightly different angle tends to reduce any fuel pressure standing waves in the fuel rail. If the desired total fuel pulse-width increases, a third fuel pulse must be delivered. The third pulse, if necessary, is delivered for a specified time and must end at a programmed angle before the valve closes again. The third pulse in the cycle is controlled by its ending angle. This is also for two reasons, one to prevent any fuel from this pulse being delivered in the next cycle and second to allow fueling to end as late as possible in the current cycle. At high engine speeds, one or more of the pulses may be dropped from the fueling strategy.

- When Monitored:
With battery voltage greater than 10 volts. Auto Shutdown Relay energized. Engine speed less than 3000 rpm.

- Set Condition:
The PCM monitors the continuity of the injector circuits as well as the voltage spike created by the collapse of the magnetic field in the injector coil. Any condition that reduces the maximum current flow or the magnitude of the voltage spike can cause this DTC to set.

Pic 2

Always perform the Pre-Diagnostic Troubleshooting procedure before proceeding. See: Computers and Control Systems > Initial Inspection and Diagnostic Overview > Pre-Diagnostic Troubleshooting Procedure.

Diagnostic Test

1. ACTIVE DTC
Turn the ignition on.
With the scan tool, select View DTCs. Record DTC and Freeze Frame information.
Start the engine and allow it to reach operating temperature.

WARNING: When the engine is operating, do not stand in direct line with the fan. Do not put your hands near the pulleys, belts, or fan. Do not wear loose clothing. Failure to follow these instructions can result in personal injury or death.

NOTE: Review Freeze Frame information. Operate the vehicle under conditions similar to which the DTC was set.

With a scan tool, select View DTCs.
Is the DTC Active at this time?

Yes

- Go To 2

No

- Refer to the INTERMITTENT CONDITION Diagnostic Procedure. See: Computers and Control Systems > Component Tests and General Diagnostics > Intermittent Condition.

2. FUEL INJECTOR 2 CIRCUIT RESISTANCE

pic 3

Turn the ignition off.
Disconnect the C2 PCM harness connector.
Remove the ASD Relay.

NOTE: The resistance of the circuit will vary according to the temperature of the injector coil. Use the table below to determine the resistance range of the injector.

CAUTION: Do not probe the PCM harness connectors. Probing the PCM harness connectors will damage the PCM terminals resulting in poor terminal to pin connection. Install Miller Special Tool #8815 to perform diagnosis.

Measure the resistance of the Fuel Injector 2 circuit from the appropriate terminal of special tool #8815 and the ASD Relay connector.

Pic 4

Is the resistance of the injector within the specified range?

Yes

- Go To 7

No

- Go To 3

3. FUEL INJECTOR 2 WIRING AND CONNECTOR INSPECTION
Turn the ignition off.
Verify that the Fuel Injector 2 is properly connected to the injector. Disconnect the Fuel Injector 2 connector and Inspect the terminals for any condition that would result in a poor connection.
Using the wiring diagram/schematic as a guide, inspect the Fuel Injector 2 wiring and connector.
Look for any chafed, pierced, pinched, or partially broken wires.
Verify that there is good pin to terminal contact in the Injector and Powertrain Control Module connectors.
Look for broken, bent, pushed out or corroded terminals.
Were any problems found?

Yes

- Repair as necessary.
- Perform the POWERTRAIN VERIFICATION TEST. See: A L L Diagnostic Trouble Codes ( DTC ) > Verification Tests > Powertrain Verification Test.

No

- Go To 4

4. (F342) ASD RELAY OUTPUT CIRCUIT

pic 5

Connect the C2 PCM harness connector.
Turn the ignition on.
With the scan tool, actuate the Auto Shutdown (ASD) Relay Control State.
Using a 12-volt test light connected to ground, check the (F342) ASD Relay Output circuit in the Fuel Injector 2 harness connector.

NOTE: The test light should be illuminated and bright. Compare the brightness to that of a direct connection to the battery.

Is the test light illuminated and bright?

Yes.

- Go To 5

No.

- Repair the excessive resistance or short to ground in the (F342) ASD Relay Output circuit.
- Perform the POWERTRAIN VERIFICATION TEST. See: A L L Diagnostic Trouble Codes ( DTC ) > Verification Tests > Powertrain Verification Test.

5. (K12) INJECTOR 2 CONTROL CIRCUIT OPEN

pic 6

CAUTION: Do not probe the PCM harness connectors. Probing the PCM harness connectors will damage the PCM terminals resulting in poor terminal to pin connection. Install Miller Special Tool #8815 to perform diagnosis.

Turn the ignition off.
Disconnect the C2 PCM harness connector.
Measure the resistance of the (K12) Injector 2 Control circuit from the Fuel Injector harness connector to the appropriate terminal of special tool #8815.
Is the resistance below 5.0 ohms?

Yes

- Go To 6

No

- Repair the open in the (K12) Injector 2 Control circuit.
- Perform the POWERTRAIN VERIFICATION TEST. See: A L L Diagnostic Trouble Codes ( DTC ) > Verification Tests > Powertrain Verification Test.

6. FUEL INJECTOR 2
Using the wiring diagram/schematic as a guide, inspect the wiring and connectors between the Fuel Injector 2 and the Powertrain Control Module (PCM).
Look for any chafed, pierced, pinched, or partially broken wires.
Look for broken, bent, pushed out or corroded terminals.
Verify that there is good pin to terminal contact in the Injector and Powertrain Control Module connectors.
Search for any Technical Service Bulletins that may apply.
Were any problems found?

Yes

- Repair as necessary.
- Perform the POWERTRAIN VERIFICATION TEST. See: A L L Diagnostic Trouble Codes ( DTC ) > Verification Tests > Powertrain Verification Test.

No

- Replace the Fuel Injector 2.
- Perform the POWERTRAIN VERIFICATION TEST. See: A L L Diagnostic Trouble Codes ( DTC ) > Verification Tests > Powertrain Verification Test.

7. (K12) INJECTOR 2 CONTROL CIRCUIT SHORTED TO GROUND

pic 7

Turn the ignition off.
Disconnect the C2 PCM harness connector.
Measure the resistance between ground and the (K12) Injector 2 Control circuit in the Injector harness connector.
Is the resistance below 100 ohms?

Yes

- Repair the short to ground in the (K12) Injector 2 Control circuit.
- Perform the POWERTRAIN VERIFICATION TEST. See: A L L Diagnostic Trouble Codes ( DTC ) > Verification Tests > Powertrain Verification Test.

No

- Go To 8

8. POWERTRAIN CONTROL MODULE (PCM)
Using the wiring diagram/schematic as a guide, inspect the wiring and connectors between the Fuel Injector 2 and the Powertrain Control Module (PCM).
Look for any chafed, pierced, pinched, or partially broken wires.
Look for broken, bent, pushed out or corroded terminals. Verify that there is good pin to terminal contact in the Injector and Powertrain Control Module connectors.
Search for any Technical Service Bulletins that may apply.
Were there any problems found?

Yes

- Repair as necessary.
- Perform the POWERTRAIN VERIFICATION TEST. See: A L L Diagnostic Trouble Codes ( DTC ) > Verification Tests > Powertrain Verification Test.

No

- Replace and program the Powertrain Control Module.
- Perform the POWERTRAIN VERIFICATION TEST. See: A L L Diagnostic Trouble Codes ( DTC ) > Verification Tests > Powertrain Verification Test.

________________________________

Let me know if this helps or if you have other questions.

Joe
Was this
answer
helpful?
Yes
No
Thursday, April 9th, 2020 AT 6:32 PM

Please login or register to post a reply.