In what order does the poppets go from Spider injector

Tiny
DLZ
  • MEMBER
  • 1995 CHEVROLET BLAZER
  • 4.3L
  • 6 CYL
  • 2WD
  • AUTOMATIC
  • 360,000 MILES
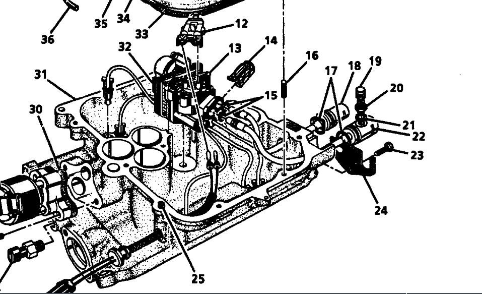
I removed my old spider without marking where the poppets go.
Friday, January 18th, 2019 AT 11:51 AM

1 Reply

Tiny
ASEMASTER6371
  • MECHANIC
  • 52,796 POSTS
Good afternoon,

The new spider has the poppets on them and they fall right to the correct cylinders for installation. Check out the diagrams (Below). Please let us know what you find.

Roy
Was this
answer
helpful?
Yes
No
-3
Friday, January 18th, 2019 AT 12:19 PM

Please login or register to post a reply.