After replacing the battery green key light is flashing?

Tiny
CHRISTOPHER IVAN ROEDER
  • MEMBER
  • 1998 HONDA ACCORD
  • 3.0L
  • V6
  • 2WD
  • AUTOMATIC
  • 288,122 MILES
I just changed my battery recently and now all of a sudden the green key light won't stop flashing. Is there anyway to reset this? I have the original key so not sure why it won't start. Thanks in advance.
Sunday, September 12th, 2021 AT 3:01 PM

6 Replies

Tiny
JACOBANDNICKOLAS
  • MECHANIC
  • 110,192 POSTS
Hi,

Let's try to reset things. Here is what I need you to try:

1. Turn the ignition switch to lock (0), and remove the key. This lessens the chance of voltage spikes.

2. Disconnect the battery cables-negative cable first, then positive.

3. Short the battery cables together with a jumper wire. I usually tie the cables together with a zip tie.

4. Turn the ignition switch to on (II), and wait 10 minutes.

5. Turn the ignition switch to lock (0), and remove the key.

6. Reconnect the battery and check if that eliminates the problem.

https://www.2carpros.com/articles/how-to-reset-a-security-system

Let me know if that helps or if you have other questions.

Take care,

Joe
Was this
answer
helpful?
Yes
No
Sunday, September 12th, 2021 AT 8:47 PM
Tiny
CHRISTOPHER IVAN ROEDER
  • MEMBER
  • 156 POSTS
I will give it a try and let you know. Thank you
Was this
answer
helpful?
Yes
No
Monday, September 13th, 2021 AT 8:16 AM
Tiny
CHRISTOPHER IVAN ROEDER
  • MEMBER
  • 156 POSTS
When you say short the cables what do you mean exactly? I don't want to fudge anything up.
Was this
answer
helpful?
Yes
No
Monday, September 13th, 2021 AT 8:17 AM
Tiny
JACOBANDNICKOLAS
  • MECHANIC
  • 110,192 POSTS
Hi,

Totally disconnect the battery. Next, connect the battery cables together. The cables only. The battery will be disconnected at this point.

Let me know if you have other questions.

Take care.

Joe
Was this
answer
helpful?
Yes
No
Monday, September 13th, 2021 AT 7:12 PM
Tiny
CHRISTOPHER IVAN ROEDER
  • MEMBER
  • 156 POSTS
I did that, still not starting. It started up for me twice yesterday but then literally 20 minutes later it wouldn't start.
Was this
answer
helpful?
Yes
No
Monday, September 13th, 2021 AT 9:22 PM
Tiny
JACOBANDNICKOLAS
  • MECHANIC
  • 110,192 POSTS
Hi,

Since you have the original key, this isn't making sense. When the immobilizer is engaged, it shuts fuel down from the pump. Do you hear the pump actuate?

Also, when it doesn't start, does the engine still crank?

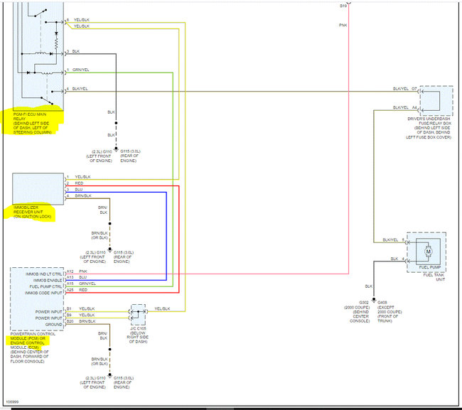
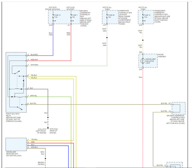
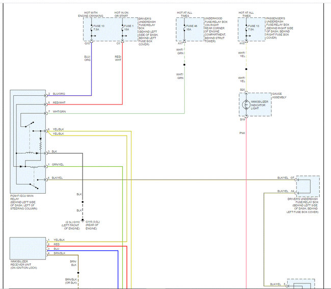
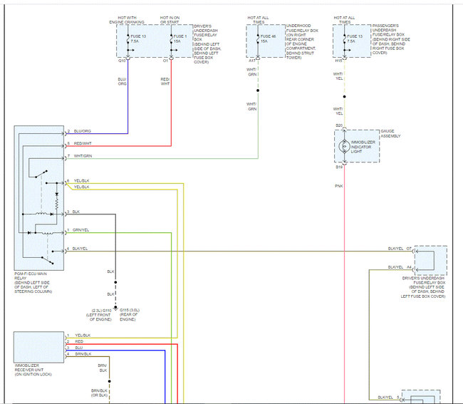
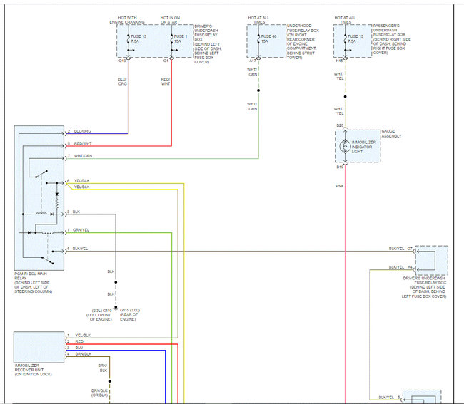
Let me know. As far as the immobilizer circuit, there is a receiver unit on the key cylinder That is what recognizes the key and signals the okay to the powertrain control module to run the fuel pump.

Take a look below. I attached the wiring schematic for this circuit.

Let me know if you hear the fuel pump, if the starter engages when it's a no-start condition, and inspect the fuses identified in pic 1 below. Since it did start yesterday, I doubt a fuse is bad; however, there could be a connection issue in the fuse box.

Let me know.

Joe

See pics below. I had to cut it pic in half to make it readable for you. I did, however, overlap them so you can follow from one to the next.
Was this
answer
helpful?
Yes
No
Tuesday, September 14th, 2021 AT 6:56 PM

Please login or register to post a reply.