Wednesday, March 23rd, 2022 AT 4:48 PM
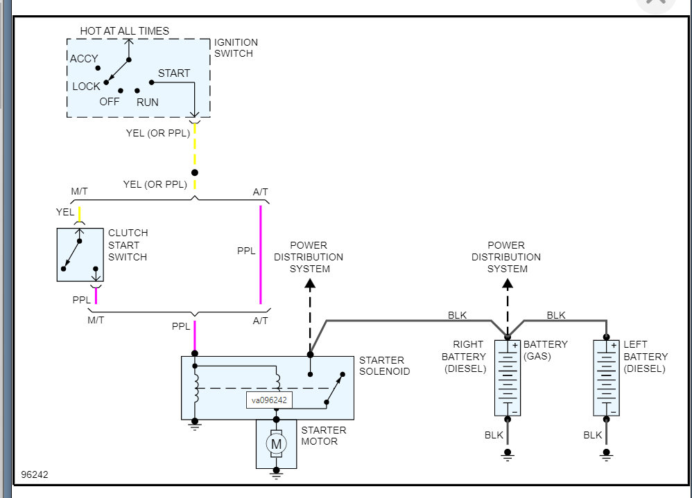
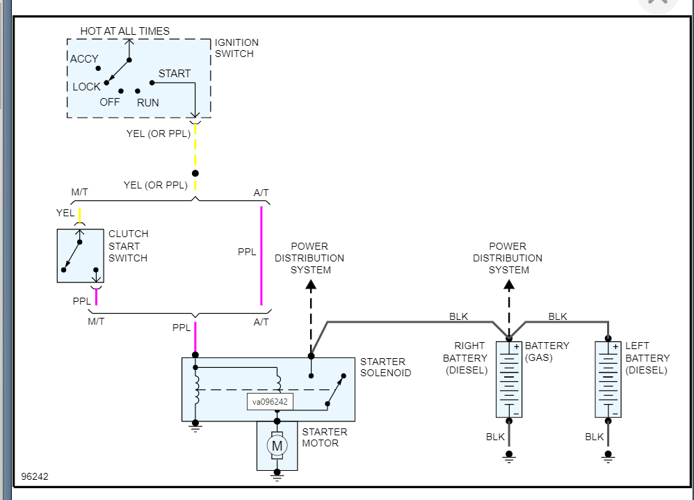
So, what happened was when I was backing into a parking space my truck sometimes cuts off due to low power when I turn the wheel to one side. So, it cut off one time. I put it in neutral and it started back up. Then I kept backing up then it completely cut off and shut off. My battery has power, my ignition won't turn on truck anymore. I have power, what could be the problem?
