Tuesday, April 24th, 2018 AT 6:10 PM
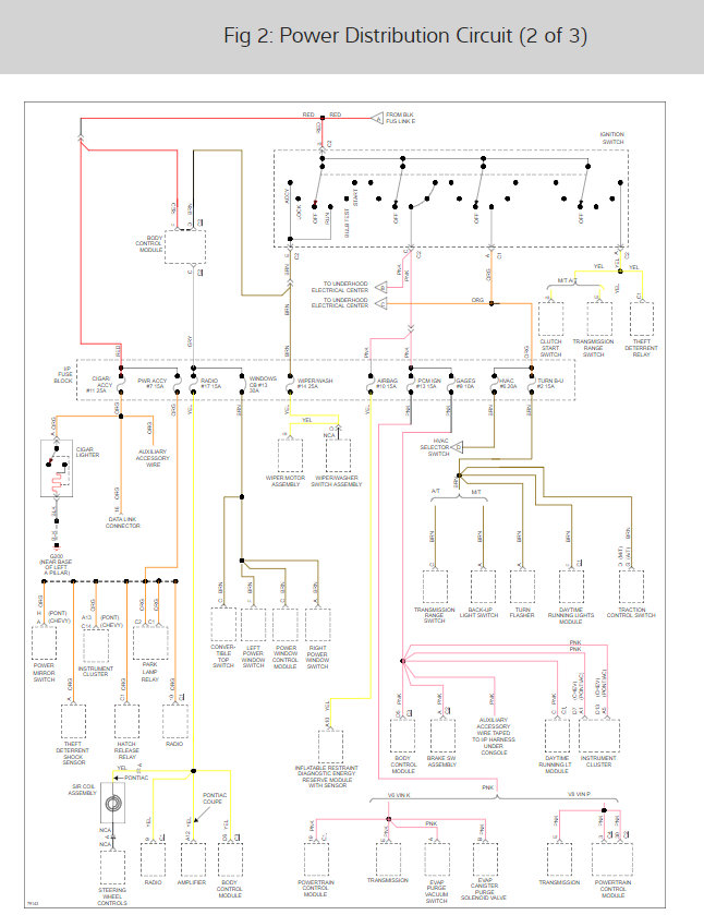
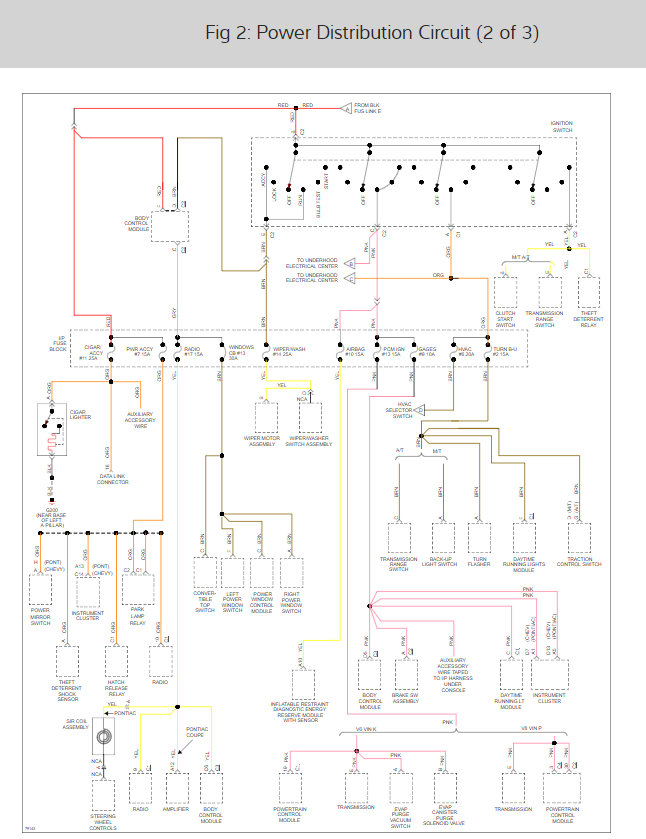
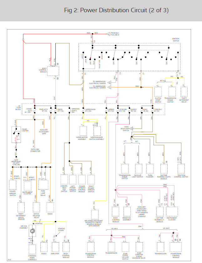
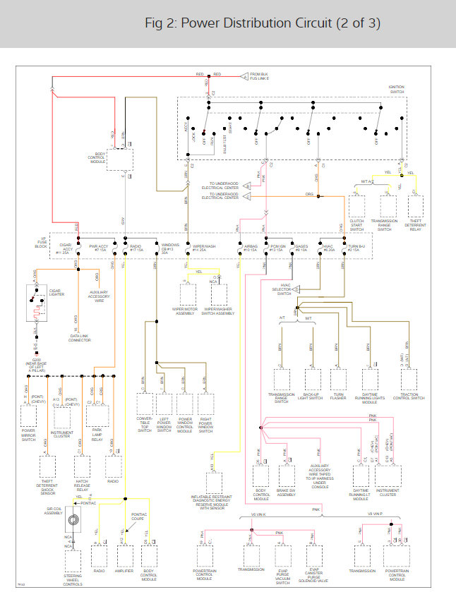
With the ignition switch off and key out the ignition seems to be in accessory instruments are on. My first thought was the ignition switch was in the wrong place on the switch, but moved it up and down the column the car would start but I could not make it shut off. So I replaced the switch no change. The only way to shut off the ignition is to disconnect the battery.



