HOME
ASK A QUESTION
REPAIR GUIDES
BECOME A MEMBER
LOG IN
Login with Facebook
OR
Remember me
NOT A MEMBER?
FORGOT PASSWORD?
CONTACT US
PRIVACY POLICY
TERMS AND CONDITIONS
☰
Home
Mazda
b3000
Engine
Wiring
Can I get the ignition system wiring diagram?
AMT4U
MEMBER
2002 MAZDA B3000
V6
2WD
AUTOMATIC
250,000 MILES
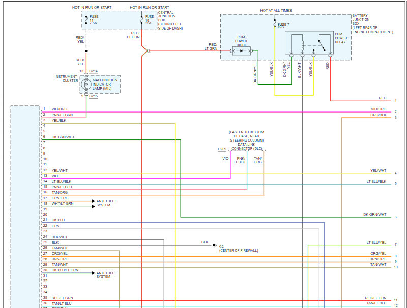
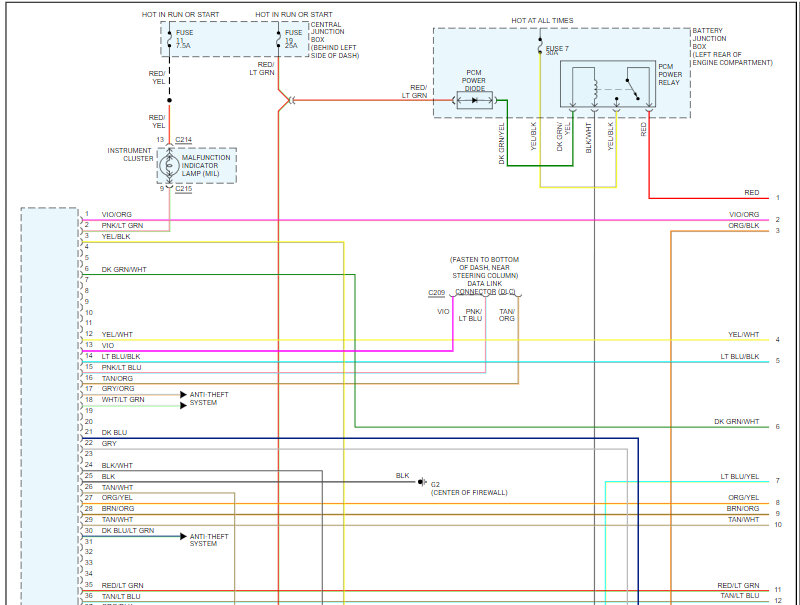
Need ignition system and engine wiring diagram or schematic.
Tuesday, April 16th, 2024 AT 12:06 PM
1 Reply
JACOBANDNICKOLAS
MECHANIC
110,189 POSTS
Hi,
I'm not sure exactly what you need. So, I attached the entire powertrain management wiring schematic below.
The schematic was four pages. I had to cut each page in half to make them readable for you. I did overlap them.
Let me know if this helps.
Take care,
Joe
See pics below.
Images (Click to make bigger)
Was this
answer
helpful?
Yes
No
Tuesday, April 16th, 2024 AT 7:59 PM
Please
login
or
register
to post a reply.
Related Engine Wiring Content
2002 Mazda B3000 Oil Pressure
My Oil Pressure Jumps Up And Down When I Slow Down To Come To A Complete Stop After An Approximately Half Hour To 45 Minute Drive At 60mph...
Asked by
lumi316
·
1 ANSWER
4 IMAGES
2002
MAZDA B3000
O2 Sensor
Could All 3 Of My O2 Sensors Be "reacting To Slow" On My 99 Mazda B3000 Truck? Thats What A Car Repair Shop Told Me
Asked by
MRSSHELTON
·
3 ANSWERS
1 IMAGE
1999
MAZDA B3000
Oil Filters
Why Did The 2006 Mazda B3000 Use A Different Oil Filter Than All Others Prior And Since? I Currently Use Fram.
Asked by
hdfxrt92
·
2 ANSWERS
2006
MAZDA B3000
1998 Mazda B3000 Engine Trouble
My Truck Is Idling And Running Rough And When I Am Driving It When I Accelerate It Jerks. It Has Also Lost A Lot Of Power And Mpg. I Have...
Asked by
Rico T
·
3 ANSWERS
1998
MAZDA B3000
2005 Mazda B3000
At Idle Sometimes Truck Acts Like Its Going To Choke Down {skips} Check Engine Light Will Flash On And Off Or Even Stays On Then Goes Off In...
Asked by
bigdog#1
·
1 ANSWER
2005
MAZDA B3000
VIEW MORE
Ask a Car Question. It's Free!
How to Use a Test Light
Engine Oil Change and Filter Ford Bronco
Engine Oil Replacement Honda Accord