HOME
ASK A QUESTION
REPAIR GUIDES
BECOME A MEMBER
LOG IN
Login with Facebook
OR
Remember me
NOT A MEMBER?
FORGOT PASSWORD?
CONTACT US
PRIVACY POLICY
TERMS AND CONDITIONS
☰
Home
Nissan
Altima
Electrical
Ignition Switch
Wiring
Ignition switch wiring
BRIAN ELMORE
MEMBER
1999 NISSAN ALTIMA
2.0L
4 CYL
2WD
AUTOMATIC
130,000 MILES
Need wiring diagram for ignition switch.
Wednesday, November 1st, 2017 AT 12:34 PM
1 Reply
KEN L
MASTER CERTIFIED MECHANIC
54,217 POSTS
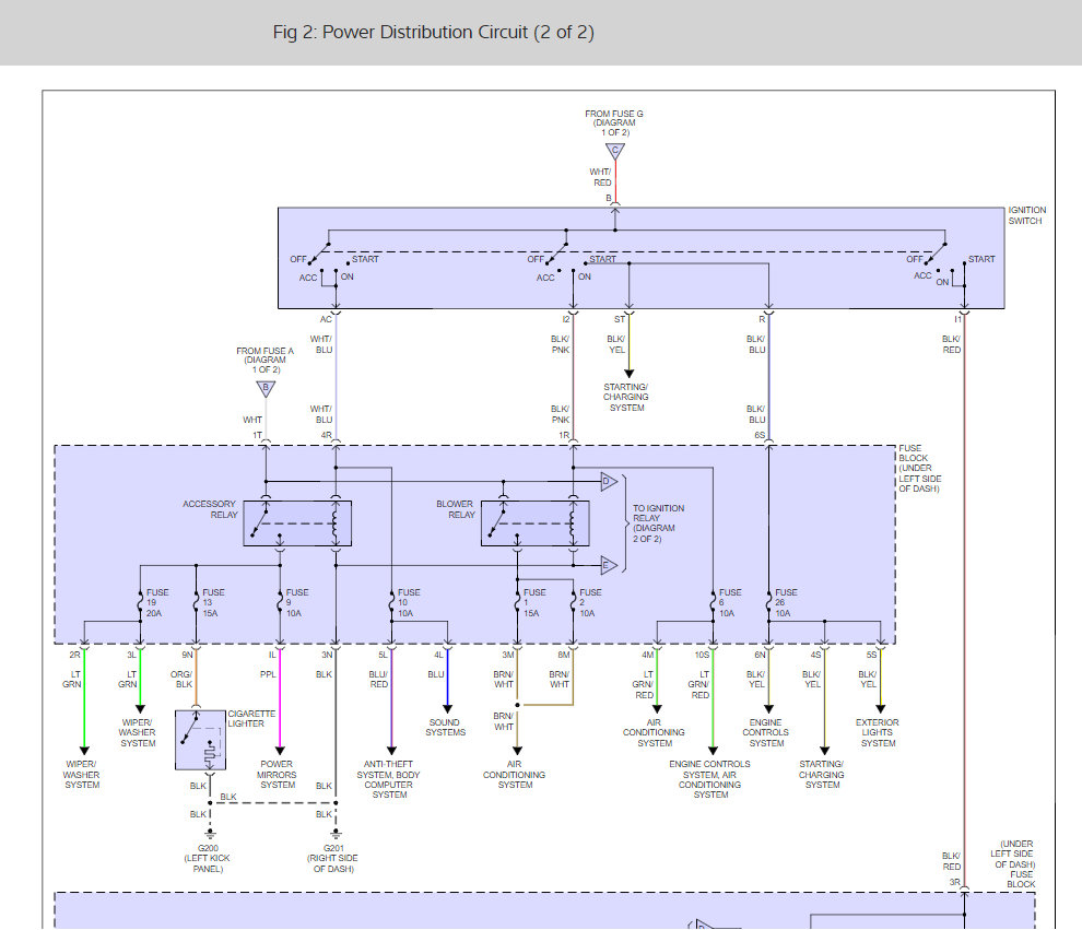
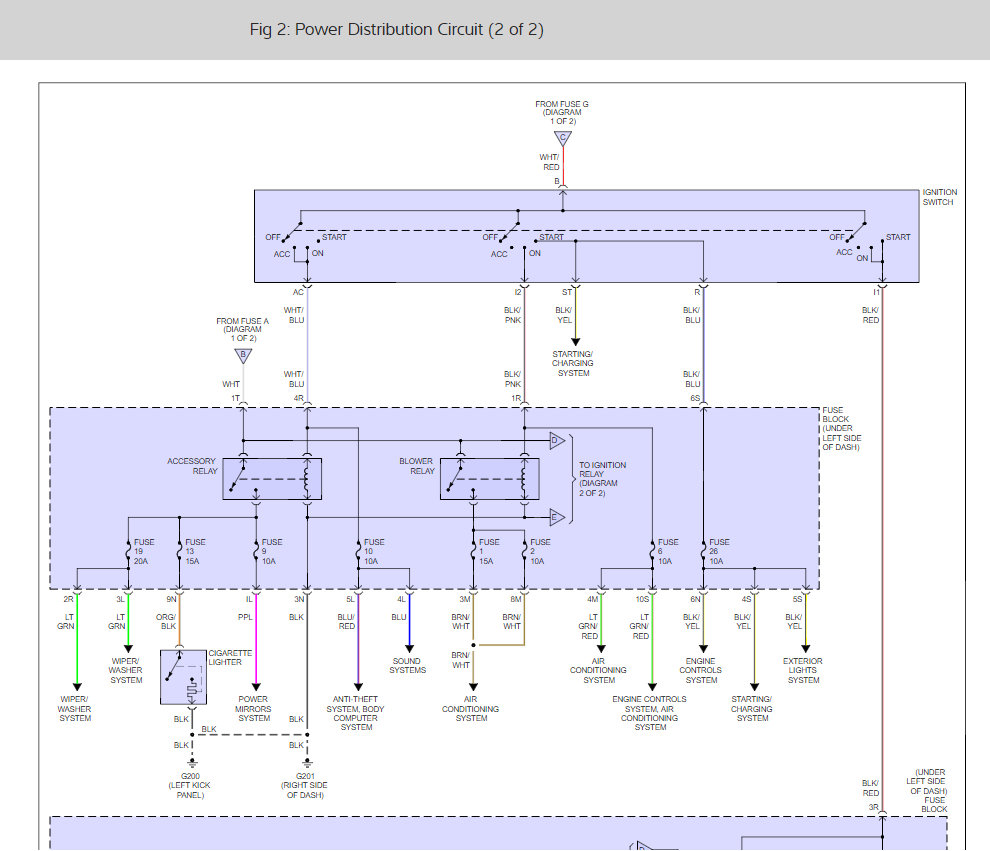
Here is the ignition switch wiring diagrams (below) Please let us know if you need anything else to get the problem fixed. Cheers, Ken.
Images (Click to make bigger)
Was this
answer
helpful?
Yes
No
+1
Sunday, November 5th, 2017 AT 4:16 PM
Please
login
or
register
to post a reply.
Related Ignition Switch Wiring Content
My Key Wont Turn At All
My Car Is On A Hill The Wheel Wasnt Locked At First But Now It Is Wat Can I Do
Asked by
ashley220
·
4 ANSWERS
1999
NISSAN ALTIMA
1999 Nissan Altima Ignition Switch
Front Wheels Are Locked To The Left. Ignition Switch Will Not Turn To Start Seems Like It Is The Switch. Steering Wheel Will Not Unlock.
Asked by
Buduker
·
2 ANSWERS
1999
NISSAN ALTIMA
Changing Ignition Switch
I Have A 2005 Nissan Altima. The Key Is Broken And I Currently Have Tape On It, But It Keeps Coming Loose. My Husband Is A Mechanic And We...
Asked by
msbridges
·
14 ANSWERS
2 IMAGES
2005
NISSAN ALTIMA
Key Wont Turn To Lock
Transmission Problem 4 Cylinder Front Wheel Drive Automatic 113,000 Miles My Key Is In The Ignition But Wont Turn All The Way To Off To...
Asked by
cranvill
·
3 ANSWERS
1998
NISSAN ALTIMA
How To Disconnect Factory Alram System
Hi I Have A Nissan Altima 1997 And I'm Having Problem With My Alram System. I Lost The Remort And When Ever I Open Car With A Key Alram Goes...
Asked by
rizvi23
·
1 ANSWER
1997
NISSAN ALTIMA
VIEW MORE
Ask a Car Question. It's Free!
Battery Replacement Honda
Battery Replacement Ford
Battery Replacement Toyota