Tuesday, February 26th, 2019 AT 5:12 AM
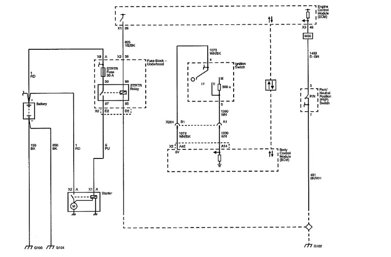
Over the last couple months sometimes my truck doesn't want to turn over. Lights and everything come on but the engine won't turn over. Not even a click or anything. Then about once a week or so I'll go to start it in the morning and my battery will be completely drained. I get a jump and it starts right up with no issues. I've had the starter, alternator, and battery checked. All is good. I'm starting to think it might be my ignition switch starting to go bad. Any advice or thoughts would be awesome please.
