Starter stays engaged after engine is running?

Tiny
ARTHRITIC KEITH
  • MEMBER
  • 2008 CHRYSLER 300
  • 3.5L
  • 6 CYL
  • 2WD
  • AUTOMATIC
  • 81,000 MILES
Mech replaced starter- not the problem.
Mech replaced ignition switch (FOB style) - not the problem.
The car battery is new and within spec.
Mini relay in the fuse box new- not the problem.

Is the issue an "ignition sense" circuit fault?
High amp starter relay is next.

From an old and stumped grease monkey.
This is my car! Can't fix my own car but I do great on everybody else's car.
Tuesday, September 5th, 2023 AT 4:03 PM

8 Replies

Tiny
JACOBANDNICKOLAS
  • MECHANIC
  • 110,192 POSTS
Hi,

By the mini relay, are you referring to the starter relay? If so, then we need to determine what is causing the relay to remain engaged.

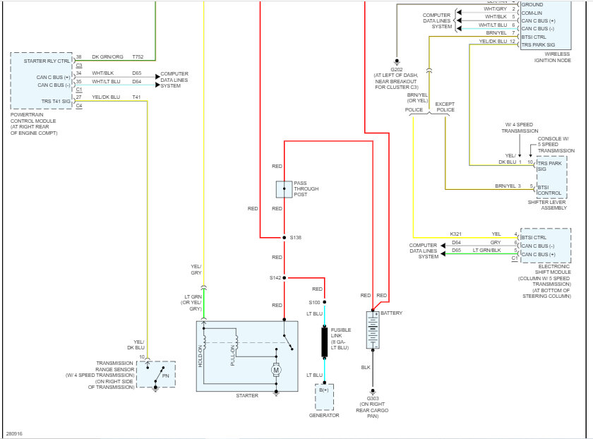
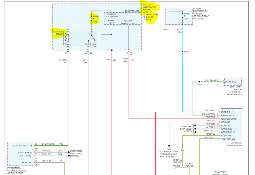
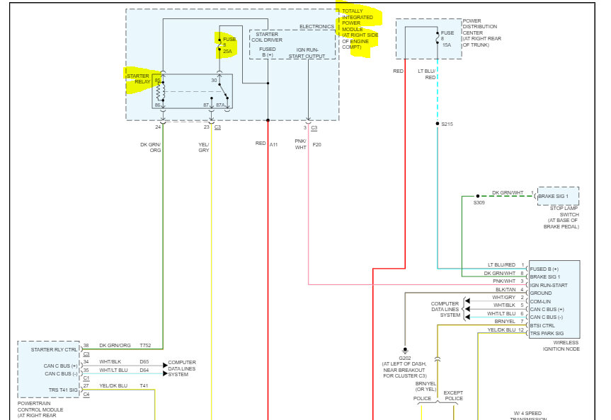
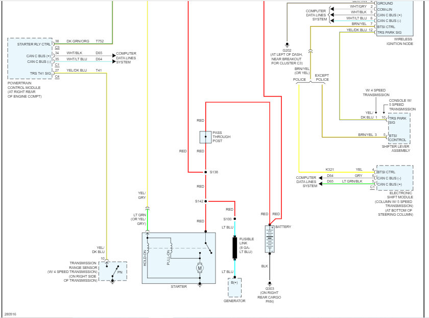
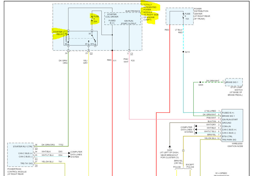
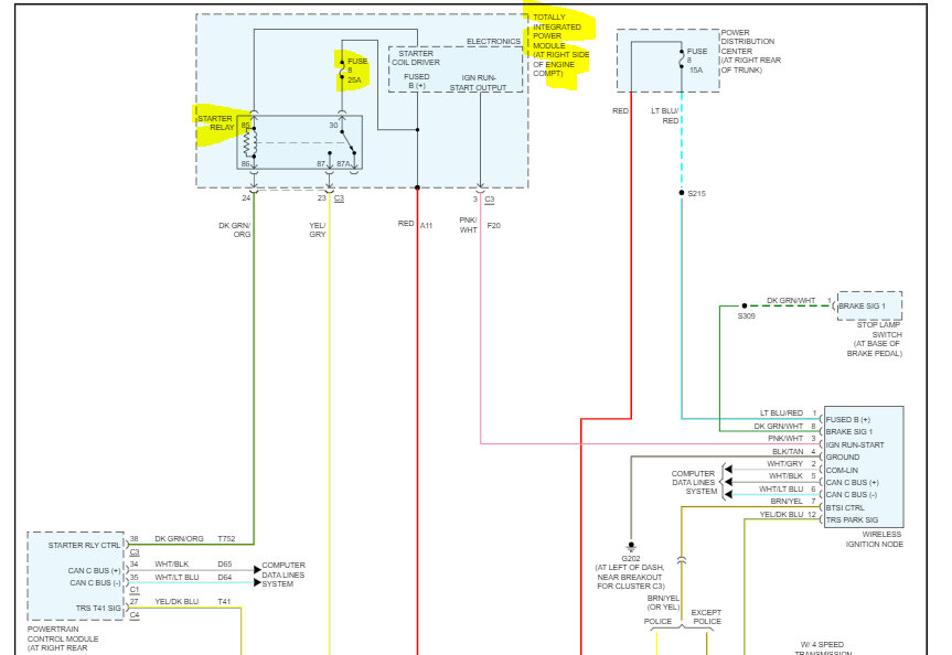
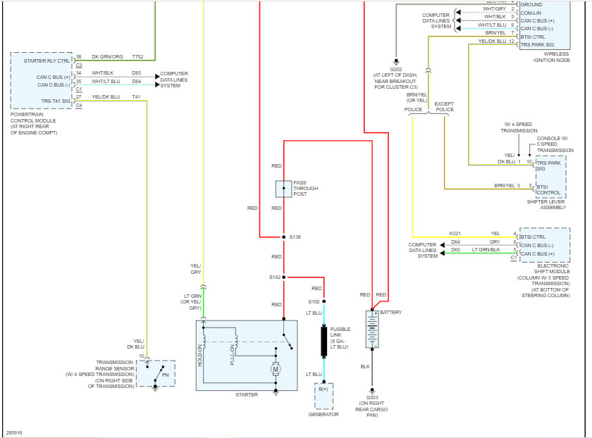
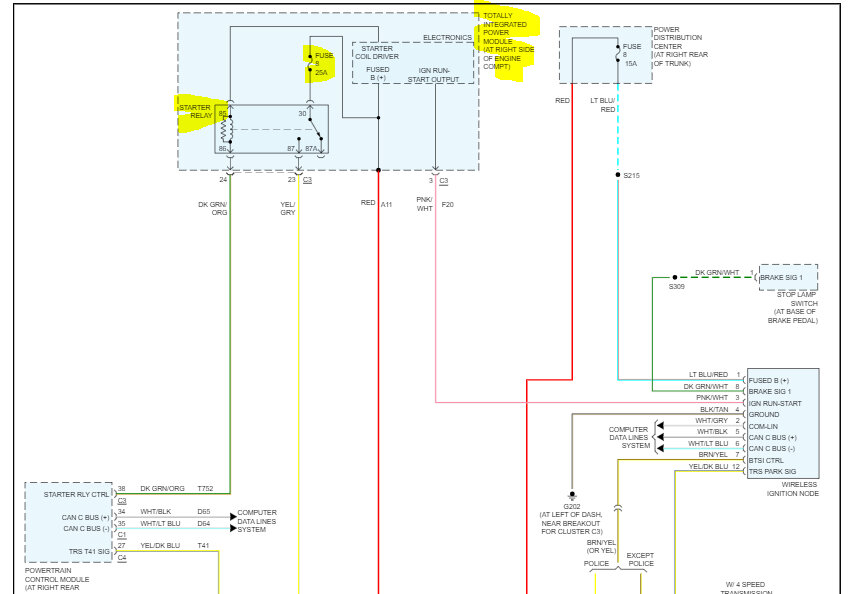
If I had to guess, I would say the starter coil driver in the totally integrated power module has shorted. So, to determine if the problem is on the primary or secondary side of the relay when the starter is engaged, we need to disconnect (or check) the dark green wire with an orange tracer (starter relay control) at the PCM (rear of the engine compartment.

Back probe that wire checking if there is continuity to ground when the starter is engaged, and the key is released. If there is continuity to ground, suspect the PCM. Keep in mind, that wire provides a ground path to actuate the primary on the starter relay, so ground should be present until the key is released.

If there is no change, suspect the TIPM.

See pics below. They are the wiring schematic (pics 1 and 2). Pic 3 shows the circuit at the PCM. The last pic shows the C3 connector pinout. Pin 38 is the ground path.

Let me know what you find.

Joe
Was this
answer
helpful?
Yes
No
Tuesday, September 5th, 2023 AT 8:41 PM
Tiny
ARTHRITIC KEITH
  • MEMBER
  • 5 POSTS
Correction: I changed the "micro" relay associated with the starter. Next move would be the Bosch style mini load relay, but I doubt that's bad. I'll pull the PCM and test the green/orange lead on the C3 PCM plug as you described. Back of my old noggin tells me the PCM may be the culprit. I won't get back to you for a few days. I do thank you for sharing this info with me.
Note: I thought sure the ignition switch module was the problem. I had it in my mind that this switch just had a case dirty wipers, like and kind to the old-style intake AFMs. Not to be.
Was this
answer
helpful?
Yes
No
Wednesday, September 6th, 2023 AT 10:03 AM
Tiny
JACOBANDNICKOLAS
  • MECHANIC
  • 110,192 POSTS
Hi,

Thanks for the update. Let me know if you have other questions or if I can help.

Take care,

Joe
Was this
answer
helpful?
Yes
No
+1
Wednesday, September 6th, 2023 AT 5:24 PM
Tiny
ARTHRITIC KEITH
  • MEMBER
  • 5 POSTS
Re your previous reco on trouble shooting. I was a bit stumped initially because I couldn't find the dark green / orange wire. My Eagle Eyes. What I did find was some mickey mouse wire repairs near the loom connector to the black ECU plug. They were buried under suspicious electrical tape cover repairs. I made quality solder repairs w/ shrink tubing at the defective connections. 1st two attempts at starting the engine were perfect. The 3rd and 4th attempt. Starter run-on. My ECU was under warranty, so I had a replacement in hand. Swapped the ECU and all is well. Ten attempts at starting over a 3-hour period, hot/cold engine. All is well so far. Note: this 2008 300 car was an Enterprise purchase in 2010 w/ 17k on the counter. The wire repairs are a mystery. You never know what you're going to find. And of course, knock on wood because it's a Chrysler product. Beautiful car in impeccable condition. I sincerely thank you guys for your detailed recommendations.
Was this
answer
helpful?
Yes
No
Wednesday, September 20th, 2023 AT 2:50 PM
Tiny
ARTHRITIC KEITH
  • MEMBER
  • 5 POSTS
A new day. The same problem with starter run on, only worse. Back to the wiring.
Was this
answer
helpful?
Yes
No
Thursday, September 21st, 2023 AT 12:28 PM
Tiny
JACOBANDNICKOLAS
  • MECHANIC
  • 110,192 POSTS
Hi,

Did you check the trigger wire to make sure nothing is causing a short to power? Same at the starter relay?

Let me know.

Joe
Was this
answer
helpful?
Yes
No
+2
Thursday, September 21st, 2023 AT 7:01 PM
Tiny
ARTHRITIC KEITH
  • MEMBER
  • 5 POSTS
It's been a while. I wanted to get back to you guys with the final resolution of the 08 Chrysler 300 dilemma and what I learned about my issue with starter run-on once the engine was running. Out of the blue the starting issue went from starter run-on to the engine won't start. My check of the injection fuel pressure showed that the required fuel pressure was not being met during crank/initial start-up. Once running no fuel pressure issue. I swapped out the pump. Here it is weeks later, and no starter run on, and it starts perfectly every time.
My question is, is the ECU circuitry so complex as to require observed fuel pressure during cranking (and initial start) and in turn keep the starter engaged until that optimum fuel pressure requirement is within operational tolerance? I mean I'm happy and my wife is happier, but dang! If my assumption is correct re the complex integration of sensory input to the ECU, then this is a definite reliability issue that Uncle Chrysler needs to resolve. And, if my assumption is correct, this should have a specific trouble code. Dang! Let me know what you think. And thanks again for your knowledge and skills. Regards from the old and more arthritic Keith
Was this
answer
helpful?
Yes
No
Sunday, November 12th, 2023 AT 4:14 PM
Tiny
JACOBANDNICKOLAS
  • MECHANIC
  • 110,192 POSTS
Keith,

The problem is, you are too rational, logical, and down to earth. LOL Why do something that would make sense?

As far as the pressure, at start up, the pump only runs for a very short time to prime the system. If there is no ignition signal, the PCM shuts it off. When trouble shooting a problem like this, I usually have a bad headache at the end of the day. LOL

Take care of yourself,

Joe
Was this
answer
helpful?
Yes
No
Sunday, November 12th, 2023 AT 7:28 PM

Please login or register to post a reply.