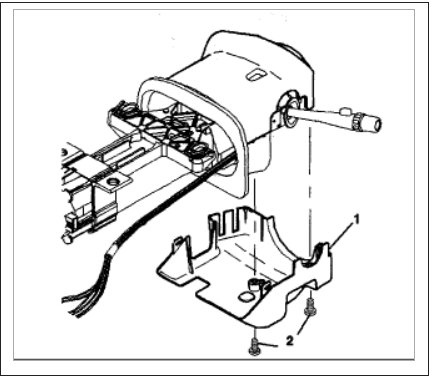
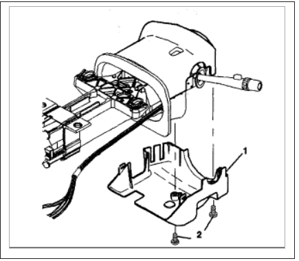
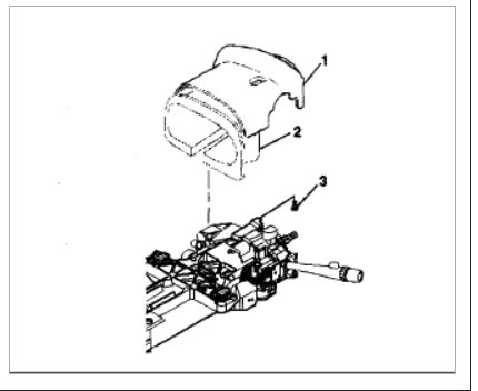
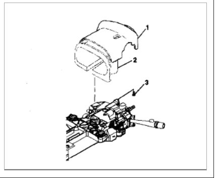
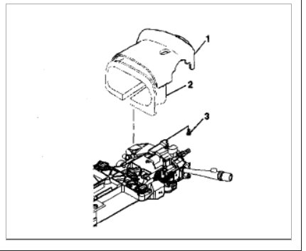
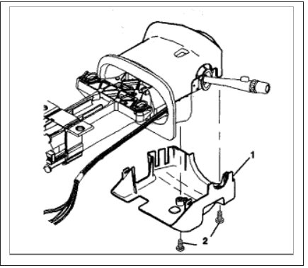
Our steering wheel does not lock. We do not have to apply our foot to the brake to remove from park, and our key is stuck in the ignition.
Anyone have some help for these problems?
Anyone have some help for these problems?
Dec 8, 2017 at 10:58 AM








