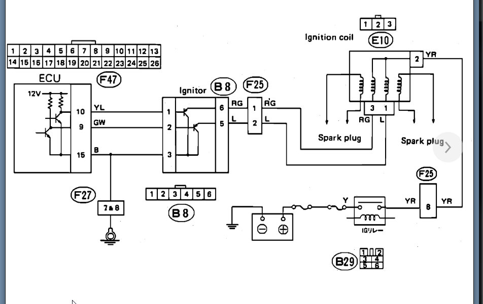
Wednesday, October 30th, 2019 AT 5:13 PM
When I turn the ignition on, there is nothing. There is no power. If I turn the ignition on again, and leave it in the “on” position for about three seconds, it fires up, and runs fine. What could be causing this?

