How to test the Ignition Module?

Tiny
KHALIDYASIN
  • MEMBER
  • 1994 OPEL CORSA
  • 1.2L
  • 4 CYL
  • 2WD
  • MANUAL
  • 100,000 MILES
How can I test my ignition module with four pins S+, B+, Grn and C using 12 v power source and a multimeter?
Thursday, October 13th, 2022 AT 8:43 AM

1 Reply

Tiny
BORIS K
  • MECHANIC
  • 836 POSTS
Hello,

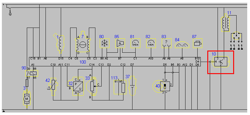
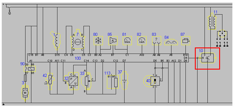
At the 4-pin module you have.

Pin 1- control to coil, switched ground
Pin 2- ground
Pin 3- ignition voltage
Pin 4, control from ECM, square wave signal

See image 1 below.

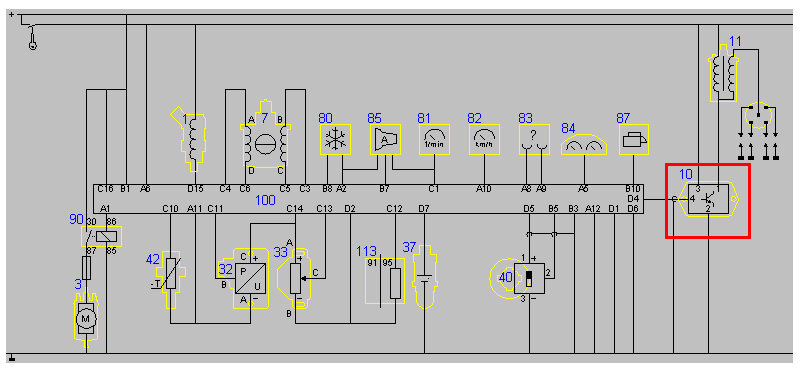
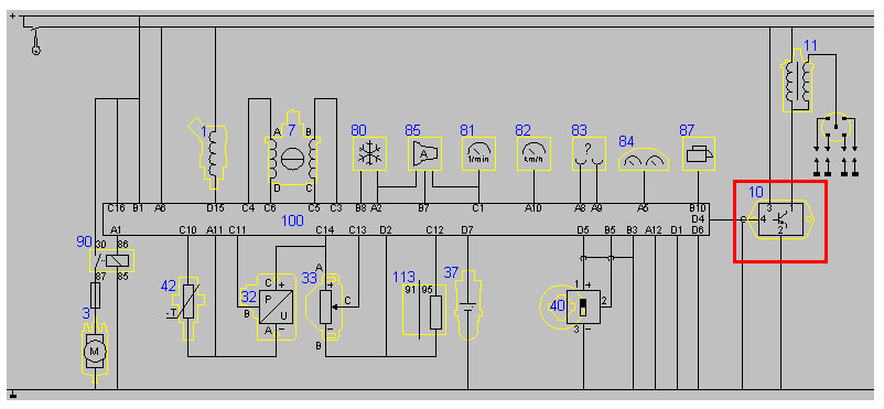
Ensure when you test the module that it is grounded properly with the metal underside secured to the vehicle body
See image 2.

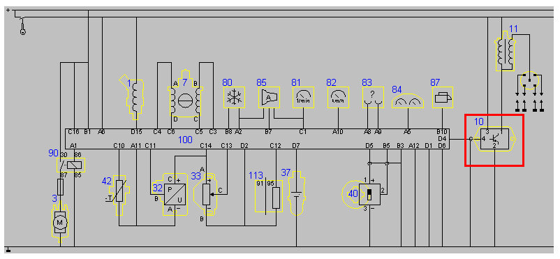
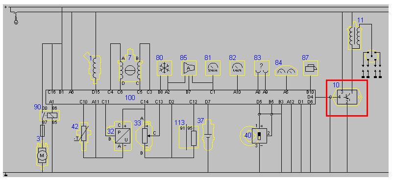
The control for the module at pin 4 appears to be a switched voltage, see image 3.

Hope this helps.

Cheers, Boris
Was this
answer
helpful?
Yes
No
Friday, October 14th, 2022 AT 8:51 AM

Please login or register to post a reply.