I need to change the Ignition switch

Tiny
DAVE1124
  • MEMBER
  • 2011 DODGE CALIBER
  • 55,000 MILES
How to change ignition switch in my car?
Tuesday, November 1st, 2016 AT 4:28 PM

8 Replies

Tiny
KEN L
  • MASTER CERTIFIED MECHANIC
  • 55,281 POSTS
Here you go! Please let us know how it turns out

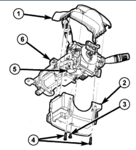
Remove air cleaner fresh air duct (2) and disconnect and isolate negative battery cable at battery. Refer to BATTERY, Removal.
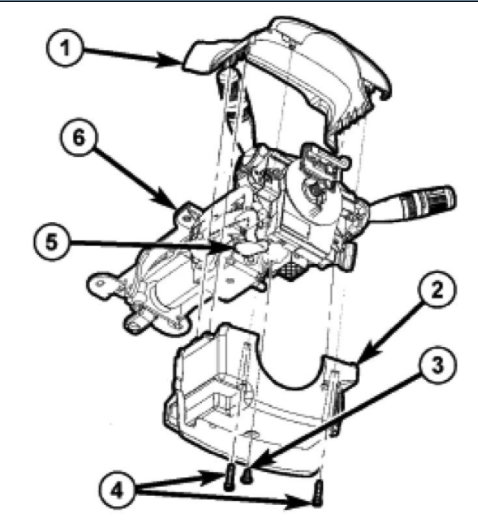
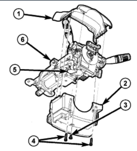
Fig 1: Steering Column Shrouds

Remove upper (1) and lower (2) steering column shrouds. Refer to SHROUD, Steering Column, Lower, Removal and SHROUD, Steering Column, Upper, Removal.
Fig 2: Ignition Switch Mounting Screw

Position steering column to the full down position.
Position ignition key to the RUN position.
Disconnect the ignition switch electrical connector.
Remove the ignition module mounting screw (1).
Fig 3: Ignition Switch Removal/Installation

CAUTION:
Extreme care must be taken when removing the ignition switch. The detent pin (3) located in the ignition cylinder housing is very delicate. Excessive force used when removing the ignition switch can cause this part to break. The ignition cylinder housing will need to be replace if this occurs.

Gently pull ignition module (1) straight out and off the retaining tabs (2) located on the lock cylinder housing.

View Full-Screen
Pay close attention not to damage the detent pin in the lock cylinder housing when removing the ignition switch. Gently rotate the ignition switch counter - clockwise until the part of the ignition switch where the electrical connector (1) plugs in clears the tilt lever (2) as shown in illustration. Remove the ignition switch from the lock cylinder housing.
Installation

INSTALLATION

Fig 5: Ignition Switch Rotated

CAUTION:
Carefully install the ignition switch to the slotted detent pin. If installed forcefully the detent pin will break the ignition cylinder lock housing will have to be replaced.

Pay close attention not to damage the detent pin in the lock cylinder housing when installing the ignition switch Position the ignition switch (1) as shown in order in illustration to clear the tilt lever (2).
Fig 6: Ignition Switch Removal/Installation

Ensure the ignition module is in the RUN position and the actuator shaft in the lock housing is in the RUN position.
Align the ignition switch (1) with the detent pin (3), and retaining tabs (2) located on the lock cylinder housing. Carefully install the module, snapping it into place over the retaining tabs. Make sure the ignition switch is fully seated.
Fig 7: Ignition Switch Mounting Screw

Install the ignition module (2) mounting screw (1). Tighten the screw to 2 N.M (18 in. Lbs.).
Connect the ignition switch electrical connector.
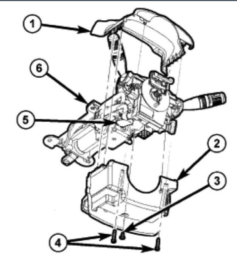
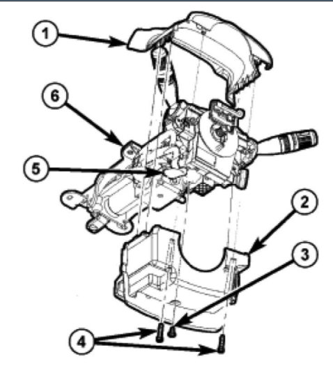
Fig 8: Steering Column Shrouds

Install upper (1) and lower (2) steering column shrouds. Refer to SHROUD, Steering Column, Lower, Installation and SHROUD, Steering Column, Upper, Installation.
Install air cleaner fresh air duct (2) and disconnect and isolate negative battery cable at battery. Refer to BATTERY, Installation.
Check operation of all steering column mounted components.
IGNITION SWITCH [ DISASSEMBLY ]

Fig 9: Ignition Switch Mounting Screw

NOTE:
Lock cylinder housing removed from column.

Remove the ignition switch (2) mounting screw (1).
Fig 10: Ignition Switch Removal/Installation

Pull the switch (1) straight out and off the retaining tabs (2) located on the lock cylinder housing.
IGNITION SWITCH [ ASSEMBLY ]

Fig 11: Ignition Switch Removal/Installation

Ensure the ignition switch is in the RUN position and the actuator shaft in the lock housing is in the RUN position.
CAUTION:
Use care when installing the ignition switch on the lock cylinder housing to avoid damaging the key-in plunger (3).

Align the ignition switch with the key-in plunger (3), actuator shaft and retaining tabs (2) located on the lock cylinder housing. Carefully install the switch, snapping it into place over the retaining tabs.
Fig 12: Ignition Switch Mounting Screw

Install the ignition switch (2) mounting screw (1). Tighten the screw to 2 N.M (18 in. Lbs.).

Best, Ken
Was this
answer
helpful?
Yes
No
Monday, November 7th, 2016 AT 8:47 AM
Tiny
MATTHEW EDWARDS
  • MEMBER
  • 1 POST
  • 2007 DODGE CALIBER
  • 4 CYL
  • 2WD
  • AUTOMATIC
  • 100,000 MILES
How to replace ignition switch on a 2007 dodge caliber
Was this
answer
helpful?
Yes
No
+2
Monday, July 6th, 2020 AT 4:56 PM (Merged)
Tiny
BLUELIGHTNIN6
  • MECHANIC
  • 16,542 POSTS
Remove air cleaner fresh air duct.
Disconnect and isolate negative battery cable at battery,
Remove upper and lower steering column shrouds,
Remove steering column opening cover.
Remove the screw (2) that secures the right multi-function switch (1) to the mounting bracket integral to the right side of the clockspring (3) on the steering column.

Slide the switch away from the clockspring far enough to disengage the slide tab on the bottom of the switch housing from the channel formation in the mounting bracket.
Position the multi-function switch aside.
Position steering column to the full down position.
Position ignition key to the RUN position.
Remove screw (1) fastening the SKREEM/WCM (2) to the lock cylinder housing (3).

Unhook the SKREEM/WCM (2) retainer fingers from the lock cylinder housing (3) and position the SKREEM/WCM (2) back on the lock cylinder housing (3).
Insert an appropriate tool into the slot (1) formed into the lock cylinder housing.

Depress the key cylinder retaining tab.
Pull key cylinder (3) and key (2) straight out of the lock cylinder housing as one unit.

To install:

Place actuator in the lock cylinder housing to the RUN position (if not already there).
Insert key into key cylinder and turn key cylinder to the RUN position.
Align the retaining tab on the key cylinder with the slot in the top of the lock cylinder housing.
Slide key cylinder into the lock cylinder housing until key cylinder retaining tab locks the cylinder into place.
Rotate key back and forth (OFF to START), then remove and reinstall it, making sure key cylinder and lock cylinder housing operate properly.
Slide the ring of SKREEM/WCM over lock cylinder housing and engage the retainer fingers in the recesses formed on the lock cylinder housing.
Install screw fastening the SKREEM/WCM to lock cylinder housing. Tighten screw to 22 inch lbs. (2.5 Nm).
Install and tighten the screw that secures the mounting tab on the back of the right multi-function switch to the mounting bracket on the clockspring.
Install steering column opening cover,
Install upper and lower steering column shrouds,
Install air cleaner fresh air duct and connect negative battery cable at battery,
Check operation of all steering column mounted components.

Check out the diagrams (Below). Please let us know if you need anything else to get the problem fixed.
Was this
answer
helpful?
Yes
No
+7
Monday, July 6th, 2020 AT 4:56 PM (Merged)
Tiny
GILESFRANCISCO
  • MEMBER
  • 1 POST
Hello Mat,
I am following these directions but I got stuck in the final step to remove the lock. I think I found the slot but I have not found a suitable tool. I am trying with a tiny screwdriver that fits into the slot but when I push down I cannot feel any tab moving down. Is the tool I am using correct? How hard should I try to depress the tab? Thanks.
Was this
answer
helpful?
Yes
No
+6
Monday, July 6th, 2020 AT 4:56 PM (Merged)
Tiny
STEVEN GILMER
  • MEMBER
  • 1 POST
  • 2008 DODGE CALIBER
  • 4 CYL
  • FWD
  • AUTOMATIC
  • 31,100 MILES
Lost key had to pull ignition out. Tried to start car twice, then I think the theft system shut me out. Have no money to have fixed right now realy need to get it started. My only source of transportion for my family
Was this
answer
helpful?
Yes
No
Thursday, December 31st, 2020 AT 9:46 AM (Merged)
Tiny
DANNY L
  • MECHANIC
  • 5,648 POSTS
Hello, I'm Danny
You can first try an anti-theft, security system reset. Here is a link to the tutorial for you to view.

https://www.2carpros.com/articles/how-to-reset-a-security-system

After viewing just scroll the page lower to find Dodge and follow those additional steps.

I've also attached picture steps below for removal and replacement of the ignition switch for your Dodge. Hope this helps and thanks for using 2CarPros.
Was this
answer
helpful?
Yes
No
Thursday, December 31st, 2020 AT 9:46 AM (Merged)
Tiny
SAVANNAH SHADA
  • MEMBER
  • 1 POST
  • 2007 DODGE CALIBER
  • 1.4L
  • TURBO
  • 4WD
  • AUTOMATIC
  • 250,000 MILES
I need to know step by step how to remove and replace the ignition lock cylinder.
Was this
answer
helpful?
Yes
No
Thursday, December 31st, 2020 AT 9:46 AM (Merged)
Tiny
JACOBANDNICKOLAS
  • MECHANIC
  • 110,192 POSTS
Hi,

I'm not sure what engine this has, so I went with a 1.8L. What you listed isn't an option.

Here are the directions. The attached pics correlate with the directions.

__________________________

2007 Dodge Caliber L4-1.8L VIN C
Removal
Vehicle Starting and Charging Sensors and Switches - Starting and Charging Ignition Switch Ignition Switch Lock Cylinder Service and Repair Removal and Replacement Key/Lock Cylinder Removal
REMOVAL
REMOVAL

pic 1

1. Access and remove the Steering Column Control Module (SCCM) (3) from the steering column (2).

Pic 2

2. If equipped with Thatcham security (Export), remove the screws securing the cup (1) over the key cylinder. Remove the cup.

Pic 3

3. Remove the screw (1) fastening the SKREEM/WCM (2) to the lock cylinder housing (3).

4. Unhook the SKREEM/WCM (2) retainer fingers from the lock cylinder housing (3) and remove it.

Pic 4

5. Insert the key (2) and turn the key cylinder (3) to the RUN position.

6. Insert an appropriate tool into the slot (1) formed into the lock cylinder housing depressing the key cylinder retaining tab.

7. Pull the key cylinder and key straight out of the lock cylinder housing as one unit.

Pic 5

8. Using a Tamper-Proof Torx(R) Plus (five point) 30 bit, remove the two screws (1) fastening the lock cylinder housing (2) to the column.

9. Remove the lock cylinder housing from the steering column.

Pic 6

10. Remove the ignition module (2) mounting screw (1).

Pic 7

11. Pull the module (1) straight out and off the retaining tabs (2) located on the lock cylinder housing.

_________________________________

Install

2007 Dodge Caliber L4-1.8L VIN C
Installation
Vehicle Starting and Charging Sensors and Switches - Starting and Charging Ignition Switch Ignition Switch Lock Cylinder Service and Repair Removal and Replacement Key/Lock Cylinder Installation
INSTALLATION
INSTALLATION

Pic 7

NOTE: Ignition module must be installed prior to lock housing installation on column. Otherwise, the tilt lever will obstruct installation of ignition switch.

1. Ensure the ignition module is in the RUN position and the actuator shaft in the lock housing is in the RUN position.

2. Align the ignition module with the pin (3), actuator shaft and retaining tabs (2) located on the lock cylinder housing. Carefully install the module, snapping it into place over the retaining tabs.

Pic 8

3. Install the ignition module (2) mounting screw (1). Tighten the screw to 2 Nm (18 in. Lbs.).

Pic 9

NOTE: Ignition module needs to be installed on lock cylinder housing before housing installation to clear tilt lever.

4. Position the lock cylinder housing in the RUN position.

5. Align the lock cylinder housing (2) with the steering column.

6. Install the two screws (1) fastening the lock cylinder housing (2) to the column. Tighten the screws to 12 Nm (110 in. Lbs.).

Pic 10

7. Place the actuator in the lock cylinder housing to the RUN position (if not already there).

8. Insert the key into the key cylinder and turn the key cylinder to the RUN position.

9. Align the retaining tab on the key cylinder with the slot in the top of the lock cylinder housing.

10. Slide the key cylinder into the lock cylinder housing until the key cylinder retaining tab locks the cylinder into place.

11. Rotate the key back and forth (OFF to START), then remove and reinstall it, making sure the key cylinder and lock cylinder housing operate properly.

Pic 12

12. Slide the ring of the SKREEM/WCM (2) over the lock cylinder housing (3) and engage the retainer fingers in the recesses formed on the lock cylinder housing.

13. Install the screw (1) fastening the SKREEM/WCM (2) to the lock cylinder housing (3). Tighten the screw to 2.5 Nm (22 in. Lbs.).

Pic 13

14. If equipped with Thatcham security (Export), install the cup (1) over the key cylinder and install the two mounting screws.

Pic 14

15. Install the Steering Column Control Module (SCCM) (3) and all components removed to access it.

16. Check operation of all steering column-mounted components.

__________________

Let me know if this helps or if you have other questions.

Take care,
Joe
Was this
answer
helpful?
Yes
No
Thursday, December 31st, 2020 AT 9:46 AM (Merged)

Please login or register to post a reply.