Saturday, May 27th, 2023 AT 4:37 AM
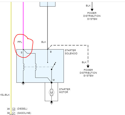
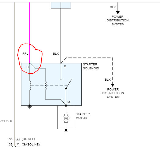
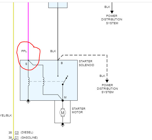
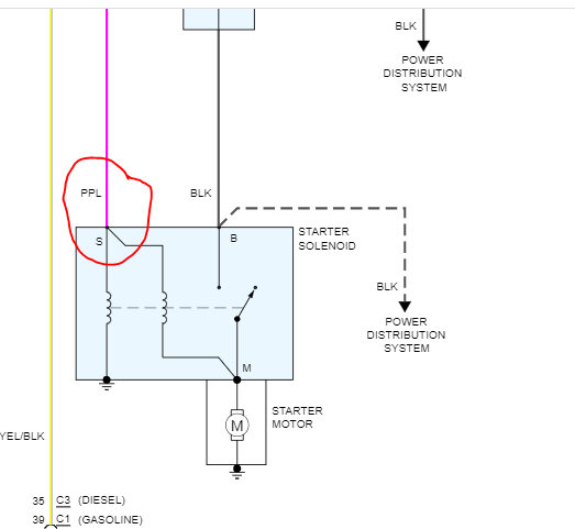
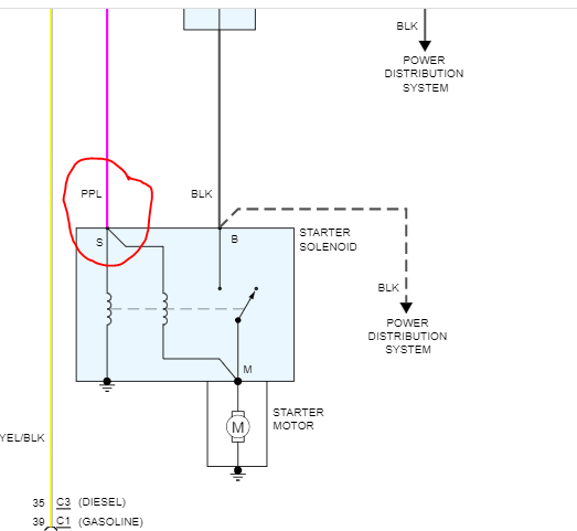
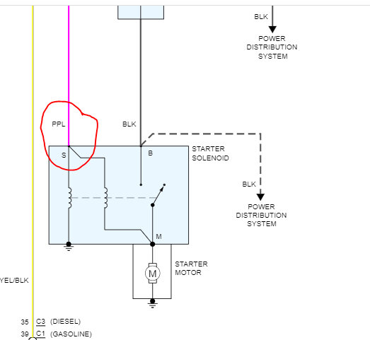
My ignition fuses keeps blowing every time I try to start my truck. Okay, so here's what happened: I hit a puddle of water and then I shut off my truck so I could order my food at the drive thru. Then I went to go start it and pull forward it just wanted to click. I've replaced the ignition switch, starter, alternator, spark plugs and spark plug wires. There's no water in the oil and the engine is not locked up. The starter solenoid is clicking but the starter motor won't engage.




