Where is the ICM located?

Tiny
PACIFICISLANDER
  • MEMBER
  • 1994 MITSUBISHI MIGHTY MAX
  • 2.4L
  • 4 CYL
  • 2WD
  • AUTOMATIC
  • 100,000 MILES
Need to know where is the ICM and components of the distributor to include the location of the ballast resistor.

I'm having problems with the ignition circuit. Much appreciated.
Tuesday, May 4th, 2021 AT 2:27 AM

17 Replies

Tiny
KASEKENNY
  • MECHANIC
  • 18,907 POSTS
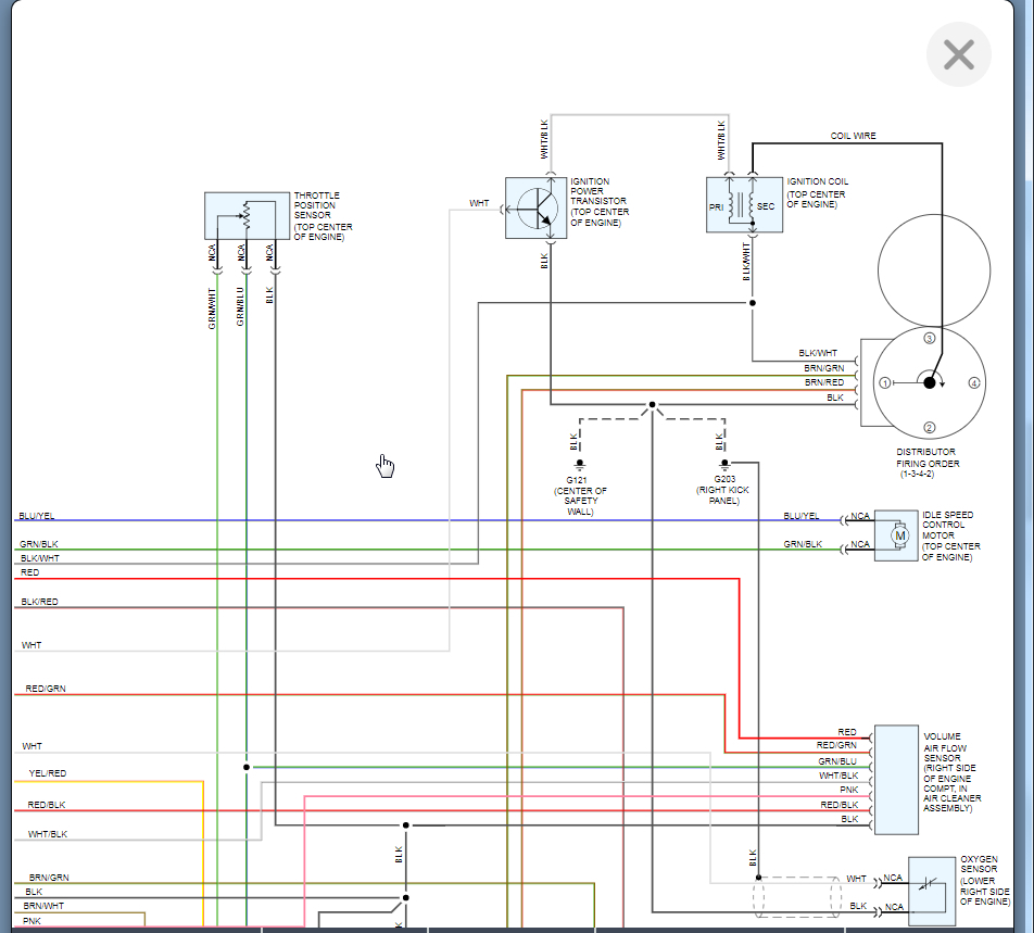
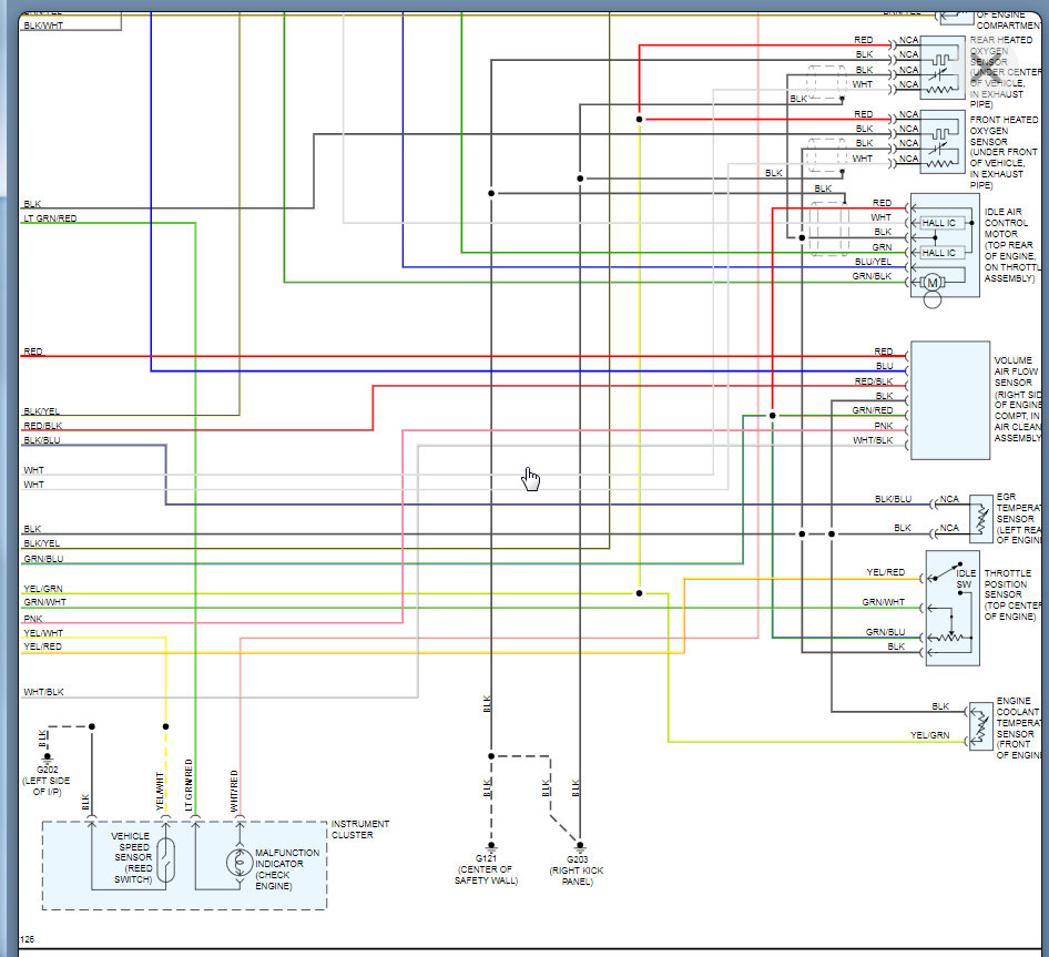
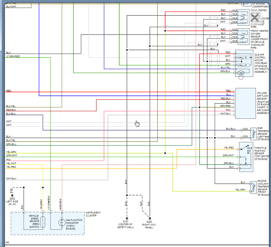
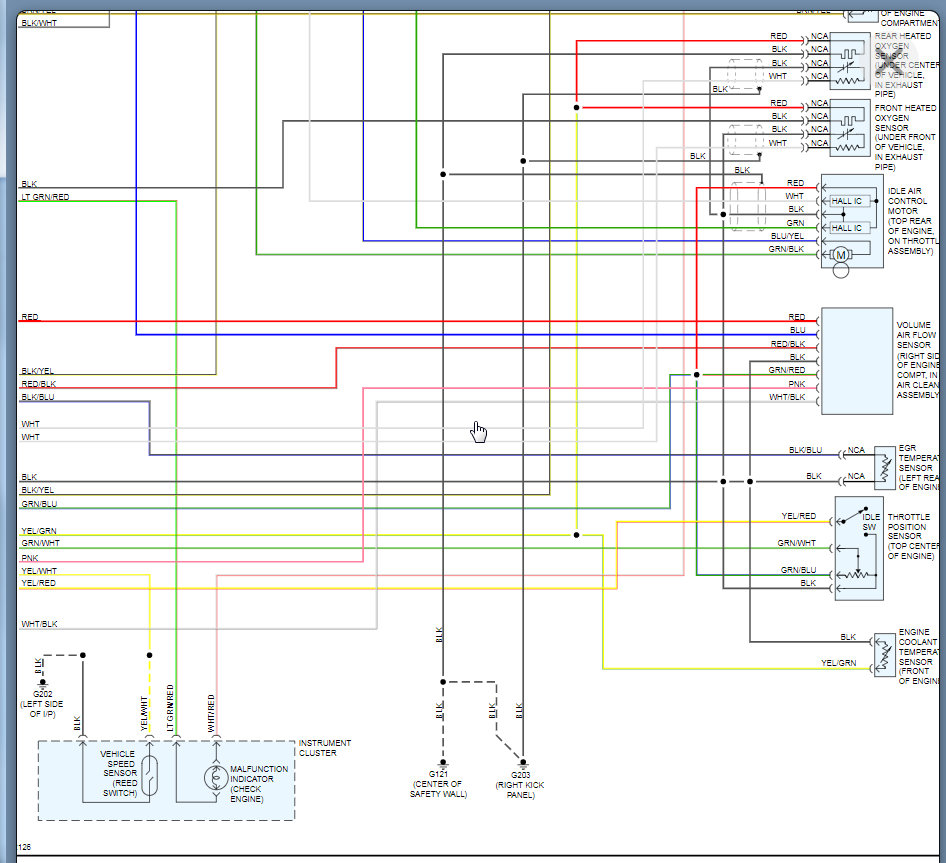
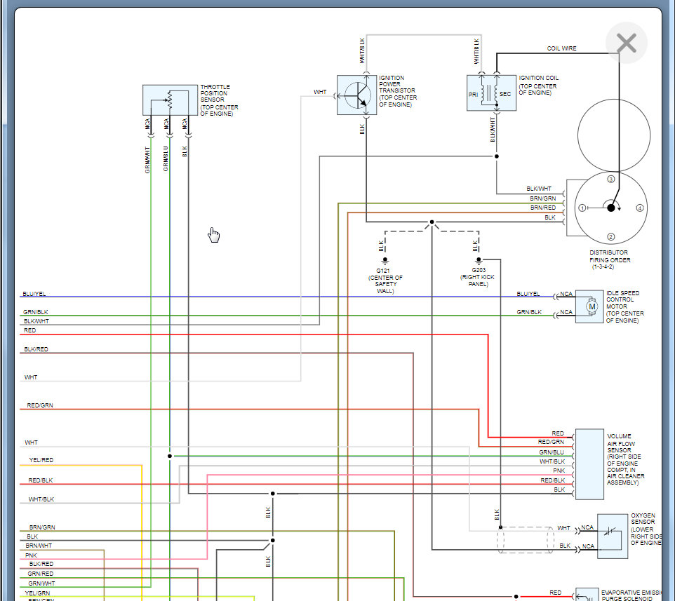
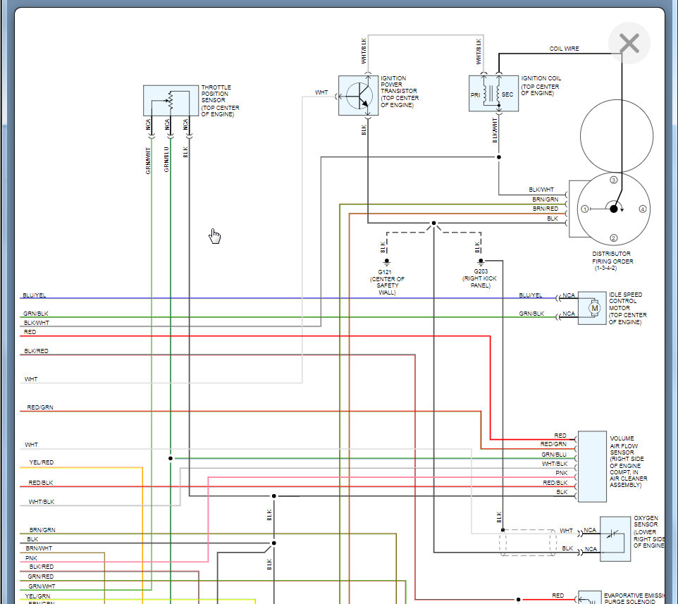
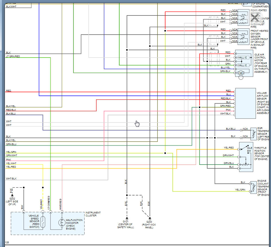
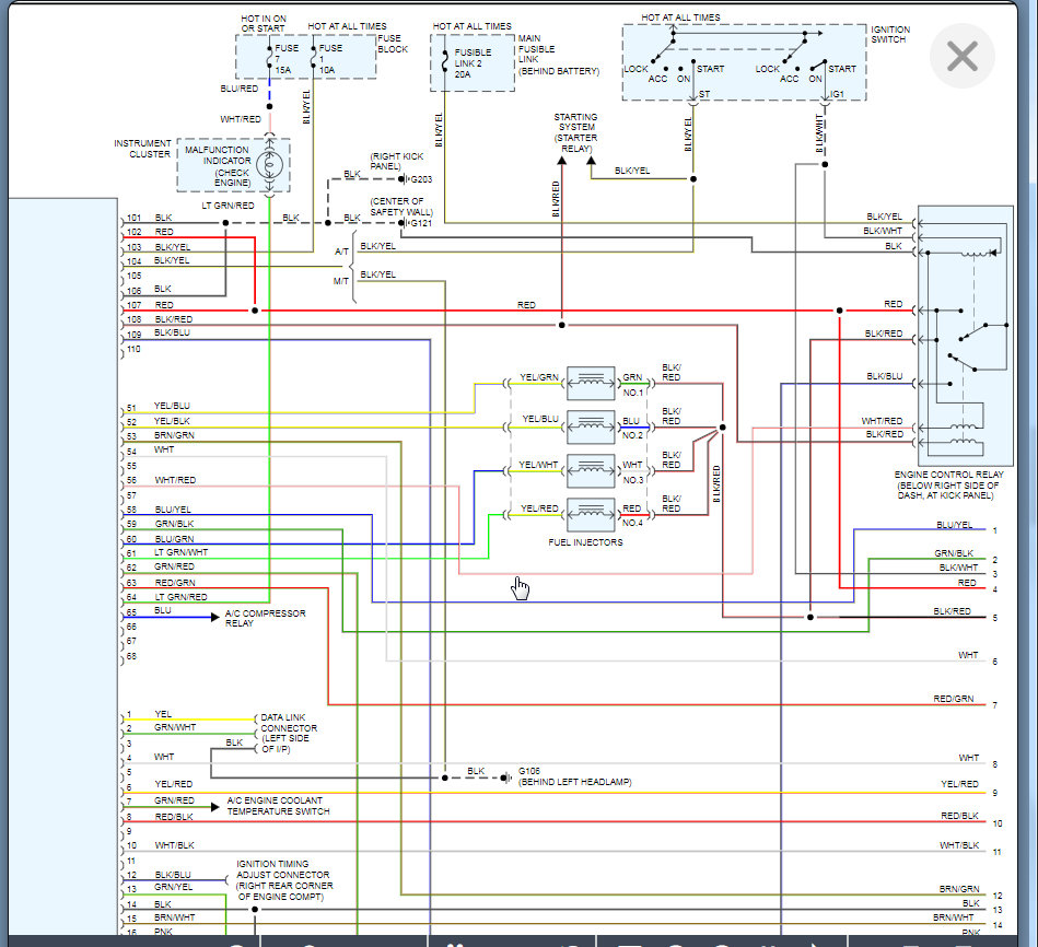
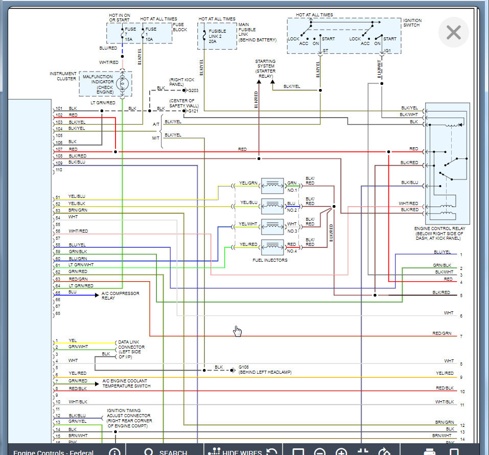
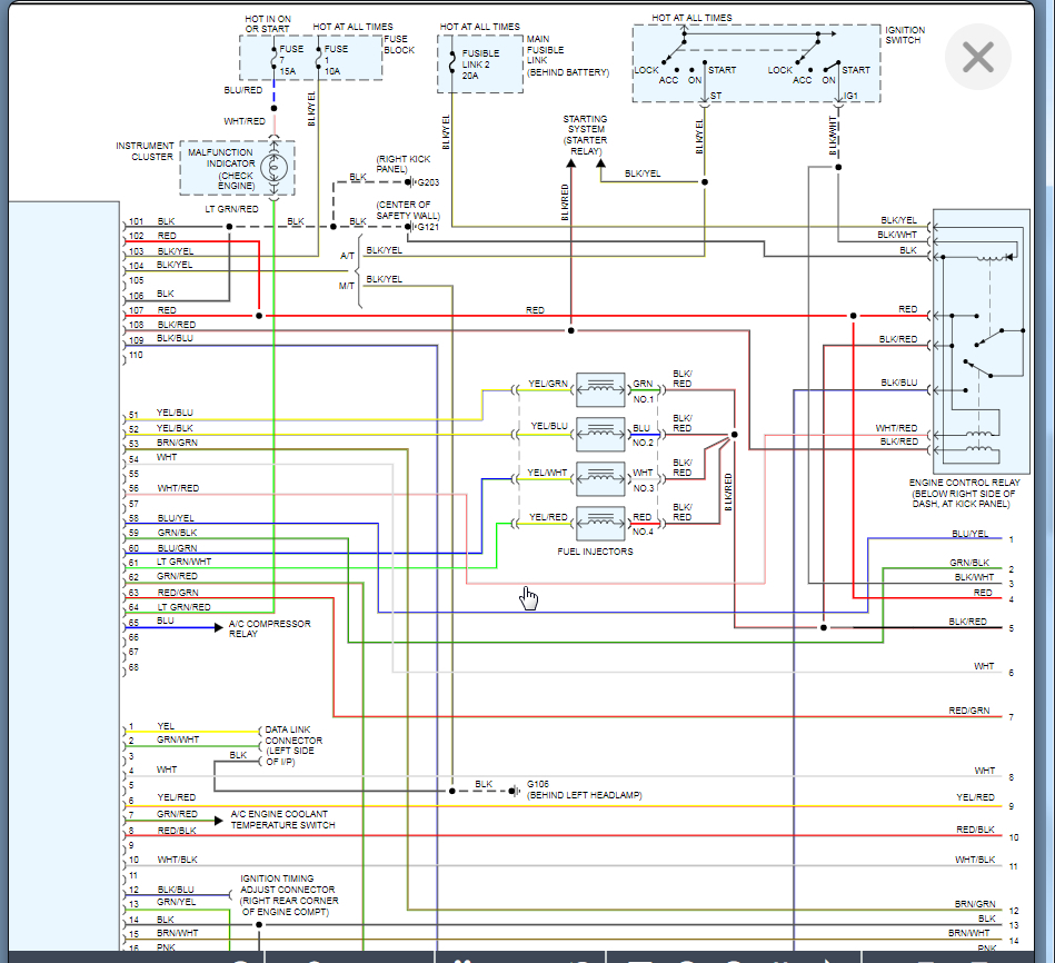
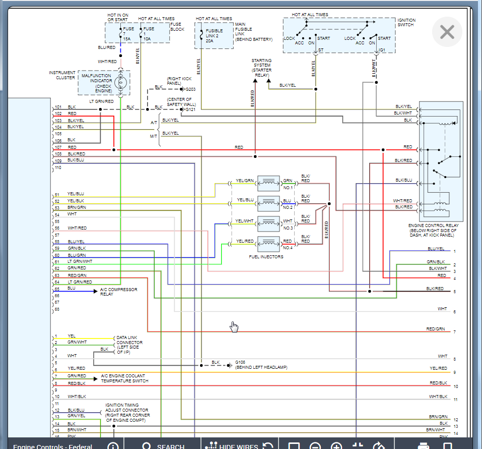
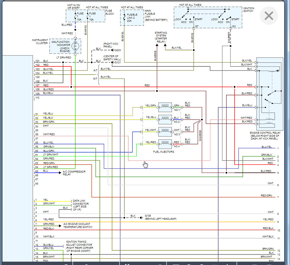
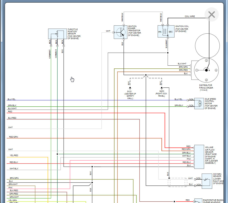
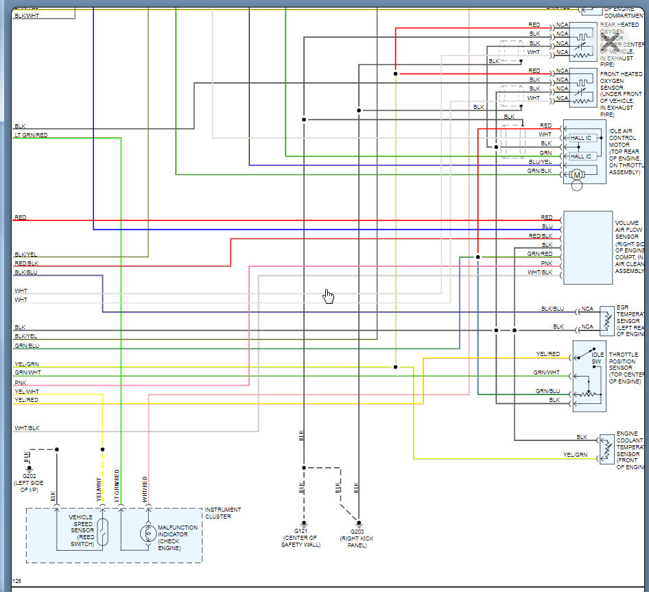
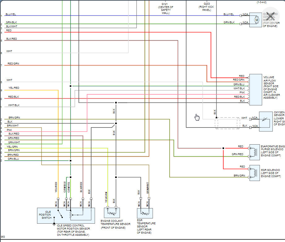
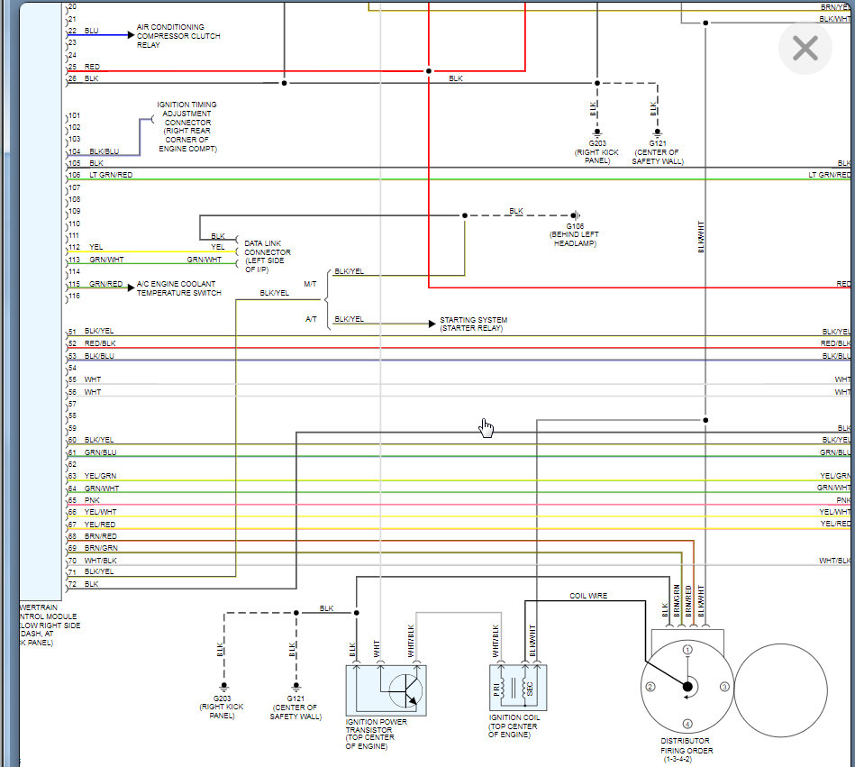
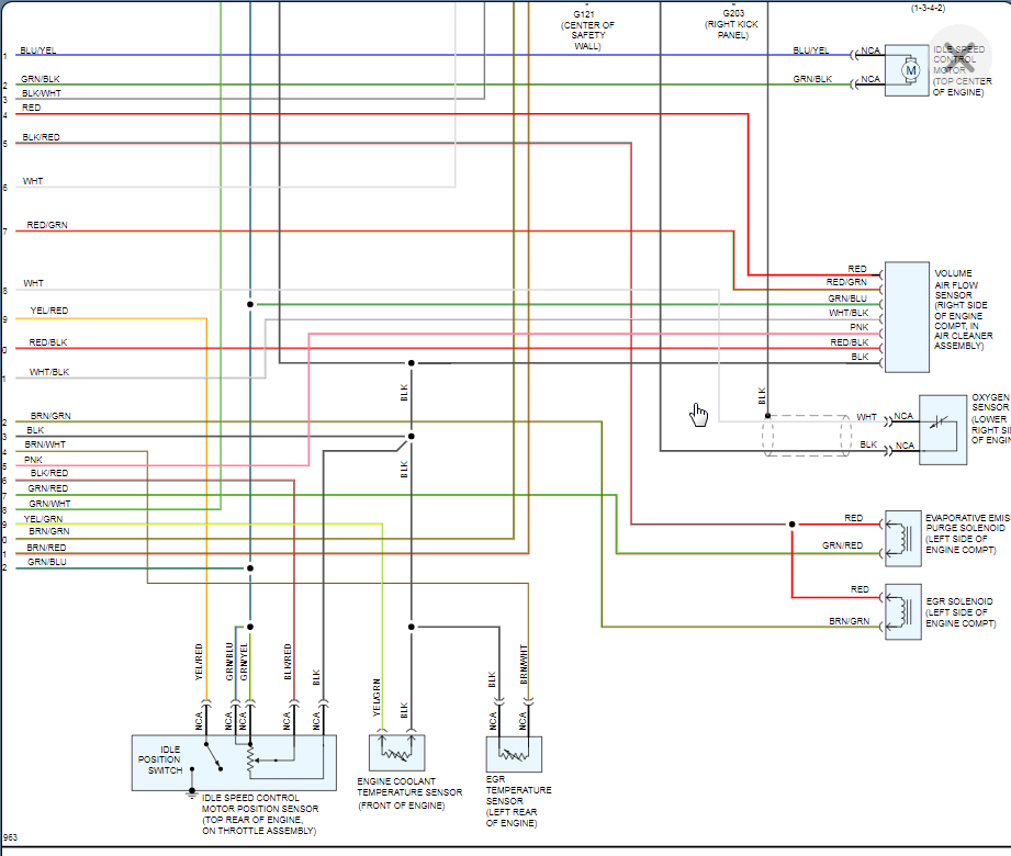
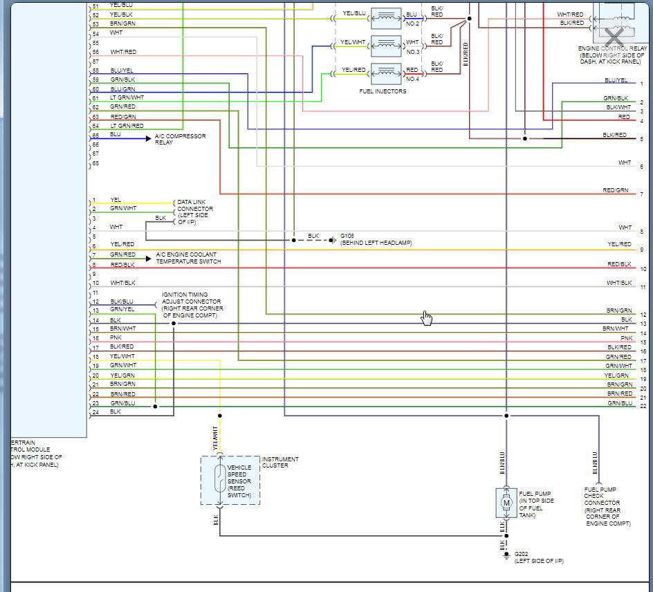
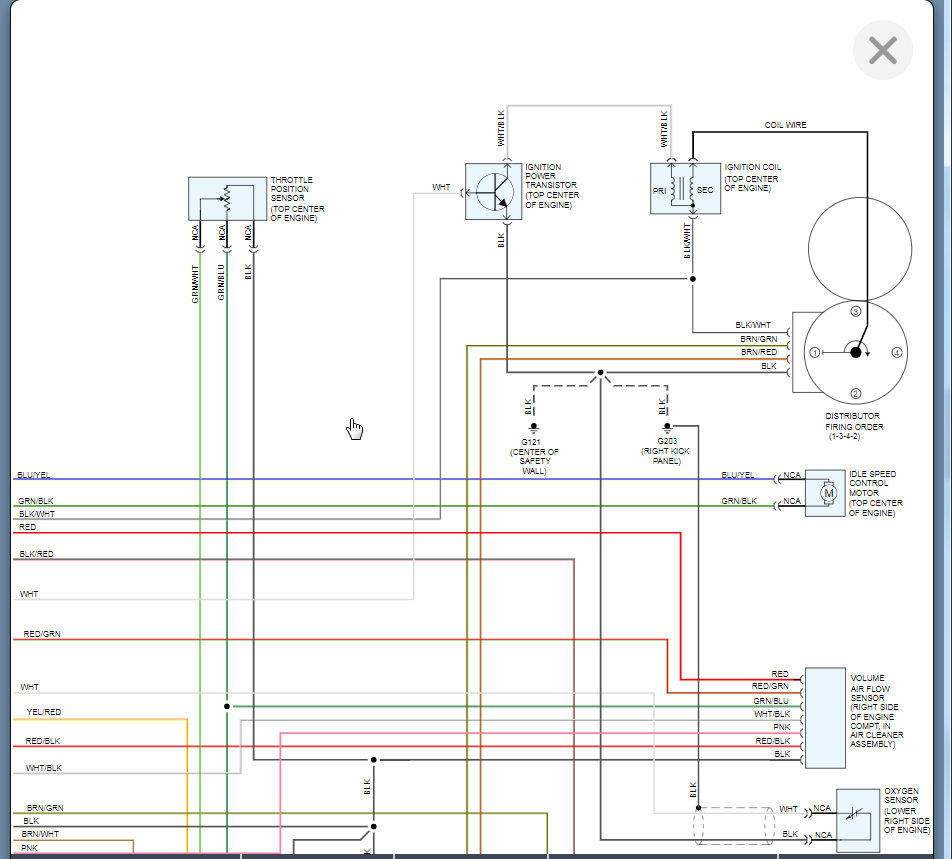
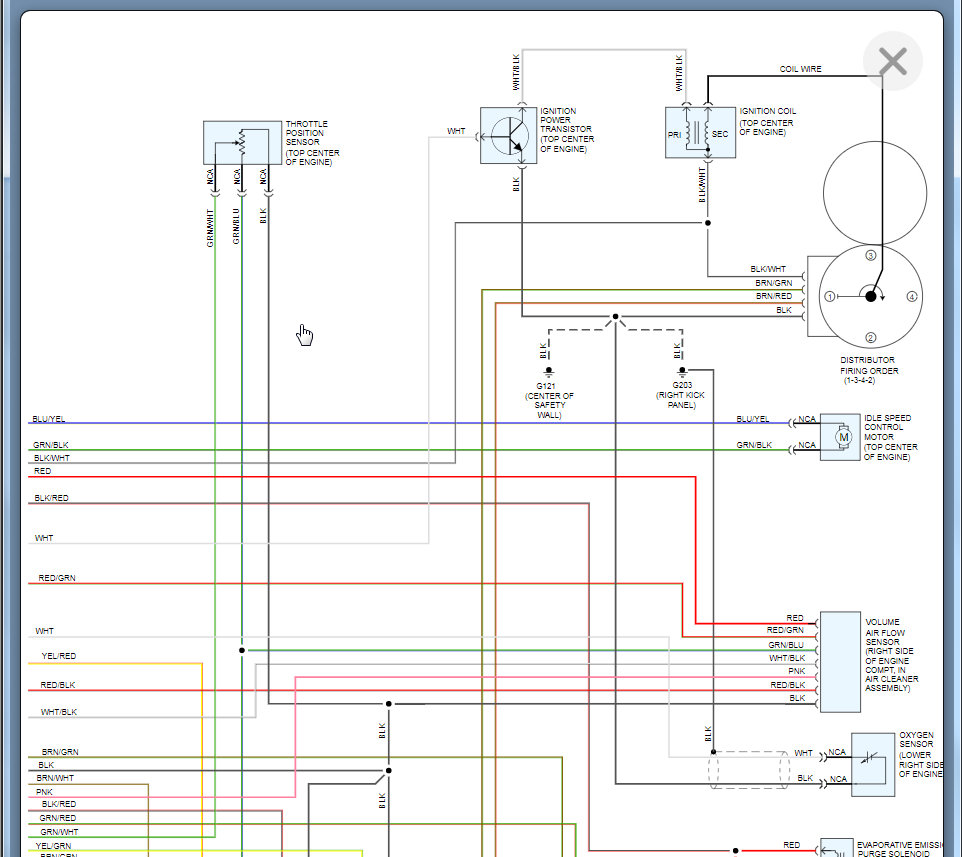
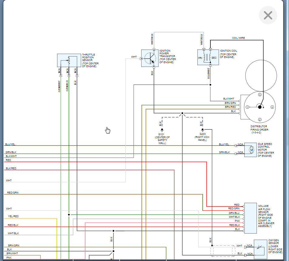
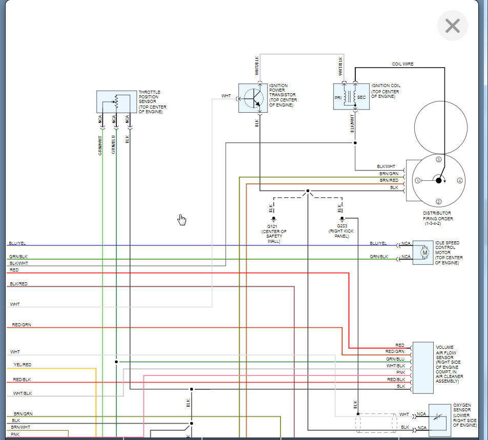
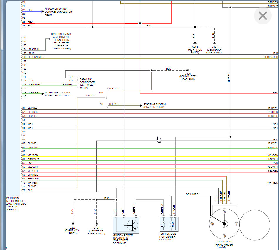
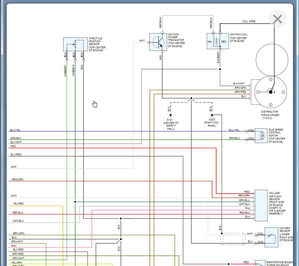
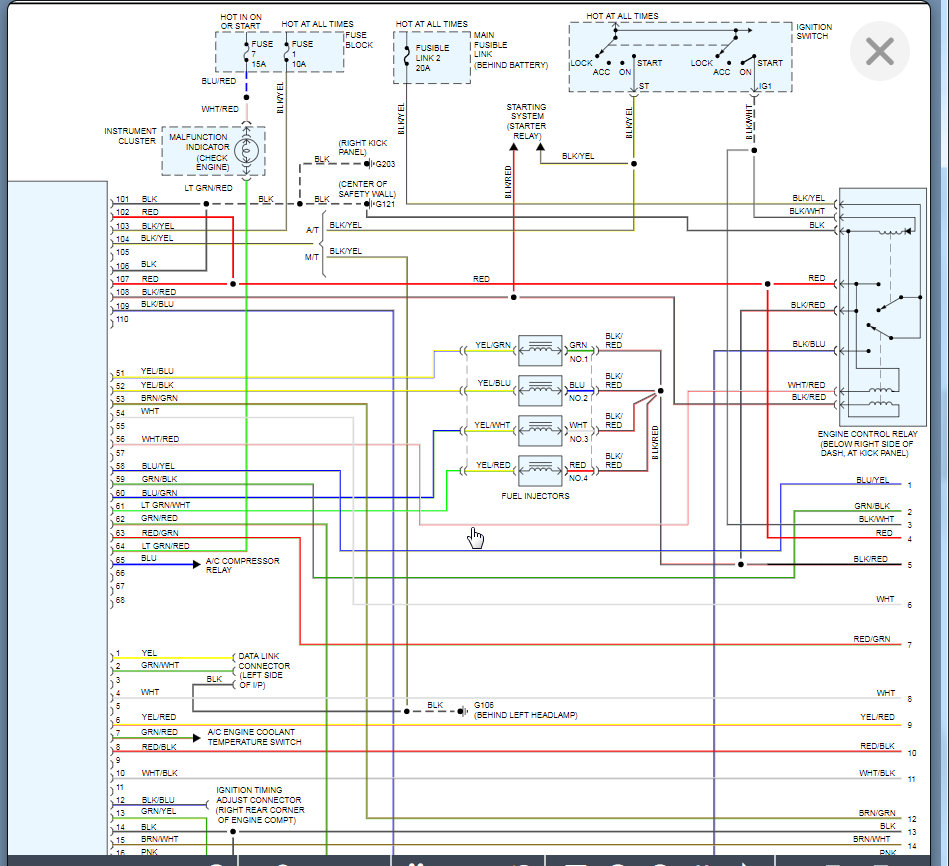
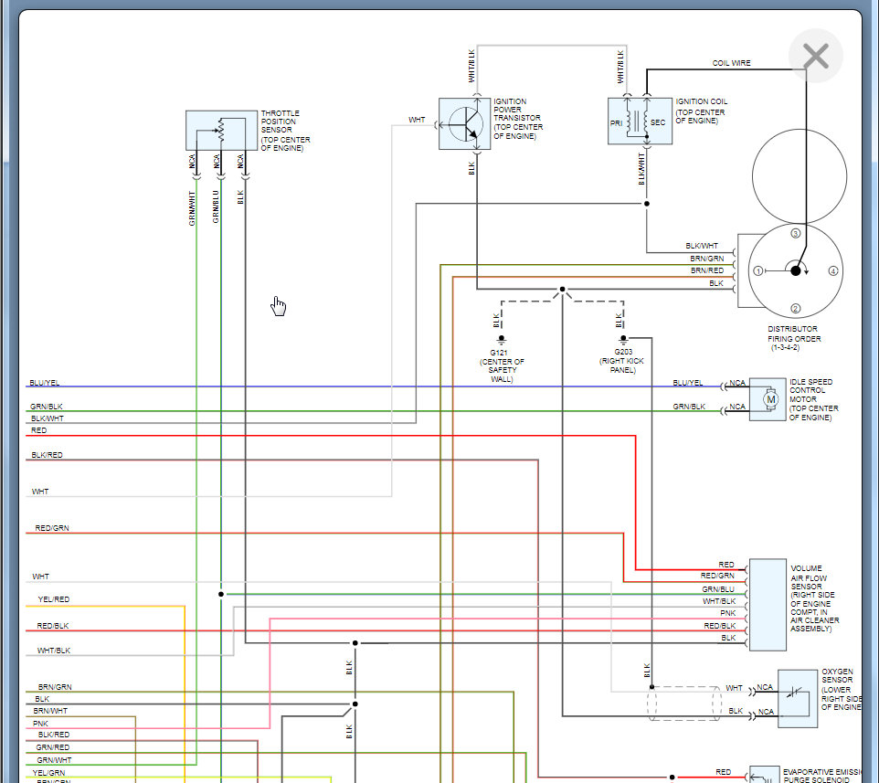
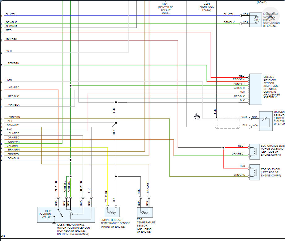
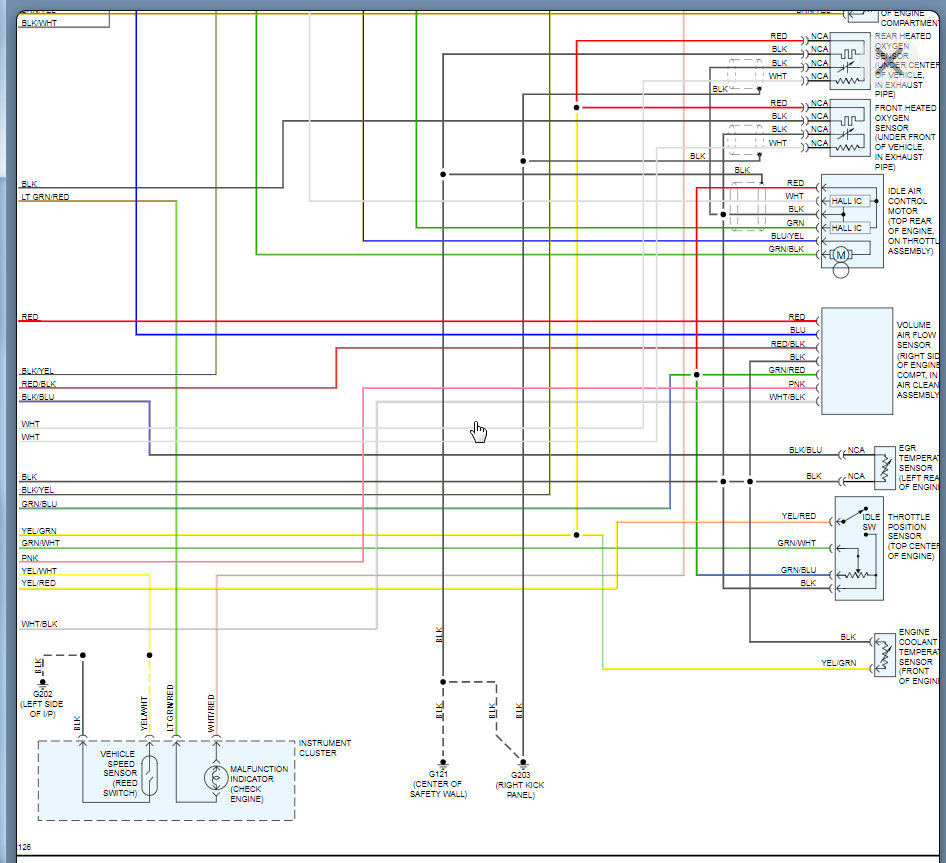
I am attaching all the info on this ignition system. Please run through this and let us know what other info you need.

Below is the info including the wiring diagrams. Thanks
Was this
answer
helpful?
Yes
No
Tuesday, May 4th, 2021 AT 5:43 PM
Tiny
PACIFICISLANDER
  • MEMBER
  • 240 POSTS
Thank you very much, this is exactly what I need to troubleshoot the culprit. Thanks
Was this
answer
helpful?
Yes
No
Tuesday, May 4th, 2021 AT 10:33 PM
Tiny
PACIFICISLANDER
  • MEMBER
  • 240 POSTS
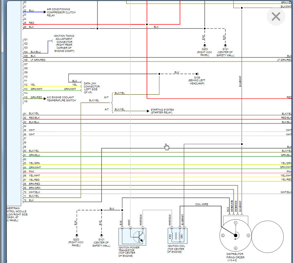
Can I have the firing order and ignition timing?
Was this
answer
helpful?
Yes
No
Wednesday, May 5th, 2021 AT 1:33 AM
Tiny
KASEKENNY
  • MECHANIC
  • 18,907 POSTS
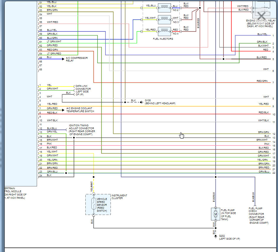
Please see the attached document. Let us know if you need other info. Thanks
Was this
answer
helpful?
Yes
No
Wednesday, May 5th, 2021 AT 11:07 AM
Tiny
PACIFICISLANDER
  • MEMBER
  • 240 POSTS
Also need ignition timing BTC or ATDC.
Was this
answer
helpful?
Yes
No
Wednesday, May 5th, 2021 AT 6:03 PM
Tiny
KASEKENNY
  • MECHANIC
  • 18,907 POSTS
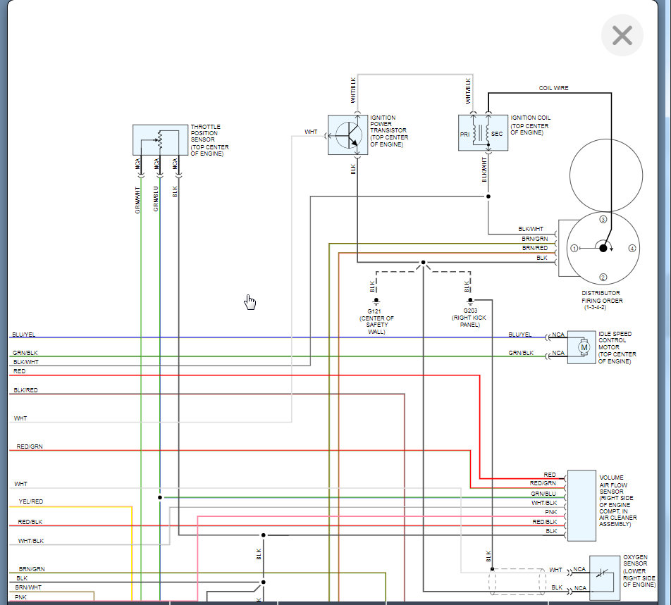
Timing specs are attached below. Thanks
Was this
answer
helpful?
Yes
No
Wednesday, May 5th, 2021 AT 6:11 PM
Tiny
PACIFICISLANDER
  • MEMBER
  • 240 POSTS
Thank you very much Mr. KASEKENNY1. Appreciated it. Now I'm ready to deal with it.
Was this
answer
helpful?
Yes
No
Wednesday, May 5th, 2021 AT 7:13 PM
Tiny
KASEKENNY
  • MECHANIC
  • 18,907 POSTS
Sounds great. Thanks for the update and let us know if you have other questions. Thanks
Was this
answer
helpful?
Yes
No
Wednesday, May 5th, 2021 AT 8:16 PM
Tiny
PACIFICISLANDER
  • MEMBER
  • 240 POSTS
Again thank you so much.I got it running the problem is the power resistor is fried.
Was this
answer
helpful?
Yes
No
Thursday, May 6th, 2021 AT 12:41 AM
Tiny
PACIFICISLANDER
  • MEMBER
  • 240 POSTS
Need the fuse boxes location and the name of the circuit it powers.
Was this
answer
helpful?
Yes
No
Saturday, May 8th, 2021 AT 2:04 PM
Tiny
KASEKENNY
  • MECHANIC
  • 18,907 POSTS
Thanks for the update but we are going to have to start a new post on this request so that others can find the fuse box as well. Unfortunately they will not find it under this post. If you can get a new one started then we will get you the diagrams you need. Thanks
Was this
answer
helpful?
Yes
No
Sunday, May 9th, 2021 AT 8:03 PM
Tiny
PACIFICISLANDER
  • MEMBER
  • 240 POSTS
I need the resistances of Pri/Sec windings of the coil and is the ignition control module/crankshaft position sensor in the distributor.
Was this
answer
helpful?
Yes
No
Tuesday, May 11th, 2021 AT 8:53 PM
Tiny
PACIFICISLANDER
  • MEMBER
  • 240 POSTS
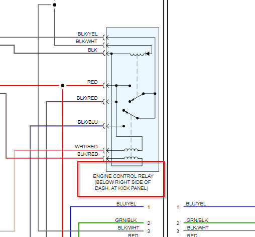
And the engine control relay. Thank you
Was this
answer
helpful?
Yes
No
Wednesday, May 12th, 2021 AT 1:39 AM
Tiny
KASEKENNY
  • MECHANIC
  • 18,907 POSTS
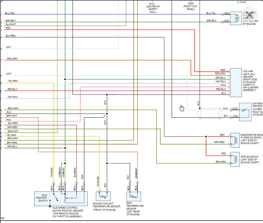
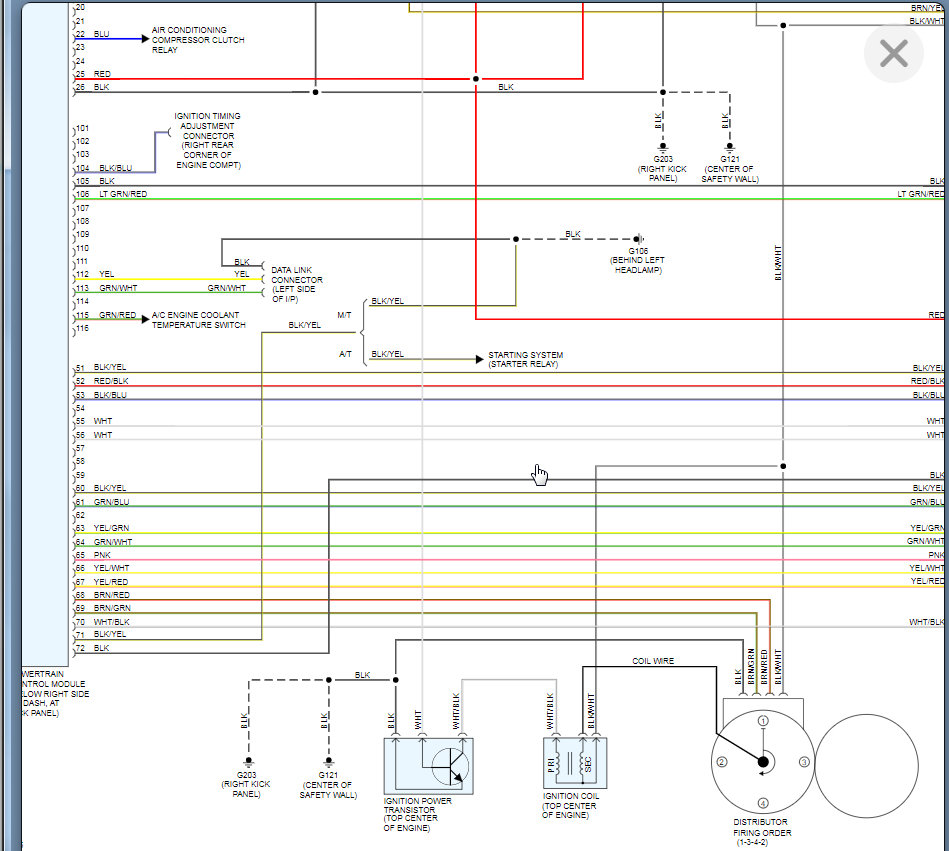
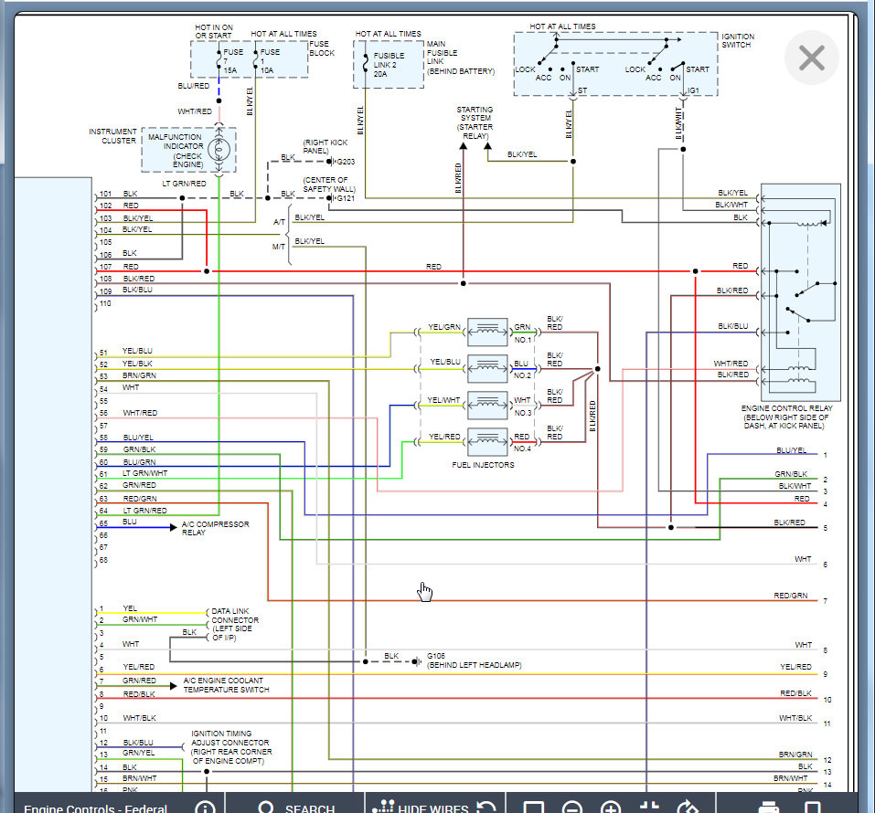
I am attaching each of the items you are requesting. The relay did not have much info but on the wiring diagram it gives a general location. Let us know if you still need more. Thanks
Was this
answer
helpful?
Yes
No
Wednesday, May 12th, 2021 AT 6:09 PM
Tiny
PACIFICISLANDER
  • MEMBER
  • 240 POSTS
Thank you very much Mr KASEKENNY1, it's the PCM not giving out 5 volts to the crankshaft/camshaft position sensor.
Was this
answer
helpful?
Yes
No
Friday, May 14th, 2021 AT 12:46 PM
Tiny
PACIFICISLANDER
  • MEMBER
  • 240 POSTS
Also can I have a picture of the wiring connector facing the PCM?
Was this
answer
helpful?
Yes
No
Friday, May 14th, 2021 AT 5:40 PM
Tiny
KASEKENNY
  • MECHANIC
  • 18,907 POSTS
Sure. The only thing is, the manual doesn't give us the call outs for each pin. They give us the layout but not the chart to go with it.

So I included the complete wiring diagram for the PCM so you can see what each pin goes to and then you can identify which pin that is in the connector.

The first pinouts and wiring diagrams are for CA emissions. The rest are Federal Emissions depending on which you have.
Was this
answer
helpful?
Yes
No
Saturday, May 15th, 2021 AT 6:36 PM

Please login or register to post a reply.