Cluster pinout needed

Tiny
B_ALZUABI77
  • MEMBER
  • 2002 CHEVROLET LUMINA
  • 2WD
  • AUTOMATIC
  • 120 MILES
Hi all,
I am looking for cluster pinout for the car listed above.
I know its stop manufacturing it in US but it's continued in north Africa and Middle East.
Monday, August 31st, 2020 AT 1:19 PM

1 Reply

Tiny
KASEKENNY
  • MECHANIC
  • 18,907 POSTS
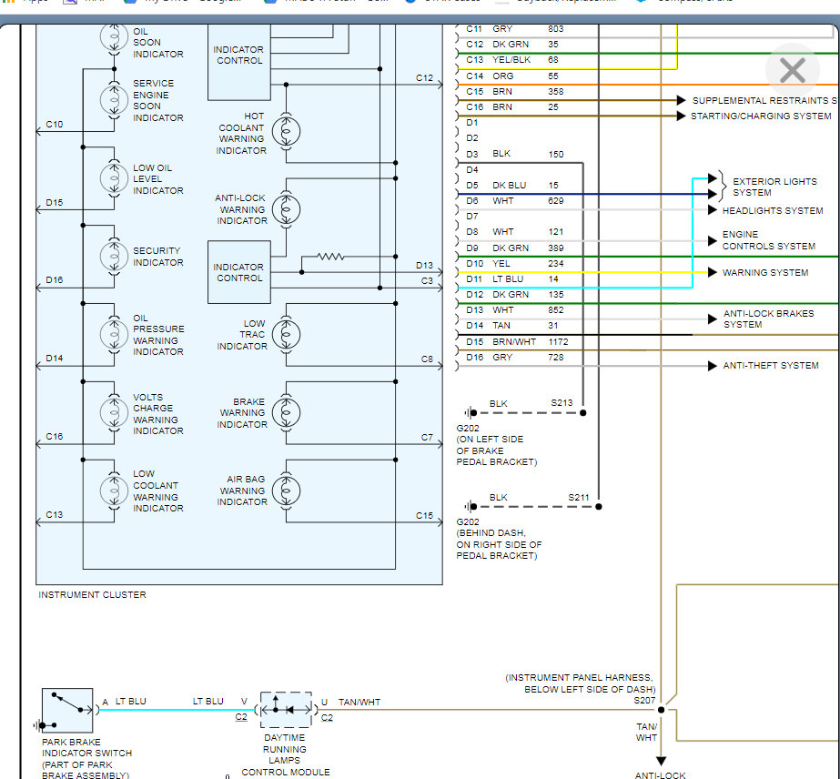
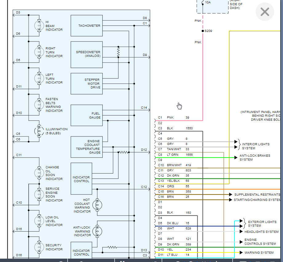
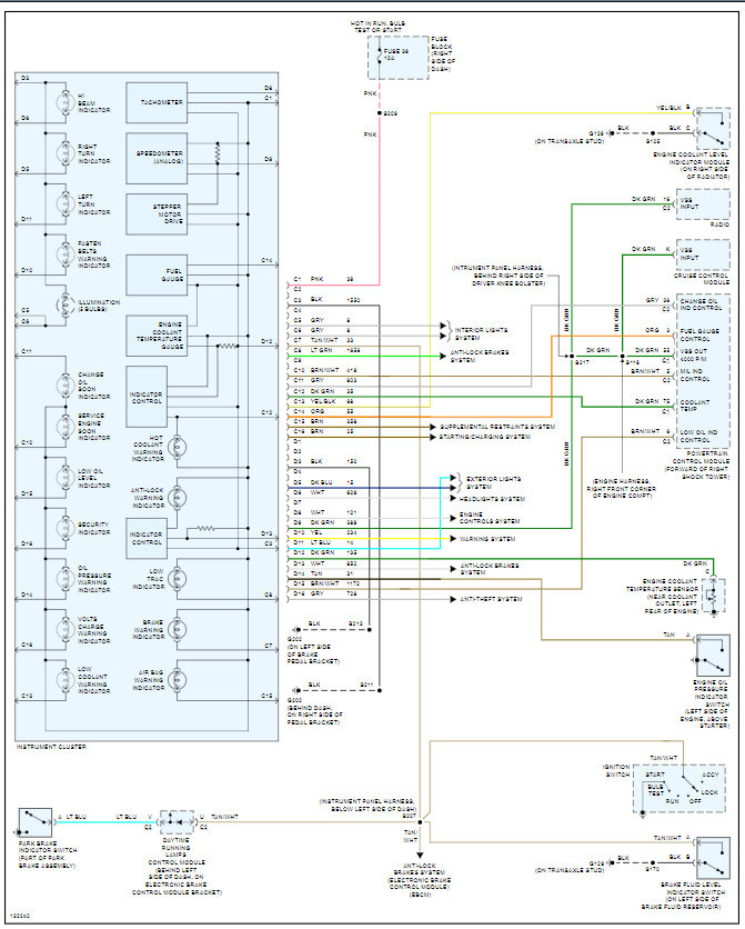
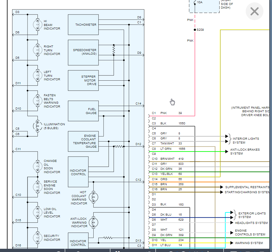
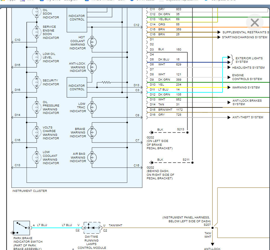
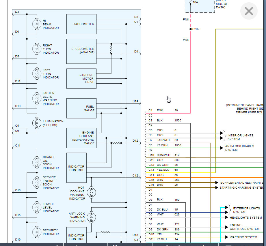
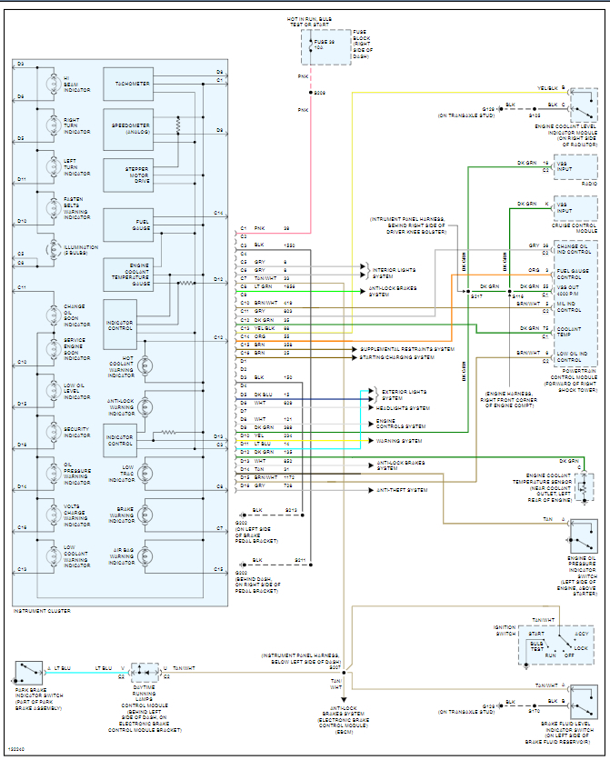
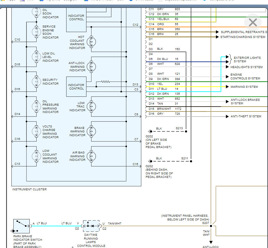
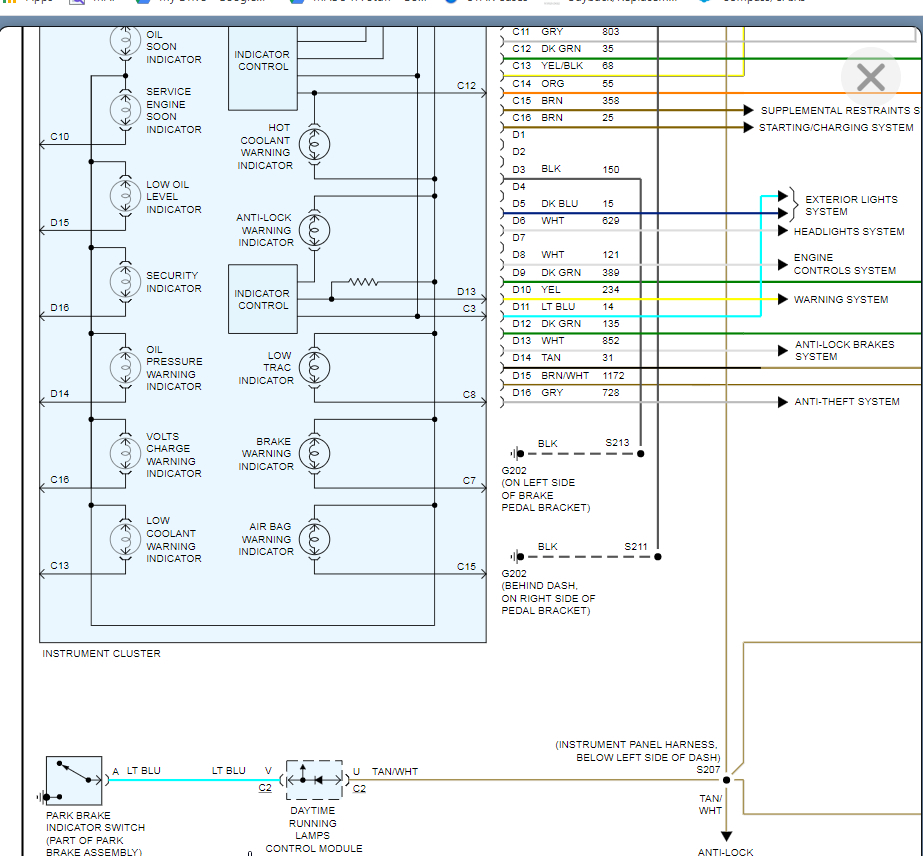
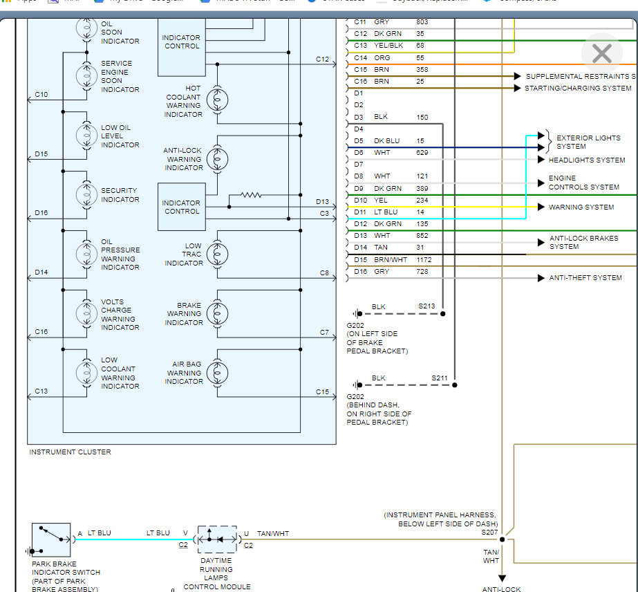
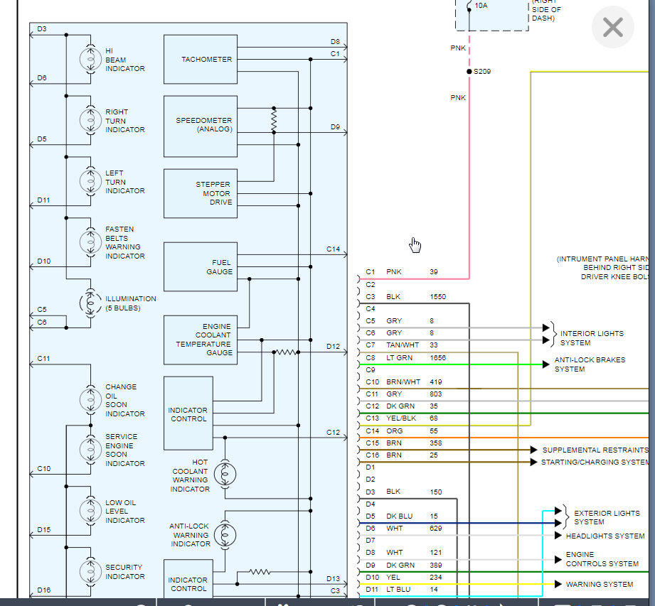
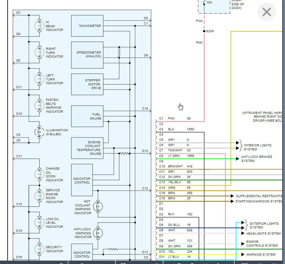
I don't have the diagram for the 2002 due to it not being offered in the USA as you stated and we only have manuals for USA vehicles. However, I attached the diagram for the 2001 as it is the same due to not making any changes.

Hopefully that helps. Let me know how you make out. Thanks
Was this
answer
helpful?
Yes
No
Tuesday, September 1st, 2020 AT 4:39 PM

Please login or register to post a reply.