I turn the key and nothing

Tiny
GILBERTSESMA
  • MEMBER
  • 1995 PLYMOUTH ACCLAIM
  • 3.0L
  • 6 CYL
  • 2WD
  • AUTOMATIC
  • 180,000 MILES
I have replaced starter, ignition switch, starter relay, and still nothing, I turn the key and nothing happens. Oh, and battery is fully charged. Help
Friday, July 31st, 2020 AT 12:21 PM

1 Reply

Tiny
CARADIODOC
  • MECHANIC
  • 34,440 POSTS
First we need to know if this is a failure-to-crank problem or if the entire electrical system is dead. "Nothing" doesn't tell us anything. Do the head lights and interior lights work? How about the horn, brake lights, and radio? If everything is dead, similar to if the battery was disconnected, a good place to start is by following the smaller battery negative battery wire to the body and be sure that connection is tight and not rusty. Next, check the battery's voltage, but not on the posts. Check it on the cable clamps, but do that with the head lights turned on so current is trying to flow. When nothing is turned on, a bad connection will not be evident with voltage checks.

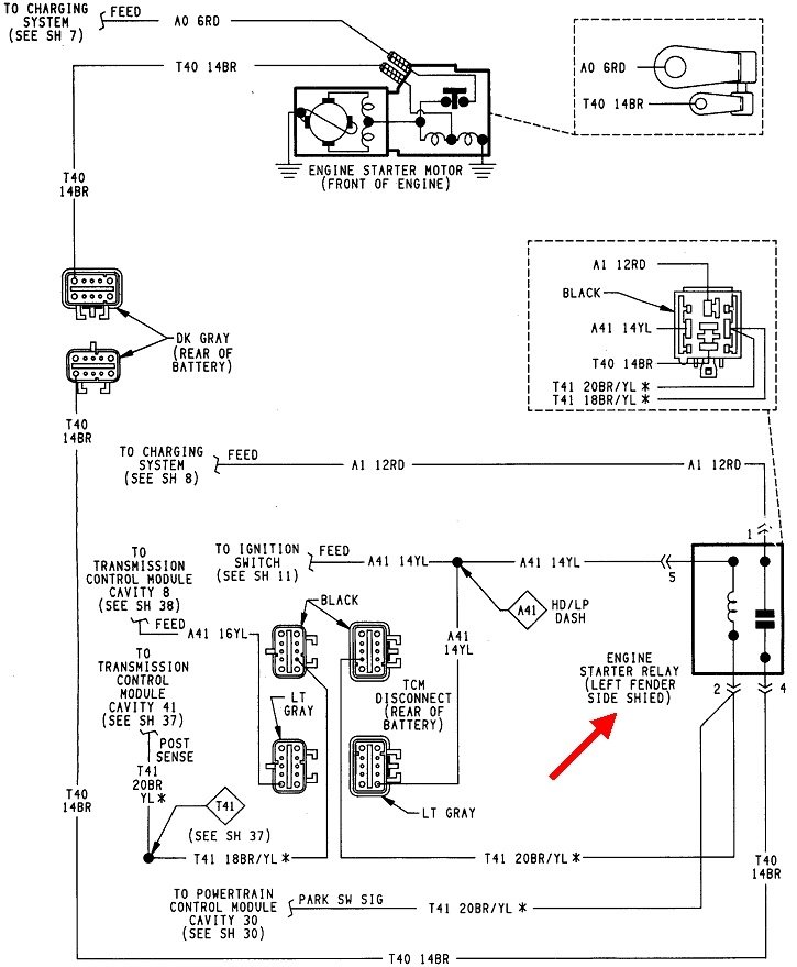
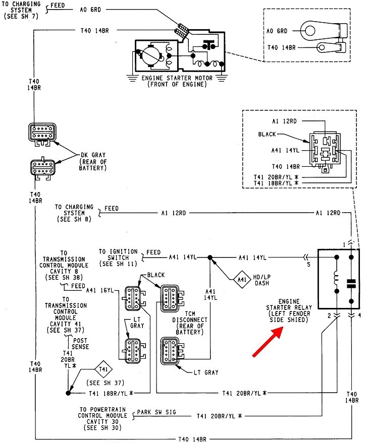
If this is just a starter system problem, we can do all the testing right from the starter relay's socket. The system can be split into four parts, each with a corresponding test point in that socket. For others researching this topic who aren't familiar with using a test light, here's a link to an article about them:

https://www.2carpros.com/articles/how-to-use-a-test-light-circuit-tester

Pop the plug off the starter relay, ground the test light's ground lead, then check for voltage on the four terminals in the socket. You should find 12 volts on one of them. Have a helper turn the ignition switch to "crank" and hold it there. Now you should also find 12 volts on a second terminal. If those are both okay, we need to look at only the other two terminals. Move the test light's clip lead to the battery's positive cable clamp. We'll be testing for a good ground circuit.

Check each of the two remaining terminals in the socket. The test light should light up on both of them. When you find the terminal that is missing its 12 volts or ground, we have the luxury of not having to figure out which circuit it is by the terminal's location. It is much easier to just look under the socket to see the color of the wire.

There's two versions of starter circuits depending on which transmission you have. If you have the 3-speed automatic, the first diagram applies, (second drawing). If you have the four-speed, use the third drawing. The color of each circuit's wire is the same. The difference is in the neutral safety switch / transmission range sensor. To know which transmission you have, with the four-speed, there will be a circle around the letter "D" in the instrument cluster's shift indicator.

If you find the 12 volts missing from the ignition switch when it's in the "crank" position, you'd think it is caused by a defective switch, but that is not the case. I'll describe a repair procedure for the lock cylinder. To verify this defect and cause, plug the starter relay back into its socket, then use a stretched-out cotter pin or a piece of wire to jump the small yellow wire and fat red wire together on the bottom of the socket. That will engage the starter relay. The starter will crank the engine. The engine will run if the ignition switch is in the "run" position, so be sure the transmission is in "park", otherwise you'll look funny chasing after your car.
Was this
answer
helpful?
Yes
No
Friday, July 31st, 2020 AT 7:43 PM

Please login or register to post a reply.