Thursday, August 5th, 2010 AT 1:57 PM
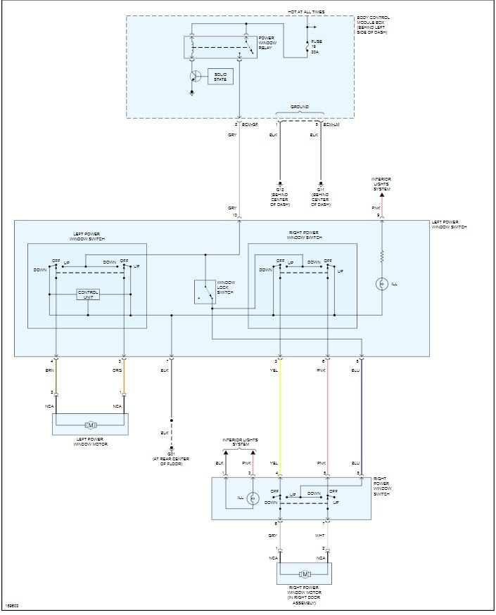
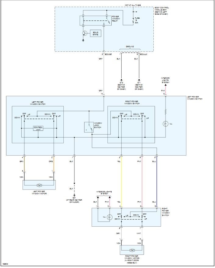
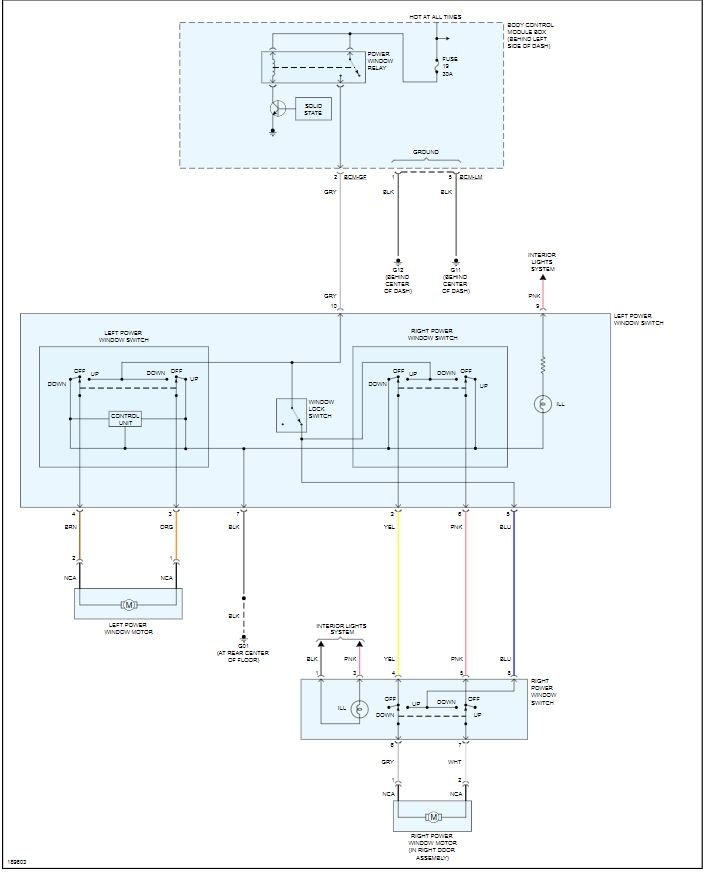
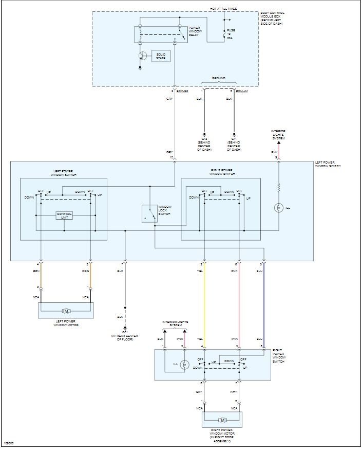
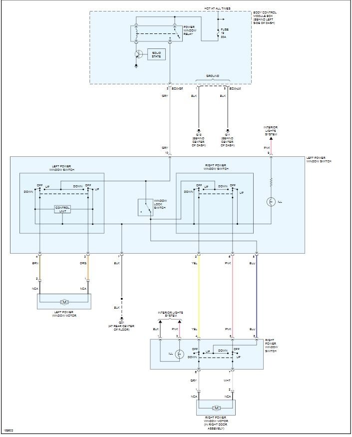
In my 2004 Hyundai tiburon, neither power window will operate. Nothing happens when you push the button. I smacked the door after it stopped working the first time and it worked for two days then quit again. I smacked it again with no result. Internet searches reveal NOTHING. It doesn't seem like a mechanic on earth knows a thing about Hyundai's.

