Thursday, August 19th, 2010 AT 9:19 AM
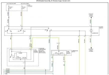
The side lights stay on when the car is turned off. Disconnecting the leads from the back of the lights still drains the battery. I thought it might be a stuck relay but I've tried disconnecting the relays, in the housing under the bonnet and the lights stay on.





