Sorry if the information provided does not meet your requirements.
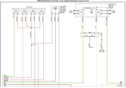
The PCM grounds the Green and White wire to induce sparks to the ignition coils with power from the ignition switch.
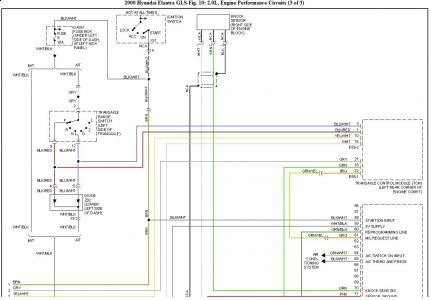
Ignition Coil Ground Circuit Test
Turn ignition off. Disconnect ECM 88 -pin connector and ignition coil 3 -pin connector. Check for
an open or short between ECM connector terminal No. 25 and coil connector terminal No. 2, and
between ECM connector terminal No. 52 and coil connector terminal No. 3. Repair circuits as
necessary.
Here are the complete schematics of the PCM controls.






The crankshaft position sensor is the main sensor for signalling the PCM to induce sparking and injector pulses.
Othere sensors that might cause no starting are :
Intake Air Temperature ( IAT) sensor.
Throttle Position ( TP ) sensor.
Engine Coolant Temperature ( ECT ) sensor
Mass Air Flow ( MAF ) sensor
.
Wednesday, September 2nd, 2009 AT 12:38 PM